EasyManua.ls Logo

Omron SYSMAC CS1W-SCB41-V1 - Page 575

Omron SYSMAC CS1W-SCB41-V1
781 pages
Print Icon
To Next Page IconTo Next Page
To Next Page IconTo Next Page
To Previous Page IconTo Previous Page
To Previous Page IconTo Previous Page
Loading...
546
E5
@
J Temperature Controller Protocol Appendix J
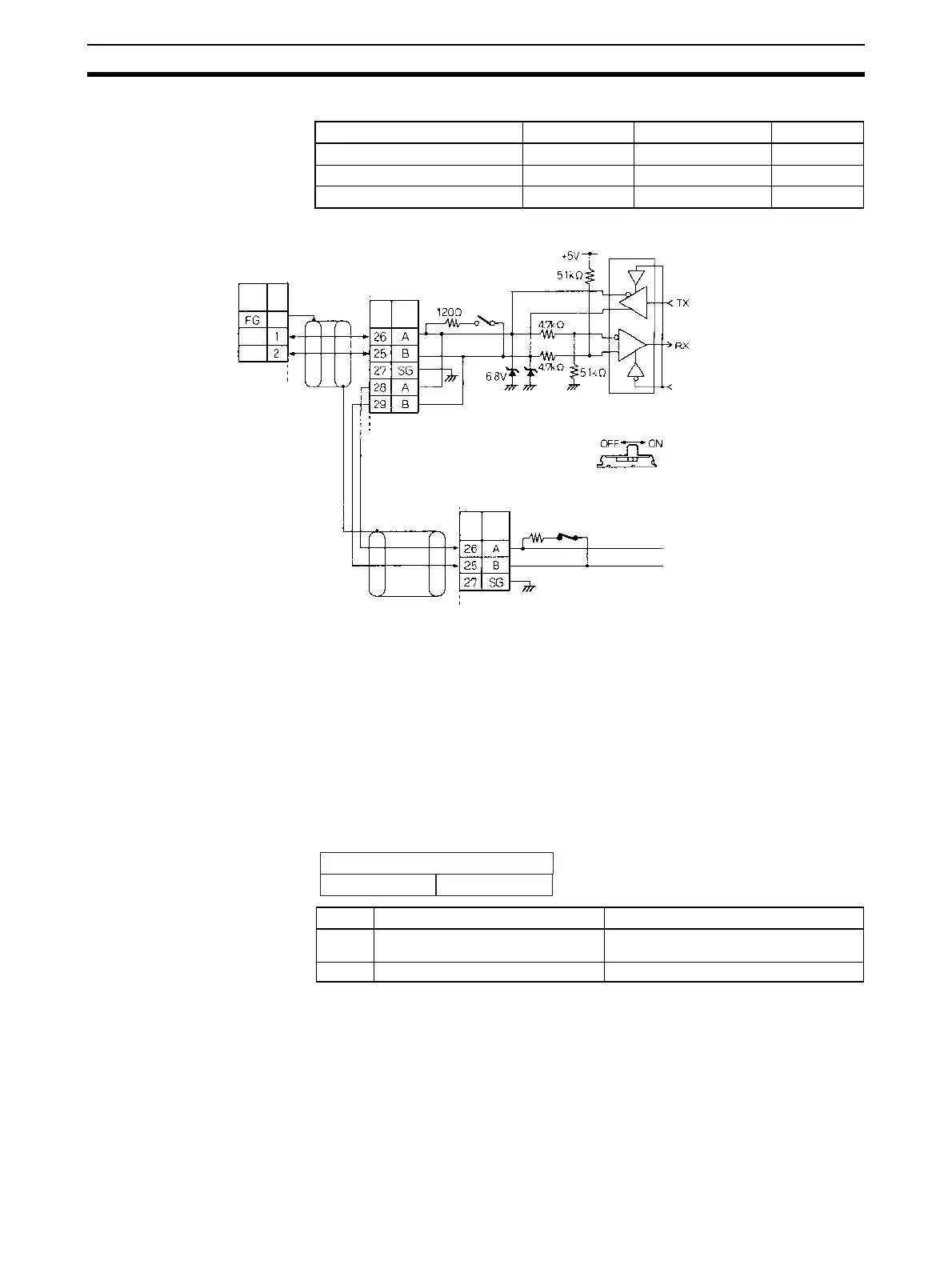
RS-485 2-wire Connections
Note 1. The connection configuration is a one-to-one or a one-to-N configuration. Using a one-to-N configu-
ration, up to 32 units can be connected including the Serial Communications Boards Unit.
2. The maximum cable length is 500 m. Use shielded twisted-pair cable.
3. Connect terminating resistance to the devices only at both ends of the transmission path.
4. The total terminating resistance at both ends must be at least 100
for RS-422A or 54 for RS-485.
Select Remote Mode (Sequence No. 200 (Hex 00C8))
Switches the Controller to remote mode.
Send Data Word Allocation (3rd Operand of PMCR(260))
Receive Data Word Allocation (4th Operand of PMCR(260))
None.
Signal name Abbreviation Signal direction Pin No.
Terminal A A I/O 26, 28
Terminal B B I/O 25, 29
Signal ground SG --- 27
Terminator switch
Serial Commu-
nications Board/Unit
Shield
E5AJ
E5AJ
Shield
Signal
name
Pin
No.
Signal
name
Signal
name
Terminating resist-
ance (240 ) is
connected via the
terminator switch.
Terminating
resistance
SN751177N
or equivalent
Te r-
minal
RS-485: D-sub
9-pin female
RS-485:
Terminal Block
RS-485:
Terminal Block
Te r-
minal
Shell
SDA
SDB
*1: Set the 2-/4-wire switch
to the 2-wire setting.
*2: Turn ON the terminat-
ing resistance switch.
Offset Contents (data format) Data
+0 Number of send data words
(4 digits Hex)
0002 (fixed)
+1 Unit No. (2 digits BCD) 00 to 31
First word of send
data
Number of send data words
+0
+1
(Undefined) Unit No.

Table of Contents

Related product manuals