EasyManua.ls Logo

Omron VARISPEED V7 - Sequence Input Connection with NPN;PNP Transistor

Omron VARISPEED V7
254 pages
Print Icon
To Next Page IconTo Next Page
To Next Page IconTo Next Page
To Previous Page IconTo Previous Page
To Previous Page IconTo Previous Page
Loading...
226
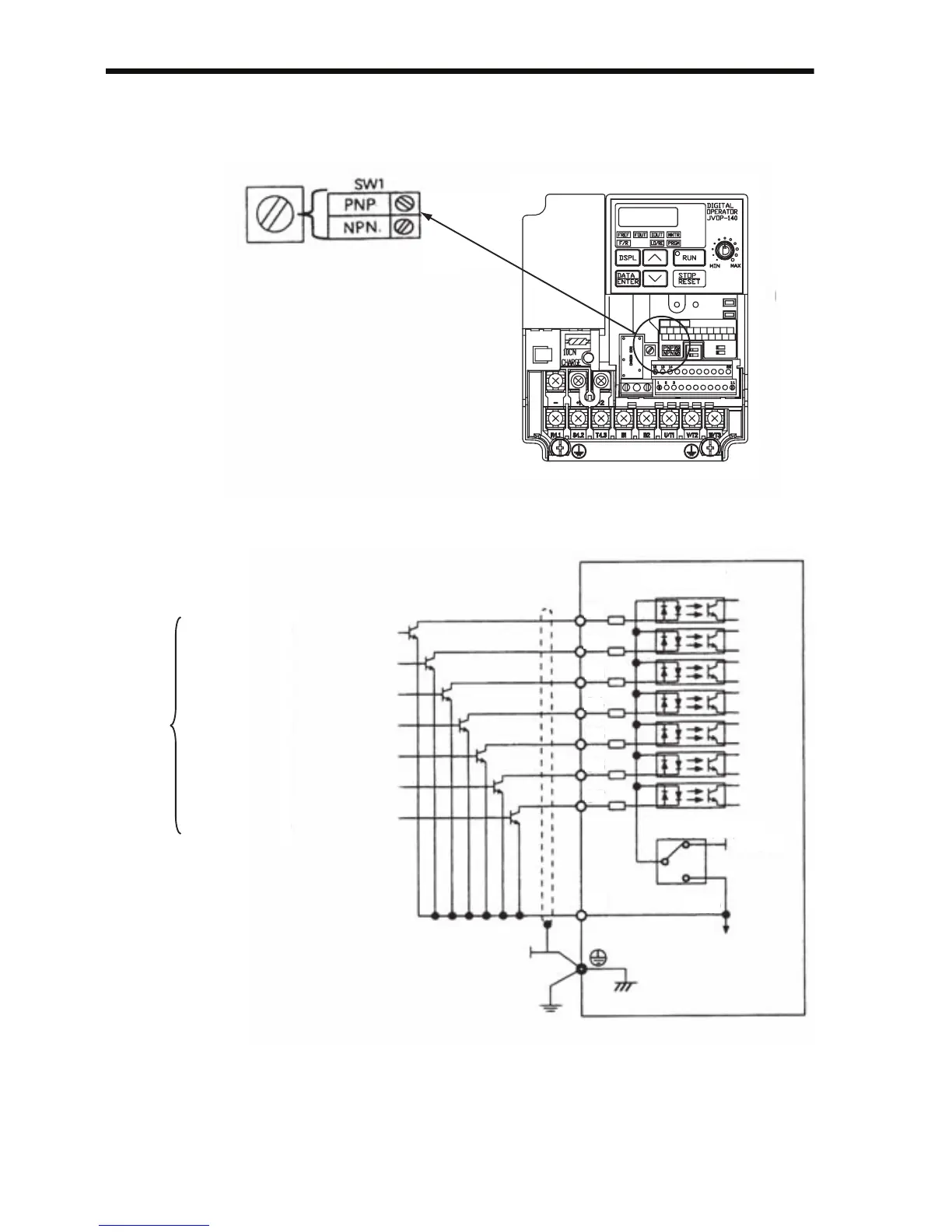
Sequence Input Connection with NPN/PNP
Transistor
Sequence Connection with NPN Transistor (0 V Common)
When connecting sequence inputs (S1 to S7)
with a transistor, turn the rotary switch SW1
depending on the polarity (0 V common: NPN side,
+24 V common: PNP side).
Factory setting: NPN side
⇣Ᏹ䊥
V7AZ
SW1 NPN
PNP
+24 V
SC
S1
S2
S3
S4
S5
S6
S7
Forward Run/Stop
Reverse Run/Stop
External Fault (NO)
Fault Reset
Multi-step Speed Reference 1
Multi-step Speed Reference 2
Jog
Multi-
function
input

Table of Contents

Other manuals for Omron VARISPEED V7

Related product manuals