EasyManua.ls Logo

Onkyo TX SR308

Onkyo TX SR308
81 pages
To Next Page IconTo Next Page
To Next Page IconTo Next Page
To Previous Page IconTo Previous Page
To Previous Page IconTo Previous Page
Loading...
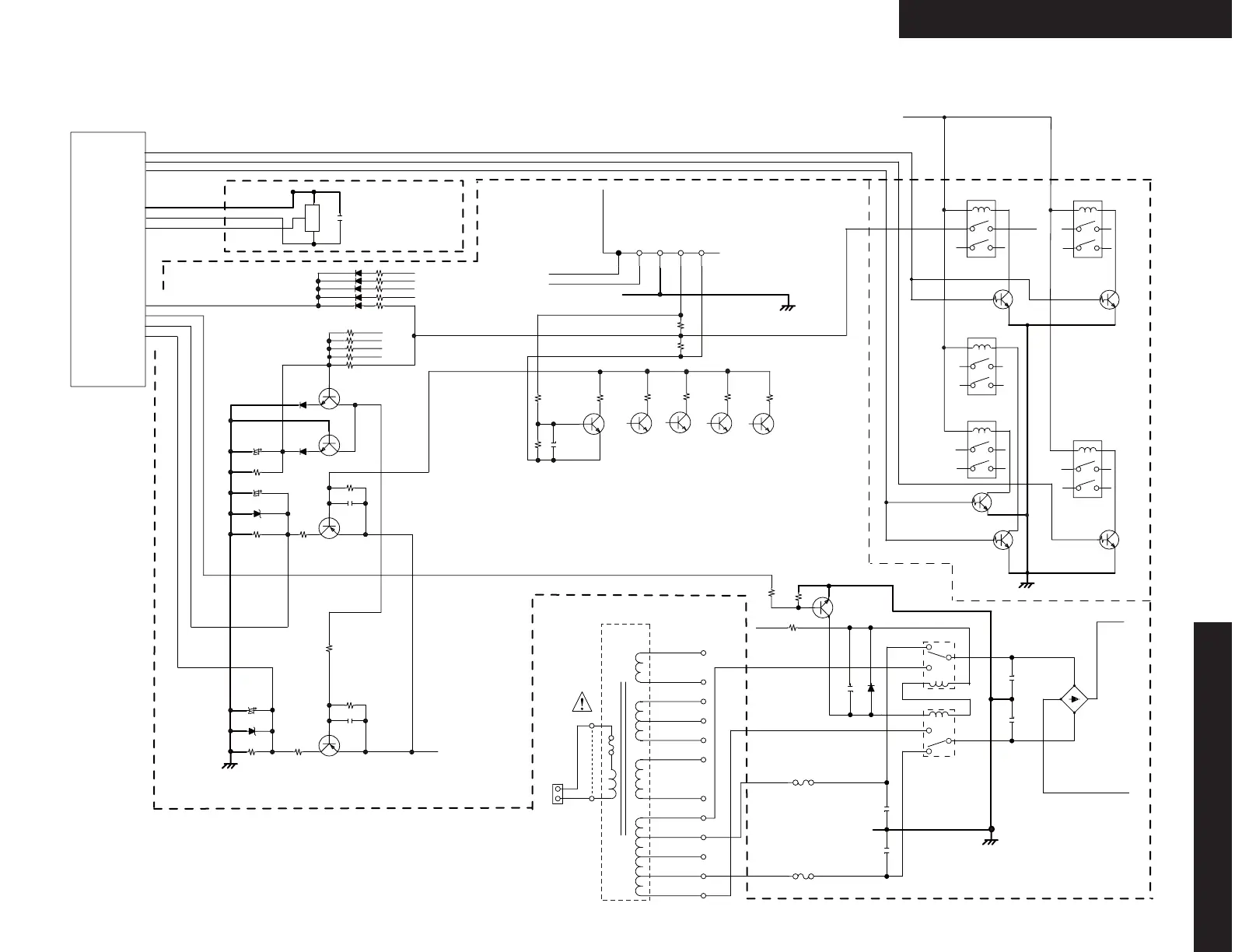
TX-SR308 HT-R280/ 380/ C230
Reference materials, (protect detection)
TX-SR308 HT-R280/ 380/ C230
IPROTECT
VPROTECT
SEC1H
VOLH
*
MPU
R6903
47K
R6902
1K
Q6707
2SC2712-GR
R6197
(1W)
8.2
AC_S1L-
S1L+
S1L-
AC S1H+
AC S1H-
AC_S1L+
F6902
F6901
C6911
102J
D6901
D10XB60H
3
4
2
C6913
334J/100V
SN5051
1
SN5051
1
D6902
1SS352
12
RL6902
NRL-1P10A-DC12-196
4
3
5
2
1
RL6901
NRL-1P10A-DC12-196
5
3
4
1
2
C6915
104J
C6916
104J
C6912
334J/100V
1
3
S3
S2
S4
S1
T901
+49V
--49V
+24V
+3.3VMPU
GNDDG2
Q6380
LM61CIZ
1
G
2
O
3
V
3
2
1
C6631
NM
THERMAL
Q6051
KRC105
RL601
1
3
4 5
2
6
SPL
Q6055
RL603
1
3
4 5
2
6
RL602
1
3
4
5
2
6
Q6053
RL605
1
3
4 5
2
6
Q6057
KRC105
RL607
1
3
4 5
2
6
SP_SL/ SR
SP_FL/ FR
SP_SW
SPB_L/ R
+22V
SP_FL/ FR/ SW
SPB_L/ R
SP_SL/ SR/ C
Amplifier PC board
Amplifier PC board
Thermal Senser
PC board
Speakers Terminal
Power Amplifier IC
KRC105
KRC105
Q6052
KRC105
SP_C
L
C6050
472K
Q6010
2SC2240-BL
R6070
56K
R6080
12K
R6100
33K
FL
R6060
0.22(2W)
1
+Vcc
2
-Vcc
3
GND
4
Ch1+RE
5
Ch1-RE
VPRO
R6120
47K
D6020
R6110
47K
0V
0V
R6219
220K
C6092
1/50
D6034
UDZS3.3B
R6218
10K
R6211
33K
Q6024
2SA1163-BL
R6217
47K
D6031
1SS133
D6032
1SS133
Q6022
2SC2240-BL
C6090
100/25
R6215
NC
C6091
1/50
D6033
UDZS3.3B
R6216
220K
C6093
104Z
R6213
10K
Q6021
2SA1163-BL
R6214
47K
Q6023
2SC2240-BL
C6094
104Z
IPRO
IPROTECT
VPROTECT
+49V
+49V
-49V

Other manuals for Onkyo TX SR308

Related product manuals