EasyManua.ls Logo

Onkyo TX SR308

Onkyo TX SR308
81 pages
To Next Page IconTo Next Page
To Next Page IconTo Next Page
To Previous Page IconTo Previous Page
To Previous Page IconTo Previous Page
Loading...
TX-SR308/ 508 HT-R280/ 380/ 538/ 580/ C230
Reference materials
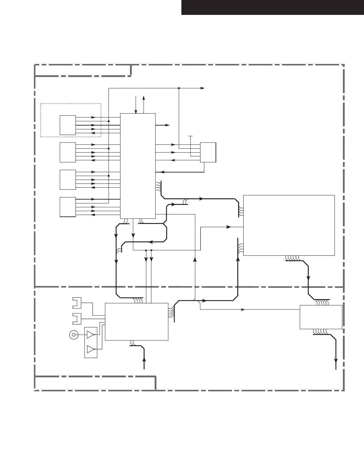
BLOCK DIAGRAMS (
HDMI Video & Digtal Audio Section)
CEC
CEC
CEC
CEC
TMDS
DDC
RPWR
HPD
TMDS
DDC
RPWR
HPD
TMDS
DDC
RPWR
HPD
DDC
RPWR
HPD
TMDS
HPD
DDC
TMDS
I2C
I2S
I2S
CEC
BAHDM-0401 NDMI BOARD
HDMI IN1
HDMI IN2
HDMI IN3
HDMI IN4
TX-SR508, HT-R580
Rx Port A
Rx Port C
HDMI 4Rx Tx
Rx Port B Tx
Rx Port D
ADV7623
Q8101
HDMI OUT
HP DET
+5V
DDC
CEC
TMDS
HP DET
+5V
DDC
CEC
TMDS
HP DET
+5V
DDC
CEC
TMDS
HP DET
+5V
DDC
CEC
TMDS
HP DET
+5V
DDC
CEC
TMDS
+5V Hot Plug
HDMI S/PDIF
Q301
DIR/ 2CH ADC
ARC S/PDIF
HDMI MCK
HDMI LRCK
HDMI BCK
HDMI FLR
Q131 74HCU04F
OP-1
OP-2
COAX-1
ANALOG L/R
Q201 DSP
Q302 6CH DAC
DIR MCK
DIR BCK
DIR LRCK
DIR FLR
DIR MCK
CX LRCK
CX SCLK
DSP SBLR
DSP SLR
DSP CSW
DSP FLR
SBL/ SBR
SL/ SR
C/ SW
FL/ FR
ARC S/PDIF
DIR MCK
HDMI S/PDIF
HDMI LRCK
HDMI SBLR
HDMI CSW
HDMI SLR
HDMI FLR
HDMI SBLR
HDMI CSW
HDMI SLR
HDMI LRCK
HDMI FLR
HDMI MCK
HDMI BCK
BADG-0364 MPU/DIR/DAC BOARD

Other manuals for Onkyo TX SR308

Related product manuals