EasyManua.ls Logo

Open Date Thermocode Series 2 - Power Supply

Default Icon
56 pages
Print Icon
To Next Page IconTo Next Page
To Next Page IconTo Next Page
To Previous Page IconTo Previous Page
To Previous Page IconTo Previous Page
Loading...
Thermocode 2 Printer manual Version 2.04 January 2011 15
15
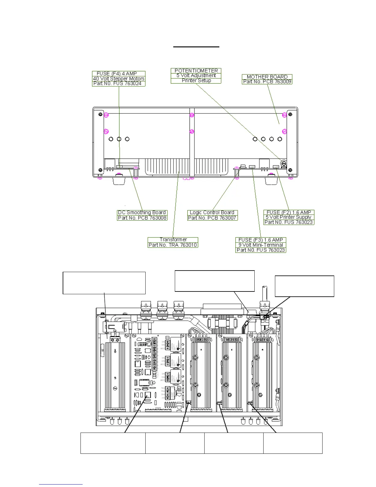
Power Supply
Note: -
All Stepper drive boards are the same.
Part No. PCB 763004
I/O Board
Part No. PCP763005
Pressure Motor Set
to low power
Lower Roller Unit Set
to high power
Ribbon Motor set to
high power
Linear Motor leads
Not used.
Mains fuse 5 amp Anti-surge
Part No FUS
753016
24 Volt DC Switching Board
Part No PCB 763006
Fuse 20 am
p
& USA 15 am
p