EasyManua.ls Logo

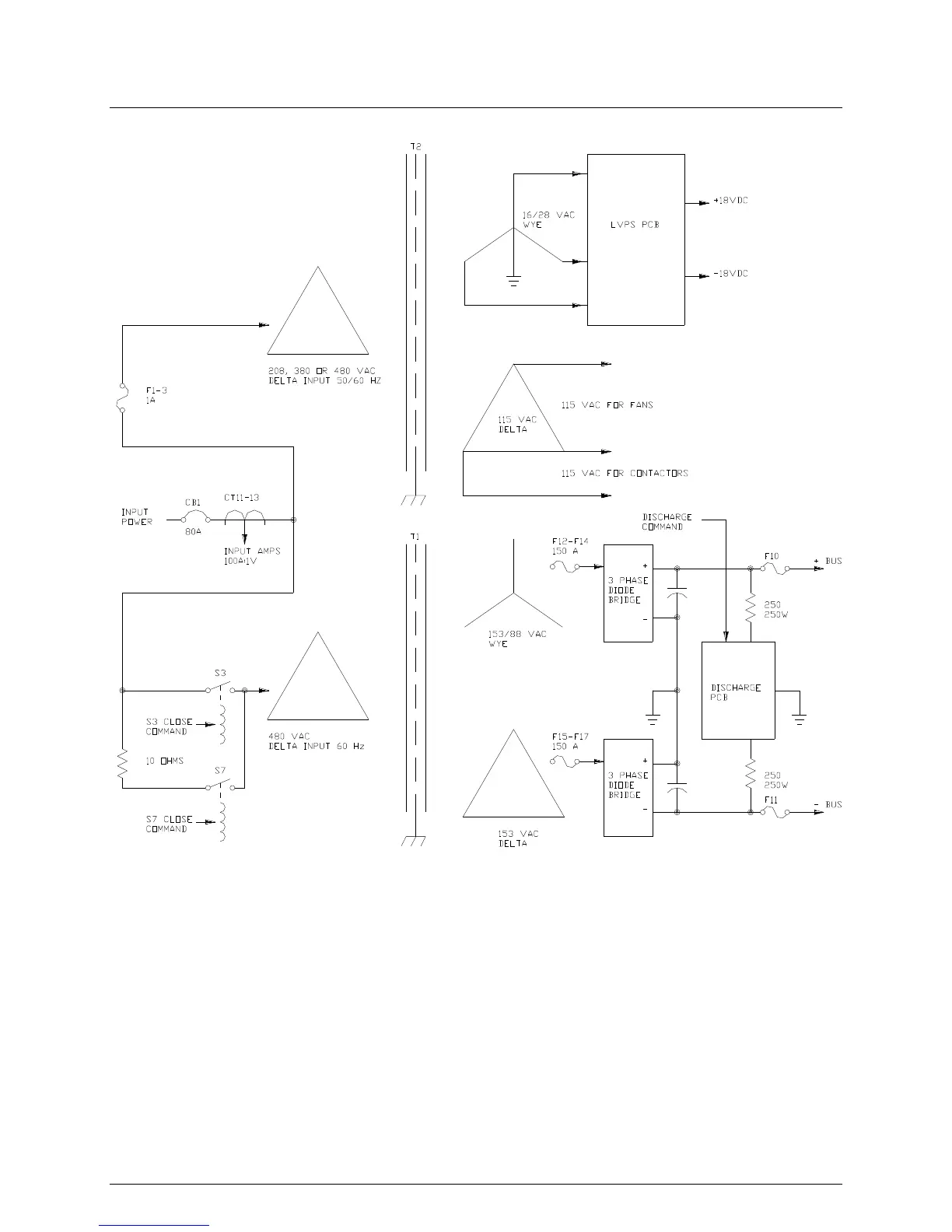
Pacific Power Source MS SERIES - Figure 6.2.3 Block Diagram DC Power Supply

Default Icon
130 pages
Print Icon
To Next Page IconTo Next Page
To Next Page IconTo Next Page
To Previous Page IconTo Previous Page
To Previous Page IconTo Previous Page
Loading...
SECTION 6 SERVICE
Pacific Power Source ©2013 6-16 Document # 126050-10 Rev E
FIGURE 6.2.3 BLOCK DIAGRAM DC POWER SUPPLY

Table of Contents

Related product manuals