EasyManua.ls Logo

Panasonic BB-HCM511A - Exploded View and Replacement Parts List; Cabinet and Electrical Parts Location

Panasonic BB-HCM511A
97 pages
Print Icon
To Next Page IconTo Next Page
To Next Page IconTo Next Page
To Previous Page IconTo Previous Page
To Previous Page IconTo Previous Page
Loading...
86
BB-HCM511A/BB-HCM531A
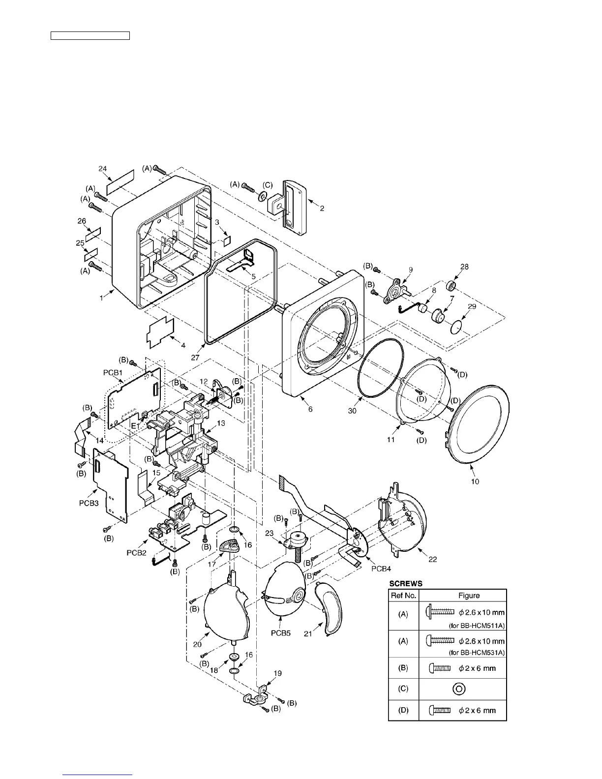
14 Exploded View and Replacement Parts List
14.1. Cabinet and Electrical Parts Location
MAC address label caution
When you replace the CPU board, you must also attach the new MAC address label (included with the replacement CPU
board). Attach the new MAC address label to the unit by placing over the old MAC address label. Make sure the old address
cannot be seen. Throw away the old CPU board. It cannot be reused.
(IF the MAC address of the old CPU board is already registered via DDNS and then used in a different camera, the camera can-
not be used with DDNS service.) Refer to How to Change MAC Address Label (P.43).

Table of Contents

Other manuals for Panasonic BB-HCM511A

Related product manuals