EasyManua.ls Logo

Panasonic BB-HCM511A - PoE Board (PCB3)

Panasonic BB-HCM511A
97 pages
Print Icon
To Next Page IconTo Next Page
To Next Page IconTo Next Page
To Previous Page IconTo Previous Page
To Previous Page IconTo Previous Page
Loading...
69
BB-HCM511A/BB-HCM531A
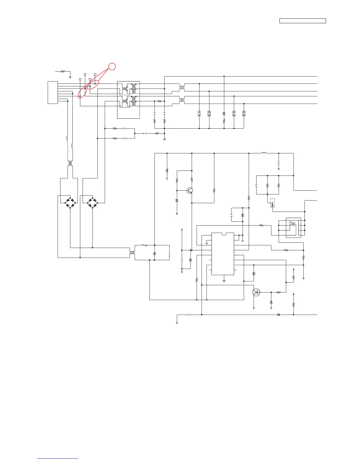
11.4. PoE Board (PCB3)
BB-HCM511A / BB-HCM531A: PoE BOARD (1/2)
D613
Vbr=64.4V
FLT602
12
34
R611
180k/0.25W
C609
NC
R610
180k/0.25W
Q602
30V/2.1A
S
D
G
D609
Vbr=64.4V
D617
200V/1A
IC602
200V/1.8A
7
8
6
5
2
1
3
4
R626
0
C611
470pF/100V
D614
Vbr=64.4V
R615
6.8K/5%
D610
8.2V/5mA
L603
3.3u/0.5A
C608
4.7u/16V
R609
10/5%
C606
47u/80V
C610
1000p/250V
R606
220k/5%
R613
10k/5%
R612
10k/5%
R603
220k/5%
Q601
E
C
B
D611
10V/5mA
IC601
1
ITH/RUN
2
PGND
3
NGATE
4
PVCC
5
RCLASS
6
NC
7
VPORTN
8
NC
9
NC
10
POUT
11
nPWRGD
12
SIGDISA
13
VPORTP
14
SENSE
15
PGND
16
VFB
17
17
R614
100k/5%
+8V
C607
0.068u/100V
+8V
D616
150V/0.1A
12
3
D615
200V/1A
+8V
C612
100V/1uF
CN601
1
TPTX+
2
TPTX-
3
TPRX+
4
NC1
5
NC2
6
TPRX-
7
NC3
8
NC4
DG
SA601
T601
1
2
3
6
7
89
10
11
14
15
16
4
5
13
12
SA602
TP_RXP
TP_RXN
TP_TXP
TP_TXN
FLT601
12
34
C602
0.068u 100V
75
R602
C603
1000p 2kV
C601
0.068u 100V
75
R601
D604
D601D602
D603
D605
D608
D606
D607
L601
1
23
4
L602
1
23
4
F601
63V/0.75A
R608
0
R627
HM121
R629
HM121
R605
45.3/1%
R616
0.068/2%
D622
10V/5mA
DG
R633
601
R630
102
R625
HM121
0
R634
R604
152
R607
152
SA603
SA604
C604
1000p
C605
1000p
TXP
RXP
RXN
(1)
(2)
(3)
(4)
(5)
(6)
(7)
(8)
U1

Table of Contents

Other manuals for Panasonic BB-HCM511A

Related product manuals