EasyManua.ls Logo

Panasonic KX-FLB802CX - Technical Descriptions; 6.1 CONNECTION DIAGRAM

Panasonic KX-FLB802CX
323 pages
Print Icon
To Next Page IconTo Next Page
To Next Page IconTo Next Page
To Previous Page IconTo Previous Page
To Previous Page IconTo Previous Page
Loading...
10
KX-FLB802CX/KX-FLB812CX/KX-FLB802CXS/KX-FLB812CXS
6 Technical Descriptions
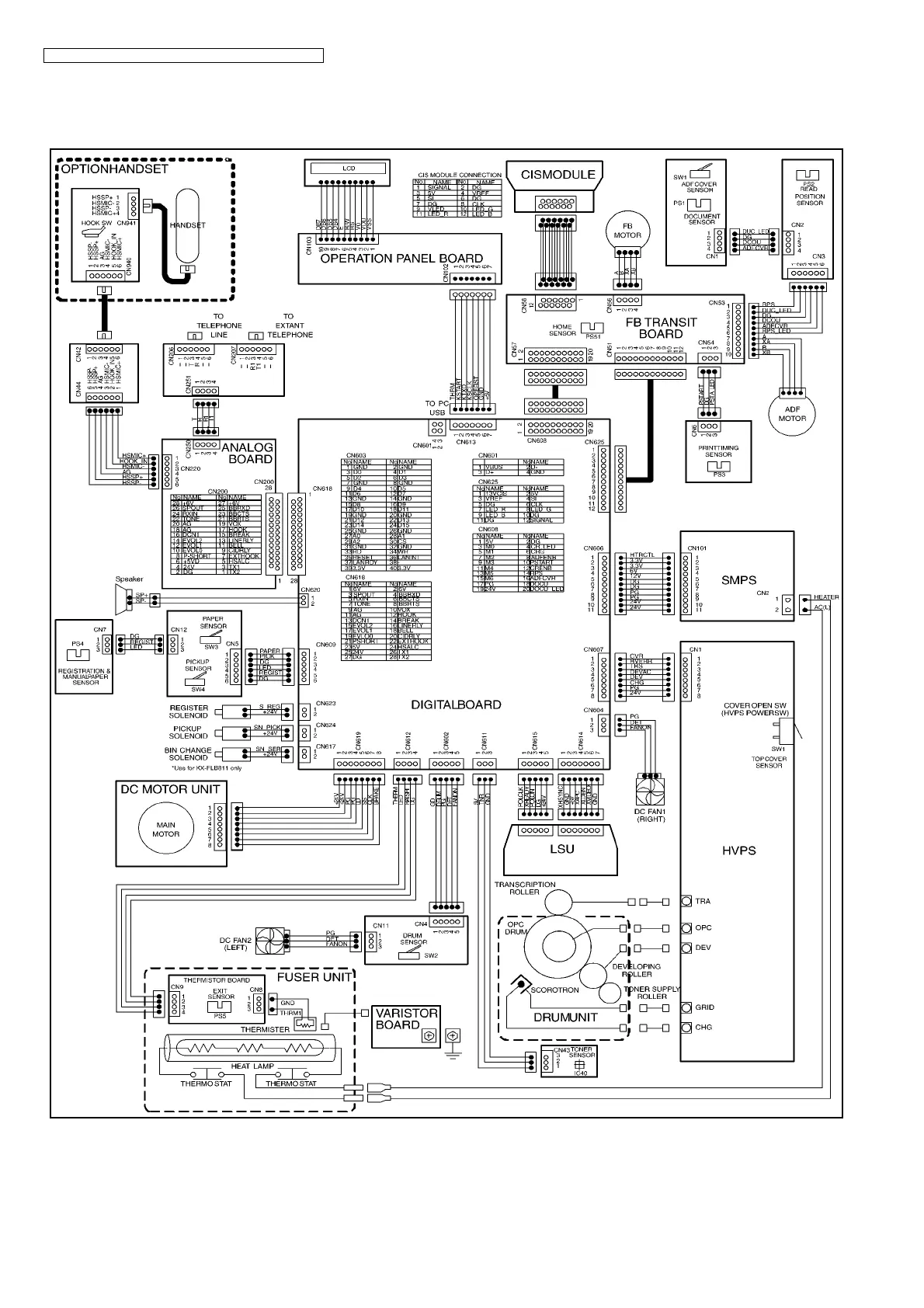
6.1. CONNECTION DIAGRAM

Table of Contents

Related product manuals