EasyManua.ls Logo

Panasonic KX-FLB802CX - Operation Board Section

Panasonic KX-FLB802CX
323 pages
Print Icon
To Next Page IconTo Next Page
To Next Page IconTo Next Page
To Previous Page IconTo Previous Page
To Previous Page IconTo Previous Page
Loading...
58
KX-FLB802CX/KX-FLB812CX/KX-FLB802CXS/KX-FLB812CXS
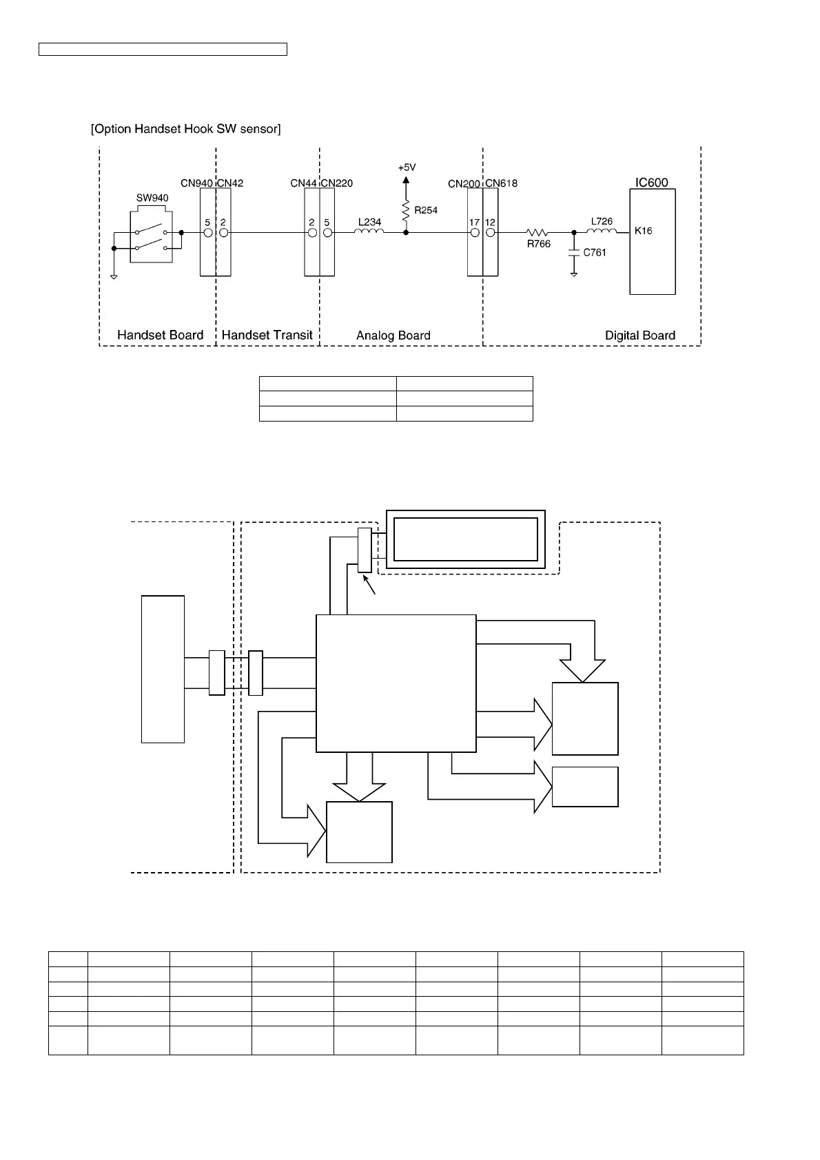
6.13.13. OPTION HANDSET HOOK SWITCH
When the option handset is raised, the switch is turned off, and the signal of IC600-K16pin becomes low level.
When the option handset is settled, the switch is turned on, and the signal of IC600-K16pin becomes high level.
6.14. OPERATION BOARD SECTION
The unit consists of a LCD (Liquid crystal display), KEYs and LEDs (light-emitting diodes). They are controlled by the Gate Array
(IC101) and G/A (IC604: on the DIGITAL BOARD).
The key matrix table is shown below.
1. Key Matrix
a. Hard Scan
*LED7 should be set to KSL4. "8 x 5" key matrix is executed by hardware scanning.
Signal (IC600-K16pin)
ON HOOK High level
OFF HOOK Low level
KIN0 KIN1 KIN2 KIN3 KIN4 KIN5 KIN6 KIN7
KSL0213 STOP FAX MENU Caller ID
KSL1546↑←HELP Auto Answer
KSL2 8 7 9 SET COPY S1 S6
KSL3 FLASH REDIAL MONITOR START S2 ZOOM S7
KSL4
(LED7)
0
*
# RESOLUTION SCAN CONTRAST
CN102CN613
IC604
ASIC
LCD MODULE
CN103
8x5
KEYS
MATRIX
(Hard)
LED
DIGITAL BOARD OPERATION BOARD
GATE ARRAY IC
IC101
3x2
KEYS
MATRIX
(Soft)

Table of Contents

Related product manuals