EasyManua.ls Logo

Panasonic KX-FP215

Panasonic KX-FP215
236 pages
To Next Page IconTo Next Page
To Next Page IconTo Next Page
To Previous Page IconTo Previous Page
To Previous Page IconTo Previous Page
Loading...
178
KX-FP215
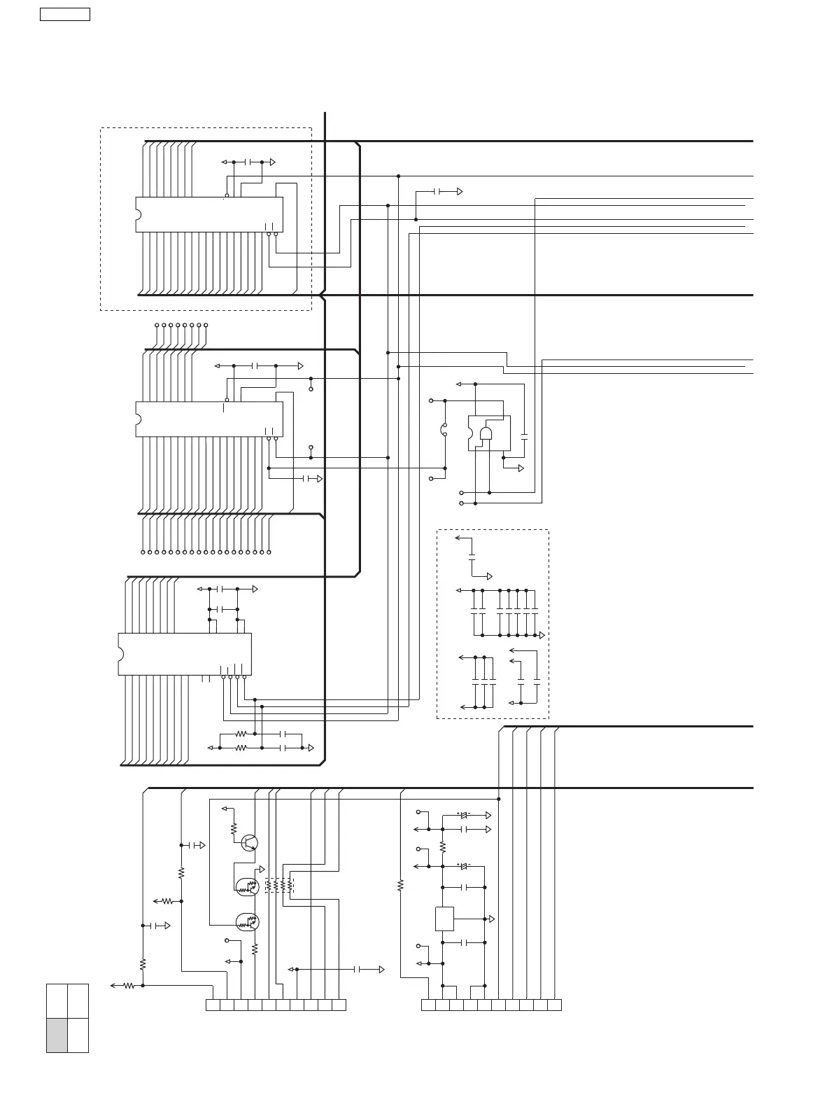
17 Schematic Diagram
17.1. Digital Board (PCB1)
+3.3VD
+3.3VD
+3.3VD
( )
J501
CE1
CE2
+3.3VD
Z1uC507
+6V TO +5V REG
1
VSS
2
VIN
3
VOUT
+6V
+5V
Z1uC509
A0
A1
A3
A2
A5
A6
A4
A7
A10
A11
A8
A9
A14
A15
A12
A13
A16
A17
A18
+3.3VD
WR
RD
1
VCC-1
2
DQ1
3
DQ2
4
DQ3
5
DQ4
6
NC6
7
WE
8
RAS
9
A9R
10
A0
11
A1
12
A2
13
A3
14
VCC-14
15
VSS-15
16
A4
17
A5
18
A6
19
A7
20
A8
21
NC21
22
OE
23
CAS
24
DQ5
25
DQ6
26
DQ7
27
DQ8
28
VSS-28
ROMCS MFCS
+5VA
C511
6.3V47u
+5VA
+5V
+6V
10KR531
10KR534
( )
NCC519
( )
NCC520
Z0.1u
C531
Z0.1u
C532
Z0.1u
C543
Z0.1u
C556
Z0.1u
C541
4.7K
R507
100
R509
K1000p
C508
100R519
4.7K
R510
Q504
22KR529
+2.5VD
+24VA
+5V
+5V
+3.3VD
( )
NCC504
( )
NC
C515
+24V1
CN502
1FILM_CHECK
2MOTOR_POS
3+24V
4HEADON
5THLAT
6STB1
7+3.3V
8TM_TMP
9THCLK
10STB2
CN503
1
THDAT
2
+6V
3
+6V
4
GND
5
GND
6
RXE
7
RM3
8
RM2
9
RM1
10
RM0
D0
D4
D3
D7
D2
D6
D5
D1
( )
NC
C644
( )
NCC645
1
A11
2
A9
3
A8
4
A13
5
A14
6
A17
7
WE
8
VDD
9
A18
10
A16
11
A15
12
A12
13
A7
14
A6
15
A5
16
A4
17
A3
18
A2
19
A1
20
A0
21
D0
22
D1
23
D2
24
VSS
25
D3
26
D4
27
D5
28
D6
29
D7
30
CE
31
A10
32
OE
1
A11
2
A9
3
A8
4
A13
5
A14
6
A17
7
WE
8
VDD
9
A18
10
A16
11
A15
12
A12
13
A7
14
A6
15
A5
16
A4
17
A3
18
A2
19
A1
20
A0
21
D0
22
D1
23
D2
24
VSS
25
D3
26
D4
27
D5
28
D6
29
D7
30
CE
31
A10
32
OE
1
INB
2
INA
3
GND
4
OUT
5
VCC
4.7K
R523
100
R524
K1000p
C514
100
RA503
1
2
3
45
6
7
8
6.3V100u C649
( )
NCC668
( )
NCC669
( )
NCC671
( )
NCC672
( )
NCC673
( )
NCC674
( )
NCC675
( )
NCC676
( )
NCC677
( )
NCC678
( )
NCC679
( )
NC
C680
+3.3VD
+5V
+5V
+5VA
+5V
+3.3VD
( )
NC
C681
+5VA
22
R528
Q501
Q502
A[10]
RBA[1]
RBA[4]
A[9]
D[3]
A[2]
RBA[3]
D[0]
A[5]
D[6]
A[11]
A[0]
RBA[2]
A[12]
D[7]A[7]
D[1]
A[3]
RBA[5]
A[6]
D[2]
A[8]
RBA[0]
A[1]
A[4] D[4]
D[5]
A[4]
A[5]
A[6]
RBA[5]
A[7]
RBA[0]
RBA[1]
RBA[2]
RBA[3]
RBA[4]
D[0]
D[1]
D[2]
D[3]
D[4]
D[5]
D[6]
D[7]
A[0]
A[1]
A[2]
A[3]
A[4]
A[5]
A[6]
A[7]
A[8]
A[9]
A[10]
A[11]
A[12]
RBA[0]
RBA[1]
RBA[2]
RBA[3]
RBA[4]
D[0]
D[1]
D[2]
D[3]
D[4]
D[5]
D[6]
D[7]
RBA[5]
A[0]
A[1]
A[2]
A[3]
A[4]
A[5]
A[6]
A[7]
A[8]
A[9]
A[10]
A[11]
A[12]
RBA[0]
RBA[1]
RBA[2]
RBA[3]
RBA[4]
RBA[5]
D[0]
D[1]
D[2]
D[3]
D[4]
D[5]
D[6]
D[7]
RM1
RM2
RM3
THDAT
TM
HEADON
FILM_CHECK
MOTOR_POS
RM0
RXE
THLAT
STB1
STB2
THCLK
4M FLASH
4M DRAM
FOR PROGRAM
4M FLASH
FOR VOICE
IC502
IC509
IC503
IC507
IC506
1/4
KX-FP215 : Digital Board (1/4)
(1) (2) (3)
(4)
(6)(5) (7)
(8)
(9)
(10)
(11) (12) (13)
(a)

Table of Contents

Related product manuals