EasyManua.ls Logo

Panasonic KX-FP215

Panasonic KX-FP215
236 pages
To Next Page IconTo Next Page
To Next Page IconTo Next Page
To Previous Page IconTo Previous Page
To Previous Page IconTo Previous Page
Loading...
186
KX-FP215
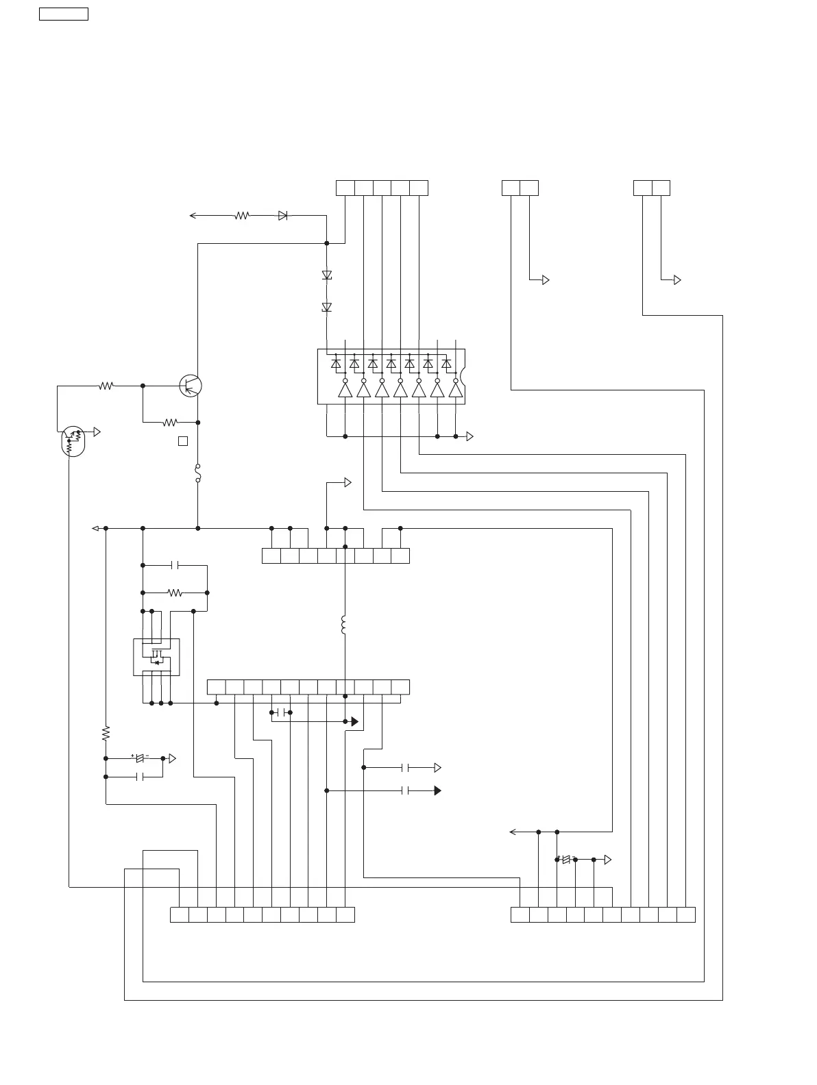
17.5. Interface Board (PCB5)
DG
R403820
R401 5.6K
+6V
1.25A
F401
+24V
IC401
1
2
3
4
5
6
7
8
GND
9
10
11
12
13
14
15
16
DG
Q401
1
2
3
45
6
7
8
Q402
C405 J100p
C404 J100p
C402
Z0.1u
C403Z0.1u
DG
DG
CN409
1
2
DG
CN404
1 COM
2 DATA
3 /STB2
4 GND
5 CLOCK
6TM
7 +3.3V
8 GND
9 /STB1
10 LATCH
11 COM
CN405
1
2
3
4
5
CN411
1
+6V
2
+6V
3
GND
4GND
5
GND
6
+24V
7
+24V
8
+24V
+6V
DG
CN408
1
2
CN403
1
THDA
2
+6V
3
+6V
4
GND
5
GND
6
RXE
7
RM3
8
RM2
9
RM1
10
RM0
CN402
1
FILM_CHECK
2
MOTPOS
3
+24V
4
HEADON
5
THLAT
6
STB1
7
+3.3V
8
TH_TMP
9
THCLK
10
STB2
16V220u
C406
C408
( )
NC
DG
R455
100
C407
35V33u
D401
DG2
L407
DG
DG2
R402
1.5k 1/2W
Q403
R404 220
D402
8.0V
D403
8.0V
TO
MOTOR POSTION
SENSOR
TO THERMAL HEAD
TO MOTOR
M
TO
FILM SENSOR
TO POWER SUPPLY
KX-FP215 : Interface Board

Table of Contents

Related product manuals