EasyManua.ls Logo

Panasonic KX-FP215

Panasonic KX-FP215
236 pages
To Next Page IconTo Next Page
To Next Page IconTo Next Page
To Previous Page IconTo Previous Page
To Previous Page IconTo Previous Page
Loading...
183
KX-FP215
HS TX
HS RX
FAX or HS TX
FAX or HS RX
SA101 310V
+5VA
R149
330
330
R161
C150
K0.01u
C145
6.3V47u
C151
K0.01u
L110
R160
1.5K
( )
C144
NC
R158
1.5K
L111
L112
NC
( )
L113
( )
NC
C146
K0.01u
R148
47K
C137
K4700p
+5VA
L105
NC
1
23
4
( )
C136
NC
JJ101
POS101
( )
ZNR101
NC
( )
C153
NC
( )
JJ106
NC
( )
JJ105
NC
( )
C148
NC
( )
C147
NC
RLY101
-2
12
Q109
R162
0
C149
6.3V47u
( )
C140
NC
D109
12
34
CN102
1
HSMIC+
2
HSMIC-
3
GND
4
HOOK
5
HSSP+
6
HSSP-
( )
NC
R165
+5V
+5V
FG
D108
( )
NC
C134
R146
1M
C143
25V47u
Q108
R157
8.2K
R155
680K
D107
R153
33K
150K
R145
C141
25V33u
D106
150 2W
R167
C142 K0.047u
C139 K0.047uR152 15K
R151 15K
PC105
NC
AK
KA E
C
D112
( )
NCR168
( )
NC
C155
T102
NC
1
23
4
5
( )
NC
C135
( )
NC
R156
RLY102-2
NC
3
5
4
RLY102
-2
NC
12
+5V
( )
D111
( )
JJ104
NC
JJ103
JJ111
JJ112
( )
NC
BEADL104
( )
NC
C133
1000V
SA102
0
R147
RLY101
-2
3
5
4
( )
L106
( )
L107
( )
L108
( )
L109
R150
47K 1/2W
DA101
NC
1
23
CN103
1
a1
2
E(G)
3
a
4
b
5
S(W)
6
b1
CN104
NC
1S
2b1
3a1
4E
250V1u
C138
DA102
1
23
L114
0
Q111
( )
Q110
( )
NC
R154
( )
NC
NC
R134
( )
NC
R164
( )
NCR133
( )
NCJJ114
JJ102
TO TEL LINE
TO EXT. TEL
(13)
(11)
(12)
(10)
(9)
(8)
(7)
(6)
(5)
(4)
(3)
(2)
(1)
(14)
(15)
(16)
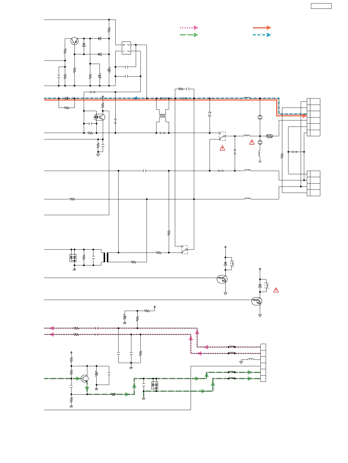
KX-FP215 : Analog Board

Table of Contents

Related product manuals