EasyManua.ls Logo

Panasonic KX-TDA50

Panasonic KX-TDA50
176 pages
To Next Page IconTo Next Page
To Next Page IconTo Next Page
To Previous Page IconTo Previous Page
To Previous Page IconTo Previous Page
Loading...
1.8 Call Center
92 User Manual
1.8.2 Incoming Call Distribution Group Monitor
Monitoring the Status of Waiting Calls
Monitoring and Changing the Log-in/Log-out Status of Extensions
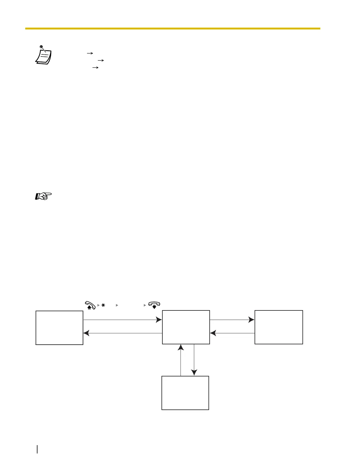
The extension assigned as a Supervisor extension can monitor and control the status of other extensions
in an incoming call distribution group. It should have a PT with 6-line display. The display and DSS buttons
show as follows:
* The status will be as follows:
Ready Not Ready
Not Ready Ready
Wrap-up Not Ready
The Log-in/Log-out of a specified group button light shows the current status as follows:
Off: Log-in mode
Red on: Log-out mode
The Wrap-up button alternates the setting of Wrap-up mode, Not Ready mode or Ready mode.
The Wrap-up button light shows the current status as follows:
Off: Ready mode
Red on: Not Ready mode
Flashing red: Wrap-up mode
In Wrap-up mode/Not Ready mode, your extension does not receive calls through any group,
even if it belongs to multiple groups.
There may be at least one extension in the incoming call distribution group that is in the Log-in
mode.
The Supervisor extension can control the Log-in/Log-out status of other extensions.
For more information, refer to "1.8.2 Incoming Call Distribution Group Monitor".
Customizing Your Phone
3.1.3 Customizing the Buttons
Create or edit a Log-in/Log-out button, a Log-in/Log-out of a specified group button or a
Wrap-up button.
<Display>
Date/Time &
extension no.
<DSS>
Busy Status Monitor
Initial Display
<Display>
Queuing Monitor
<DSS>
Busy Status Monitor
Monitoring the
Call Status
<Display>
Call Log History
<DSS>
Busy Status Monitor
<Display>
Queuing Monitor
<DSS>
Log-in/Log-out Monitor
Monitoring the Call Status
and Log-in/Log-out Statu
s
"SPRVS"
"EXIT""EXIT"
"LOG""EXIT"
739
ICD Group: Incoming Call Distribution Group
ICD Group
extension
no.

Table of Contents

Other manuals for Panasonic KX-TDA50

Related product manuals