EasyManua.ls Logo

Panasonic RF-800UGA - Page 30

Panasonic RF-800UGA
42 pages
Print Icon
To Next Page IconTo Next Page
To Next Page IconTo Next Page
To Previous Page IconTo Previous Page
To Previous Page IconTo Previous Page
Loading...
30
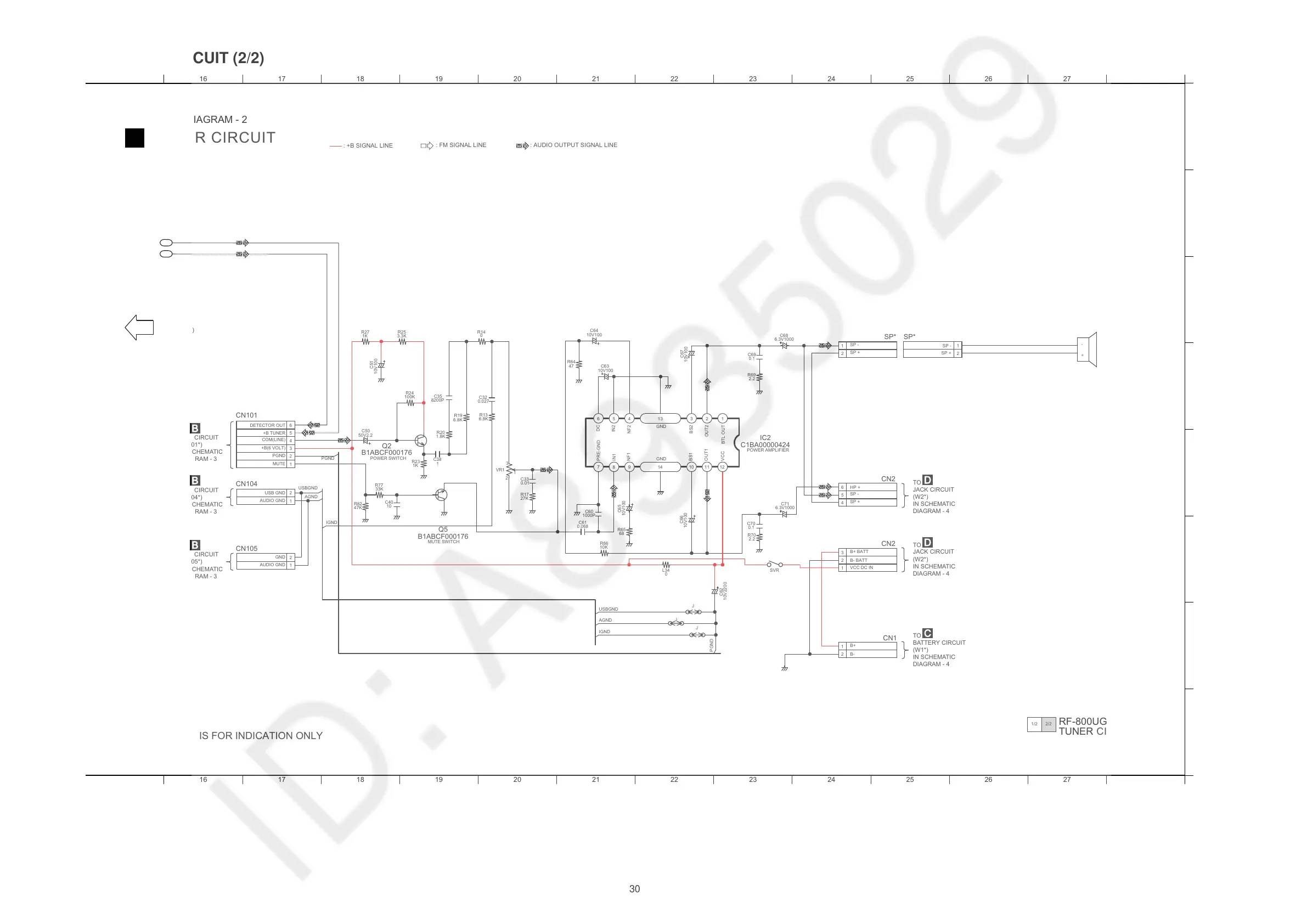
9.3. TUNER CIRCUIT (2/2)
15 16 17 18 19 20 21 22 23 24 25 26 27 28
15 16 17 18 19 20 21 22 23 24 25 26 27 28
A
C
D
B
E
G
H
F
NOTE: “ * ” REF IS FOR INDICATION ONLY
A
TUNER CIRCUIT
SCHEMATIC DIAGRAM - 2
RF-800UGA/GS
TUNER CIRCUIT
2/21/2
TO TUNER
CIRCUIT (1/2)
B
TO
USB CIRCUIT
(W101*)
IN SCHEMATIC
DIAGRAM - 3
USB CIRCUIT
(W104*)
IN SCHEMATIC
DIAGRAM - 3
B
TO
USB CIRCUIT
(W105*)
IN SCHEMATIC
DIAGRAM - 3
B
TO
JACK CIRCUIT
(W2*)
IN SCHEMATIC
DIAGRAM - 4
D
TO
JACK CIRCUIT
(W2*)
IN SCHEMATIC
DIAGRAM - 4
D
TO
BATTERY CIRCUIT
(W1*)
IN SCHEMATIC
DIAGRAM - 4
C
TO
P1
P2
: FM SIGNAL LINE
: +B SIGNAL LINE
: AUDIO OUTPUT SIGNAL LINE
SPEAKER
R23
1K
R69
2.2
6.8K
R13
R20
1.8K
C38
1
3
2
1
VR1
10V100
C67
6.3V1000
C68
1
2
C69
POWER AMPLIFIER
0.1
10V100
C64
R64
47
C35
8200P
0.027
C32
R14
0
R19
6.8K
10V100
C63
C33
0.01
C71
6.3V1000
J
PGND
J
J
L34
0
AGND
IGND
USBGND
10V2200
C62
68
R65
SP*
CN2
CN1
CN2
1
2
SVR
R70
2.2
3
1
2
0.1
C70
0.068
C61
10K
R66
C65
10V100
6
4
5
C66
10V100
R17
27K
C60
1000P
Q5
B1ABCF000176
87 149121110
2315 316 4
IC2
C1BA00000424
R82
47K
33K
R77
10
C40
USBGND
PGND
1
2
AGND
R25
3.3K
R24
100K
R27
1K
C51
10V100
2
4
3
1
6
5
CN101
CN104
50V2.2
C50
POWER SWITCH
MUTE SWITCH
Q2
B1ABCF000176
IGND
BS2
OUT2
BTL OUT
DC
NF2
IN2
GND
SP +
SP -
B-
B+
SP -
SP +
B+ BATT
HP +
B- BATT
IN1
PRE-GND
BS1
VCC
NF1
OUT1
GND
DETECTOR OUT
USB GND
AUDIO GND
1
2
CN105
GND
AUDIO GND
PGND
MUTE
COM(LINE)
+B(6 VOLT)
+B TUNER
1
2
SP*
SP +
SP -
+
-
VCC DC IN

Related product manuals