EasyManua.ls Logo

Panasonic RF-800UGA - USB CIRCUIT

Panasonic RF-800UGA
42 pages
Print Icon
To Next Page IconTo Next Page
To Next Page IconTo Next Page
To Previous Page IconTo Previous Page
To Previous Page IconTo Previous Page
Loading...
31
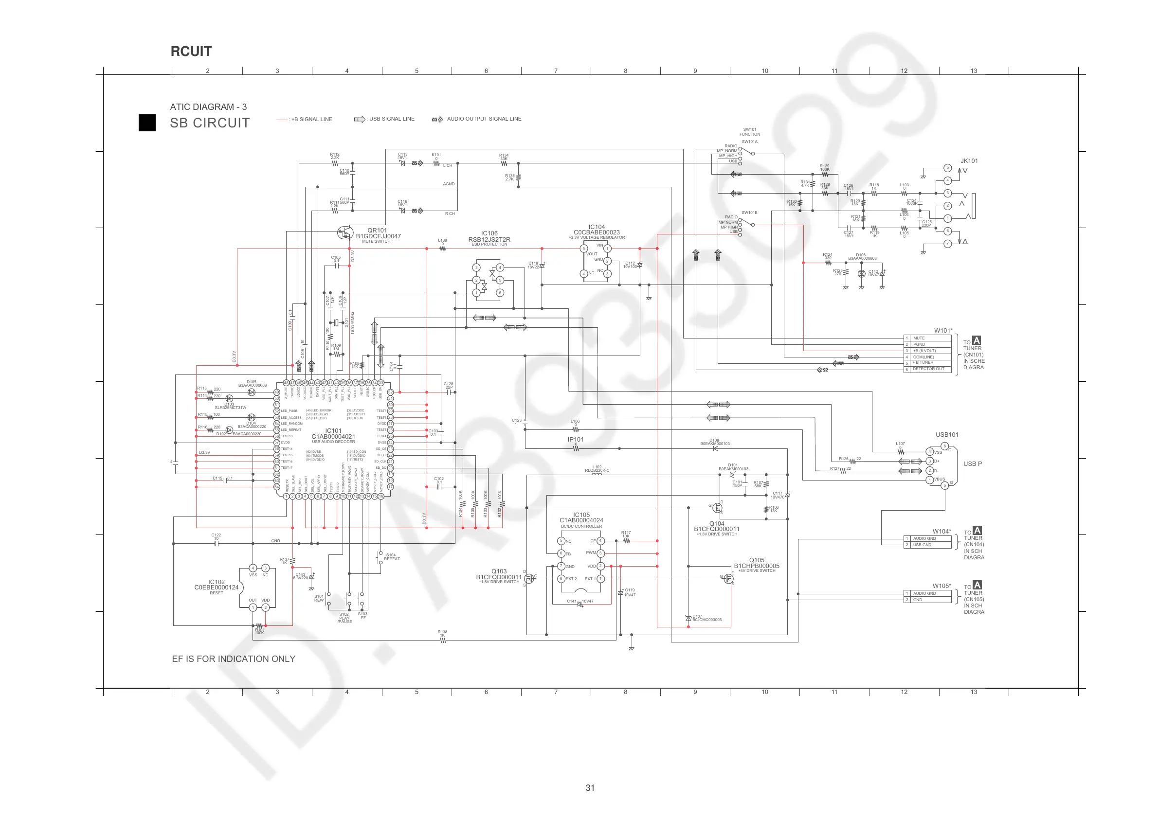
9.4. USB CIRCUIT
A
1
2 3 4 5 6 7 8 9 10 11 12 13 14
1 2 3 4 5 6 7 8 9 10 11 12 13 14
C
D
B
E
G
H
F
A
C
D
B
E
G
H
F
RF-800UGA/GS
USB CIRCUIT
NOTE: “ * ” REF IS FOR INDICATION ONLY
SCHEMATIC DIAGRAM - 3
USB CIRCUIT
B
A
TO
TUNER CIRCUIT
(CN101)
IN SCHEMATIC
DIAGRAM - 2
A
TO
TUNER CIRCUIT
(CN104)
IN SCHEMATIC
DIAGRAM - 2
A
TO
TUNER CIRCUIT
(CN105)
IN SCHEMATIC
DIAGRAM - 2
: +B SIGNAL LINE
: AUDIO OUTPUT SIGNAL LINE
: USB SIGNAL LINE
100K
R129
S
D
G
Q103
B1CFQD000011
R126
22
C123
1
C118
16V22
L104
L105
C125
R120
18K
R121
18K
15K
R130
C127
16V1
1K
R119
13K
R106
S
D
G
S
D
G
Q104
B1CFQD000011
10V47
C119
10V47C141
10K
R117
6
7
5
2
4
3
81
C1AB00004024
IC105
B0JCMC000006
D107
Q105
+4V DRIVE SWITCH
68K
R107
C117
10V470
10V100
C112
D108
B0EAKM000103
3
1
2
4
5
C0CBABE00023
IC104
IP101
L107
0
L106
0
0
2
5
G
1
4
6
G
3
L102
RLQB220K-C
150P
C101
B0EAKM000103
D101
D106
B3AAA0000608
C142
10V47
330
R124
2
4
3
1
6
5
W101*
1
2
R125
270
C124
1000P
220P
1
4
3
2
6
7
5
JK101
MUSIC PORT
C126
16V1
R131
4.7K
R128
33K
1K
R118
L103
0
0
0
R112
2.2K
R135
2.7K
C113
16V1
16V1
R134
33K
0
K101
C110
560P
560P
C105
0.1
C108
10
S102
S101
100
R110
16.9344MHz
X101
12P
C106
12P
C107
1M
R109
1K
R137
100K
R101
C122
10
1
4
2
3
IC102
C0EBE0000124
D105
B3AAA0000608
D104
B3ACA0000220
R114
220
SLR325MCT31W
D103
R113
220
100
R115
C109
0.1
R116 220
C114
0.1
D102
B3ACA0000220
0.1
C115
6.3V220
C143
R111
2.2K
3 4
1
2
6
5
IC106
RSB12JS2T2R
ESD PROTECTION
C103
0.1
C128
22P
C102
0.1
100K
R103
100K
R102
100K
R104
100K
R105
R108
12K
C116
MUTE SWITCH
S104
S103
C104
0.1
4748 4445 4041 36 3335 343839 3743 4246
1
62
63
60
61
59
64
53
49
50
51
52
55
56
57
58
54
8794 65
21
17
20
19
18
22
23
24
1612 1310 11 1514
2 3
31
32
27
28
29
30
25
26
IC101
C1AB00004021
GND
D3.3V
D3.3V
D3.3V
D3.3V
C111
RADIO
B1CHPB000005
SW101B
MP HIGH
MP NORM
USB
[51] LED_PSD
LED_PUSB
LED_ACCESS
LED_REPEAT
LED_RANDOM
RDACO
DAVSS
VCDACO
[50] LED_PLAY
VSS_PLL
XIN_PLL
XOUT_PLL
[49] LED_ERROR
DAVDD
A_MUTE
LDACO
DVDD
[30] TEST8
TEST6
TEST7
TEST5
REXTI
VOREFI
VSS
D+
VBUS
D-
AVSSC
VOUT
VIN
GND
+3.3V VOLTAGE REGULATOR
NC
NC
R CH
VDD_PLL
[32] AVDDC
[31] ATEST1
USB_DM
USB_DP
QR101
B1GDCFJJ0047
TEST_PLL
SDA/KEY_ROW4
FF
RESETX
SEL_VOL
SEL_DOUT
[64] DVDDIO
SEL_SLAVE
SEL_MP3
TEST2
TEST1
SEL_UTPKT
SEL_APPLY
VDDOUT
NCVSS
RESET
PLAY
/PAUSE
REW
SCL/KEY_ROW3
[18] DVDDIO
[19] SD_CON
[17] TEST3
DVDD
TEST13
TEST15
TEST16
USB AUDIO DECODER
TEST14
MCHNG/KEY_ROW1
[62] DVSS
TEST17
[63] TMODE
BUSY/KEY_ROW2
SD_CS
REPEAT
A2/KEY_COL3
VDD
FB
NC
PWM
CE
GND
+1.8V DRIVE SWITCH
+1.8V DRIVE SWITCH
EXT 1
EXT 2
DC/DC CONTROLLER
SD_DI
SD_CLK
A1/KEY_COL2
A0/KEY_COL1
SD_DO
DVSS
TEST4
USB
SW101A
SW101
FUNCTION
RADIO
MP_HIGH
MP_NORM
L CH
AGND
PGND
+B (6 VOLT)
MUTE
USB GND
+ B TUNER
AUDIO GND
COM(LINE)
DETECTOR OUT
USB101
W104*
1
2
GND
AUDIO GND
W105*
USB PORT
R127
22
1K
R138
L108
0

Related product manuals