EasyManua.ls Logo

Panasonic RF-800UGA - Tuner Circuit (1;2); Tuner Circuit (2;2)

Panasonic RF-800UGA
42 pages
Print Icon
To Next Page IconTo Next Page
To Next Page IconTo Next Page
To Previous Page IconTo Previous Page
To Previous Page IconTo Previous Page
Loading...
29
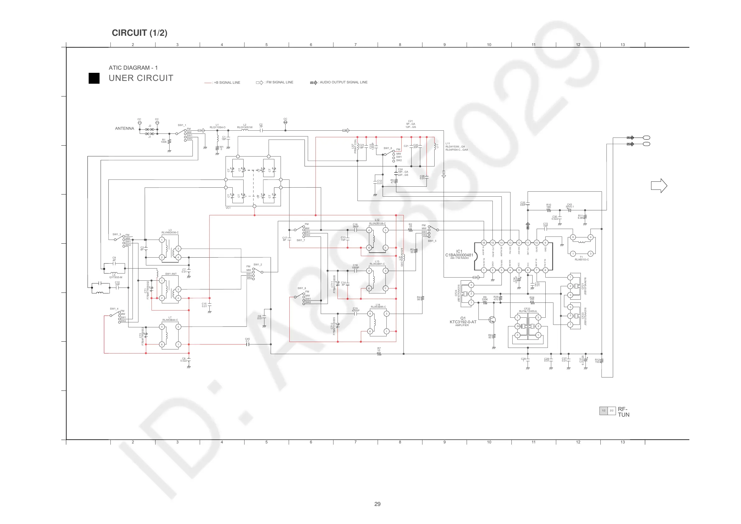
9.2. TUNER CIRCUIT (1/2)
A
1
2 3 4 5 6 7 8 9 10 11 12 13 14
1 2 3 4 5 6 7 8 9 10 11 12 13 14
C
D
B
E
G
H
F
A
TUNER CIRCUIT
SCHEMATIC DIAGRAM - 1
RF-800UGA/GS
TUNER CIRCUIT
2/21/2
TO TUNER
CIRCUIT (2/2)
P1
P2
: FM SIGNAL LINE
: +B SIGNAL LINE
: AUDIO OUTPUT SIGNAL LINE
C14
4P
C23
18P
L32*
15P
C13
C73
0.01
56
R4
J0B1075AA016
CF24
R29
470
R28
100
330K
R9
AMPLIFIER
AM / FM RADIO
3
1
1
2
2
CF21
J0B1075AA016
C18
1500P
R5
47
C24
18P...GA
22P...GS
C21
C21
5P...GA
12P...GS
50V0.1
C43
R10
18K
C25
330P
R11
6.8K
C30
0.022
C26
0.01
L11
L11
RLD4Y53W...GA
RL04P004-C...GAA
C20
20P
C34
10V47
75 64321
3
2
1
1012141516 13 11
8
9
IC1
C1BA00000481
33
R3
L31
G0C100KA0029
C72
15P
6 4
13
T1
RLI4B153-C
R2
33
C12
0.01
C22
1200P
6
4
1
3
RL0N3B91-C
L13
6
4
1
3
RL0N2B108-C
L12
C16
360P
R7
10
R12
150
R8
82
Q1
KTC3192-0-AT
3
1
1
22
CF22
RLFNLTZ455JL
3
X
1
C28
0.01
C29
0.01
C27
C31
6.3V220
C19
4700P
3
CF23
J0B1075AA016
6
4
1
3
RL0N3B95-C
L14
0.01
C15
CTCT
CC
C6
0.01
8P
C17
CT
CT
RLQY30S1W
L2
CT
CT
C2
7P
C7
0.01
CT11
F7BAF1100005
C45
0.1
0.022
C8
CT12
F7BAF1100005
F7BAF7R00002
CT2
6
4
1
3
RLAN3B44-C
L7
RLQY30S4W
L4
0
W1
CTCT
18P
C1
CC
100K
R1
CC
ANTENNA
J1
J2
C11
10P
CT1
F7BAF7R00002
RLQY10S4-O
L1
C3
4P
C9
4P
L5
RLQY15G5-M
C10
33P
3
4
1
2
3
4
1
2
L3
RLVN5D036-C
PRINT COIL
FM
MW
SW2
SW1
FM
MW
SW1_6
SW1
SW2
FM
MW
FM
SW1
SW2
SW2
MW
SW1
VCC
AM IF IN
QUAD
GND1
AM/FM SW
FM MIX
AGC
FM OSC
AM OSC
DET OUT
AM MIX
GND2
FM IF IN
AM RF IN
FM RF OUT
FM RF IN
SW1_5
FM
MW
SW1
FM
MW
SW2
SW1
MW
FM
SW1
SW2
SW2
SW1_1
SW1_3
SW1_4
SW1_2
SW1_7
SW1_8
VC1
SW1 ANT
FM
MW
SW2
SW1

Related product manuals