EasyManua.ls Logo

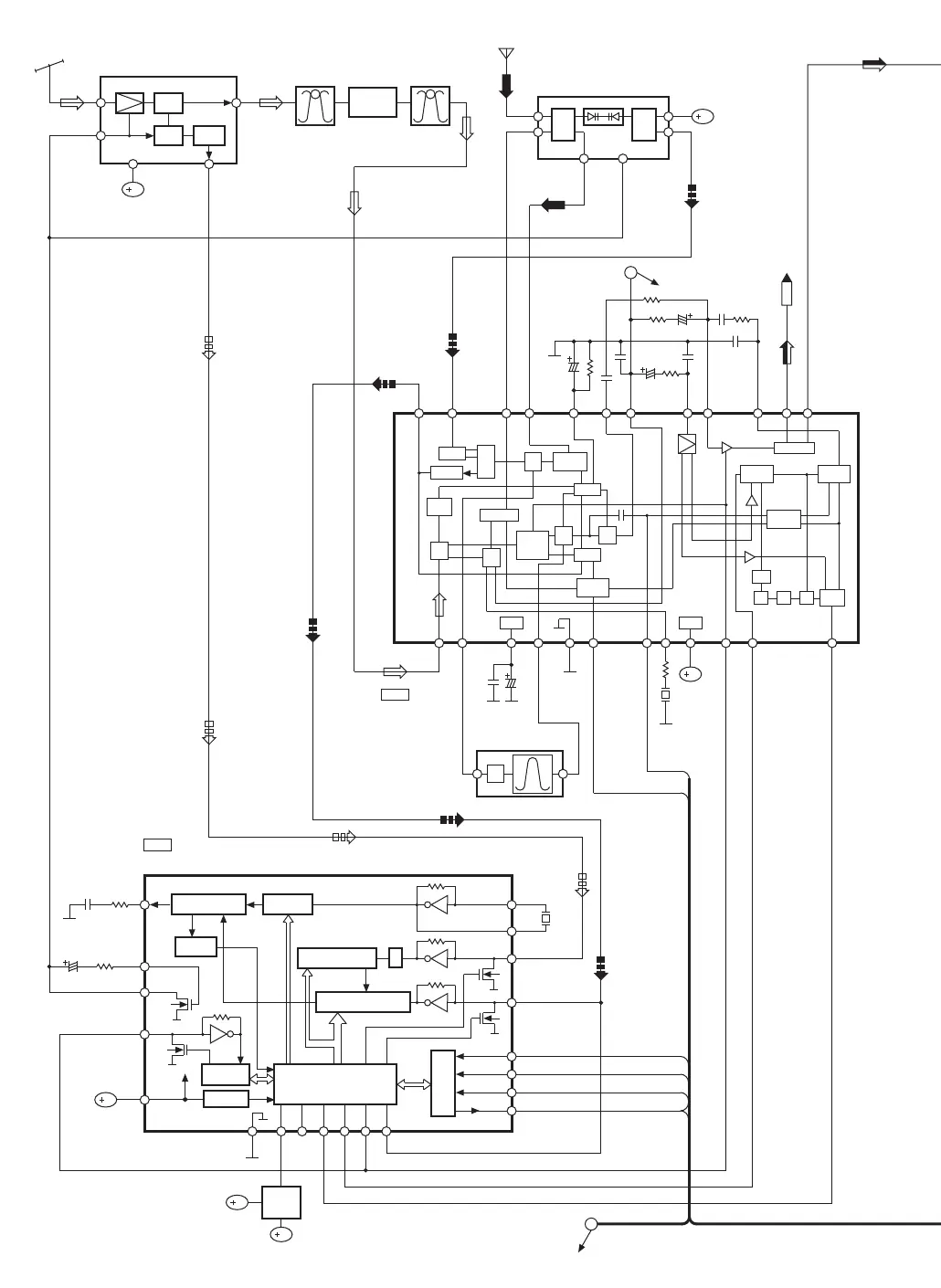
Panasonic SA-PM28E - Schematic Diagram - 3 (Continued); B MAIN (TUNER) CIRCUIT

Panasonic SA-PM28E
169 pages
Print Icon
To Next Page IconTo Next Page
To Next Page IconTo Next Page
To Previous Page IconTo Previous Page
To Previous Page IconTo Previous Page
Loading...
AM
IFT
Z102
B
AM ANT
Z101
AM
ANT
COIL
AM
OSC
COIL
(FM)
B
B
B
B
RCH
A
X103
IC101
LA1833NMNTLM
IF & MPX IC
(TUNER)
IC102
LC72131MDTRM
PLL IC (TUNER)
B
FFFFFF
VCO
PILOT
DET
STEREO
SWITCH
PHASE
DET
PILOT
CANCEL
DECODER
REG
TUNING
DRIVE
COMP
AM
IF
AGC
AM
RM AMP
AM
MIX
S-CURVE
FM
DET
FM
IF
ALC
BUFFER
AM
OSC
LEVEL
DET
REG
AM/FM
IF
BUFFER
AM
DET
PHASE DETECTOR
CHARGE PUMP
UNLOCK
DETECTOR
UNIVERSAL
COUNTER
POWER ON
RESET
SHIFT REGISTER LATCH
SWALLOW COUNTER
1/6,1/17,4 BITS
REFERENCE
DIVIDER
C2B
I/F
1
2
(FM)
Q106
12 BITS PROGRAMMABLE
DIVIDER
TUNER
SUPPLY
SWITCH
B
FM ANT
Z120
8
(FM)
MIXER
OSC
BUFFER
RF AMP
6
5
1 7
CF201 CF202
SWITCHING
Q101,Q102
TO CD DRIVE BLOCK
X102
24
23
22 21
20 19 18
17
16 15
14
13
1
2
3
4 5
6
7
8
9
10
11
12
19 10
7
12
6 9 8
CE
2
PLLCE
DI
3
PLLDA
CL
4
PLLCK
DO
5
ST/DO
13
14
20
1
ST
SD
SD
ST/DO
16
17
18
11
15

Related product manuals