EasyManua.ls Logo

Panasonic SA-PMX100 - Page 43

Panasonic SA-PMX100
74 pages
Print Icon
To Next Page IconTo Next Page
To Next Page IconTo Next Page
To Previous Page IconTo Previous Page
To Previous Page IconTo Previous Page
Loading...
43
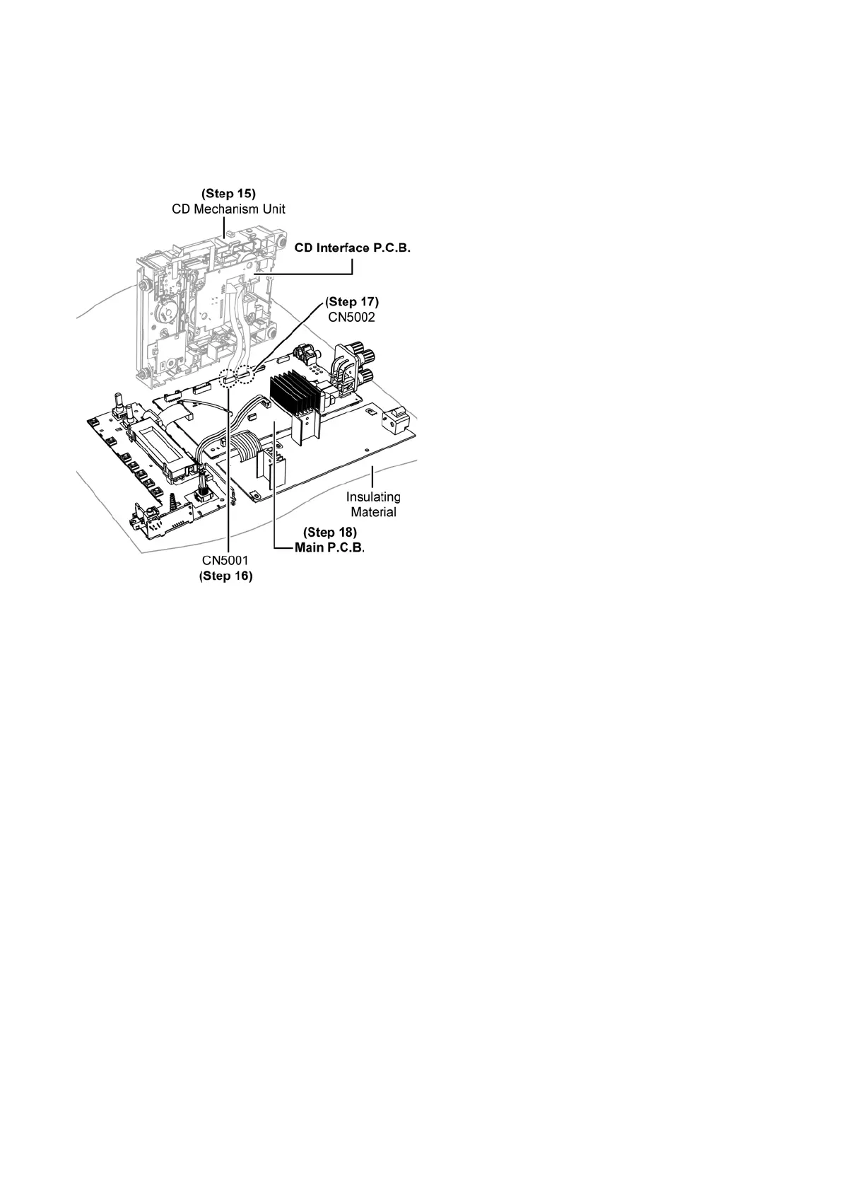
Step 15 : Place CD Mechanism Unit on an insulated material.
Step 16 : Connect 10P FFC at connector (CN5001) on Main
P.C.B..
Step 17 : Connect 24P FFC at connector (CN5002) on Main
P.C.B..
Step 18 : Check Main according to the diagram shown.

Table of Contents

Related product manuals