EasyManua.ls Logo

Panasonic SA-PMX100 - Relay Circuit (1;2)

Panasonic SA-PMX100
74 pages
Print Icon
To Next Page IconTo Next Page
To Next Page IconTo Next Page
To Previous Page IconTo Previous Page
To Previous Page IconTo Previous Page
Loading...
54
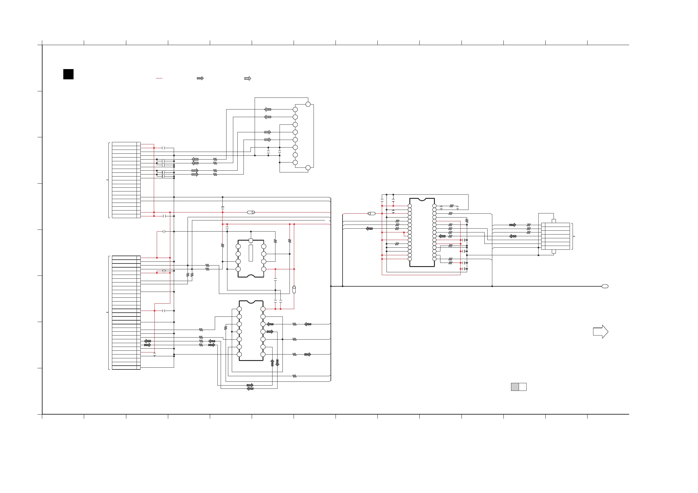
12.3. RELAY CIRCUIT (1/2)
A
1
2 3 4 5 6 7 8 9 10 11 12 13 14
1 2 3 4 5 6 7 8 9 10 11 12 13 14
C
D
B
E
G
H
F
E
RELAY CIRCUIT
SCHEMATIC DIAGRAM - 2
SA-PMX100EG RELAY CIRCUIT
2/21/2
TO RELAY
CIRCUIT (2/2)
P1
: +B SIGNAL LINE
: AUDIO SIGNAL LINE
: USB/LAN SIGNAL LINE
C7000
0.1
C7001
0.1
10
7
3
4
6
5
8
9
1
2
CN7001
6
7
5
9
14
11
10
13
12
17
18
15
16
8
1
3
4
2
20
19
CN8022
0.1
C8316
0.1
C8315
R8273
100
R8310
100
R8272
47
47R8274
0.1
C8314
0
R8275
0
R8276
R8278
0
R8277
0
0.1
C8311
C8284 8P
C8283 8P
C8282 8P
C8285 8P
0.1
C8313
C8312
0.1
6
7
5
9
25
24
26
21
20
22
17
18
13
10
12
11
16
14
15
19
23
28
27
8
1
3
4
2
29
30
CN8021
TO ALLPLAY MODULE
TO ALLPLAY MODULE
C8318
0.1
J0JHC0000118
LB8163
10
C8310
2.2K
R8302
0
R8332
0
R8333
C8266
0.1
C8329
100P
C8317
0.01
2.2K
R8301R8300
0
J0JYC0000656
LB8164
6
7
T1
5
2
4
3
8
THERMAL PAD
1
IC8201
MFI337S3959
COPROCESSOR
R8316 100
R8327 100
R8269 100
R8270
100
R8271100
5
6
4
1
2
3
9
11
13
14
12
10
7 8
IC8106
C0JBAZ001876
QUAD INVERTER
R8318 0
R8317 0
NXP_SEL
SDTO
CT
CT
NC
RX-
RX+
GND
TX-
TX+
HS_UART_RX
GND
GND
GND
GND
GND
MR_GPIO15
JTAG_TMS
JTAG_TDO
MR_RST
MR_TXD=>
MR_RXD<=
PW_3R3V_MR
PW_3R3V_MR
PW_3R3V_MR
FETX0_DPM
FETX0_DPP
JTAG_TCK
JTAG_TDI
FERX0_DPM
FERX0_DPP
PW_3R3V_MR
PW_3R3V_MR
V_ETH_CTAP
MR_SCL(I2C)
MR_SDA(I2C)
PW_3R3V_MR
HS_UART_TX
PW_3R3V_MR
GND
GND
GND
GND
GND
SPI_CS
GND
SPI_CLK
SPI_MOSI
SPI_MISO
MR_GPIO04
PW_3R3V_MR
PW_3R3V_MR
MR_LRCK(I2S)
MR_BCK(I2S)
MR_DATAIN(I2S)
MR_MCLK(I2S)
USBDATA_DPP
USB_DATA_DPM
MR_DATAOUT(I2S)
MR_GPIO12
MR_GPIO11
I2C_SCL
VCC
RESET
NC
VSS
I2C_SDA
NCNC
4OE
VCC
3A
3OE
3Y
4A
4Y
1A
1OE
2A
2Y
GND
1Y
2OE
MR_RESET
DGND
HS_UART_TX
HS_UART_RX
PW_3.3V_MR
ALL_SDATA
ALL_BCLK
ALL_LRCK
LAN
0R8330
R8324 0
R8334 100
R8335 100
R8336
100
0
R8308
R8312 0
R8311 0
R8313 0
R8322 0
DGND
ALL_BCLK
ALL_LRCK
ALL_DATA
J0JYC0000656
LB8269
R8307
1K
1
C8322
0.1
C8328
0.1
C8327
0.1
C8326
100P
C8325
C8323
2200P
10
C8321
0.1
C8320
0.1
C8319
0R8323
R8309 33
R8306 33
R8305
33
R83210
R83290
29
7
24
8
9
23
26
27
6
25
16 15
10
11
12
13
19
20
18
22
21
1417
3
2
1
4
5
28
30
C1CB00004388
SAMPLE RATE CONVERTER
IC8202
1
G1
3
4
2
G2
CN8254
TO MAIN P.C.B.
(CN4201)
OBIT0 UNLOCK
LRCK
SDOUT1
5 ALL_BCLK
6ALL_LRCK
7ALL_DATA
DGND
BCKO
IMCLK
DVDD
AVDD
DVSS
SDTO
SDTO
ODIF0
ODIF1
OMCLK
OBICK
OLRCK
CMODE0
CMODE2
CMODE1
OBIT1
SDTI
PLL0
FILT
PLL2
PDN
AVSS
IDIF1
IDIF2
ILRCK
SMUTE
IBICK
DITHER
IDIF0
PLL1
PW_3R3V_MR
ASYNC_UNLOCK
ASYNC_RESET
ALL_BCLK
ALL_LRCK

Table of Contents

Related product manuals