EasyManua.ls Logo

Panasonic SA-PMX100 - Smps Circuit (2;2)

Panasonic SA-PMX100
74 pages
Print Icon
To Next Page IconTo Next Page
To Next Page IconTo Next Page
To Previous Page IconTo Previous Page
To Previous Page IconTo Previous Page
Loading...
59
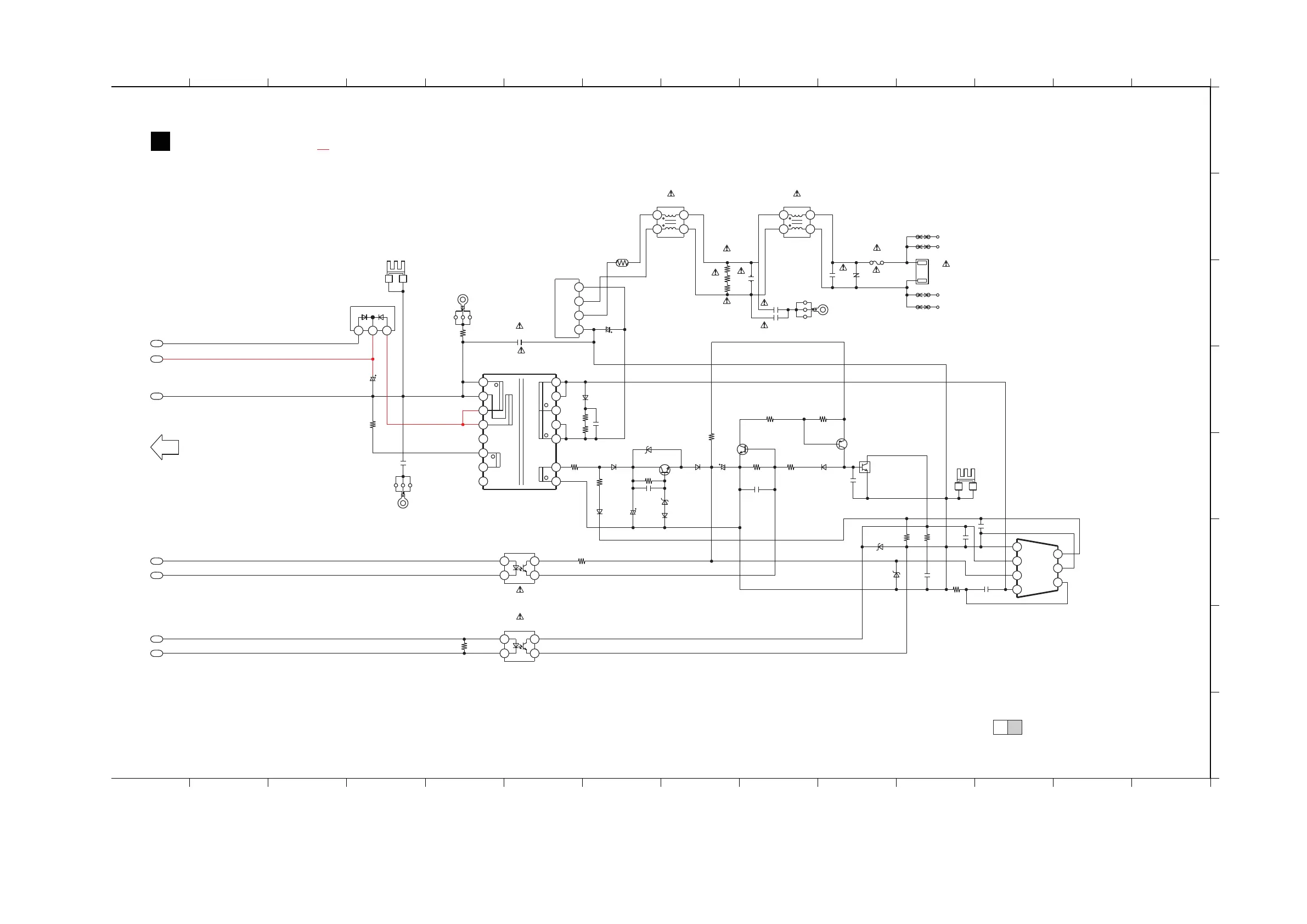
12.8. SMPS CIRCUIT (2/2)
15 16 17 18 19 20 21 22 23 24 25 26 27 28
15 16 17 18 19 20 21 22 23 24 25 26 27 28
A
C
D
B
E
G
H
F
I
SMPS CIRCUIT
SCHEMATIC DIAGRAM - 7
SA-PMX100EG SMPS CIRCUIT
2/21/2
TO SMPS
CIRCUIT (1/2)
1
2
3
4
5
6
7
: +B SIGNAL LINE
K104*
3
2
1
ZJ5701
K103*
K101*
P5701
K102*
3
2
4
1
C5760
0.1
R5764
4.7K
R5763
10K
R5767
22K
R5727
0.13
DZ2J30000L
D5713
C5747
470P
G2G1
*ZA1
2
4
6
3
5
7
1
IC5701
C0DAAYY00064
SWITCHING REGULATOR
100P
C5724
C5722
1000P
R5762
10K
DA2J10100L
D5760
R5732
1K
B1ADCF000001
Q5760
QR5762
B1GBCFJA0006
SWITCH
SWITCH
0.1C5761
DZ2W22000L
D5707
C5730
4.7
R5733
27K
B0EAMM000057
D5712
22
R5720
321
ZJ5702
R5704
1000P
1000P
C5700
B0EAKT000063
D5702
R5703
100K
C5713
1000P
R5702
100K
31 2
D5802
B0HBSM000054
G2G1
*ZA2
0
R5866
C5805
35V470
R5701
470K
R5700
470K
R5710
470K
C5712
400V82
B1ABCF000176
Q5761
27K
R5768
D4CAA5R10001
TH5702
~
-
~
3
2
4
+
1
D5701
B0EDNR000001
DZ2J200M0L
D5704
3
2
4
1
Q5720
B1BABG000007
VOLTAGE REGULATOR
SWITCH
4
3
1
2
33KR5766
PC5721
FEEDBACK
PC5761
FEEDBACK
4
3
1
2
DA2J10100L
D5706
D5807
DA2J10100L
D5705
DZ2J200M0L
100P
C5720
3 21
ZJ5703
R5808
4.7K
D5710
DA2J10100L
50V100
C5727
9
10
11
12
13
8
14
15
16 1
2
4
5
6
7
G4DYZ0000080
TRANSFORMER
T5701
C5800
0.01
2.2K
R5721
C5726
50V10
R5722
5.6K
FB/OLP
GND
D
VCC
S/OCP
BD
NF
VCC
VIN
DRAIN
AC IN
220 ~ 240V
50HZ
0.22
C5701
DZ5701
D4EAY5110006
F1
T3.15A 250V
1000P
C5706
1000P
C5705
+30V
0V
G0B203G00005
L5704
G0B922G00002
L5713
0.22
C5702
NOTE: * REF IS FOR INDICATION ONLY

Table of Contents

Related product manuals