EasyManua.ls Logo

Panasonic SA-PMX100 - Power Supply (1;2) Block Diagram

Panasonic SA-PMX100
74 pages
Print Icon
To Next Page IconTo Next Page
To Next Page IconTo Next Page
To Previous Page IconTo Previous Page
To Previous Page IconTo Previous Page
Loading...
47
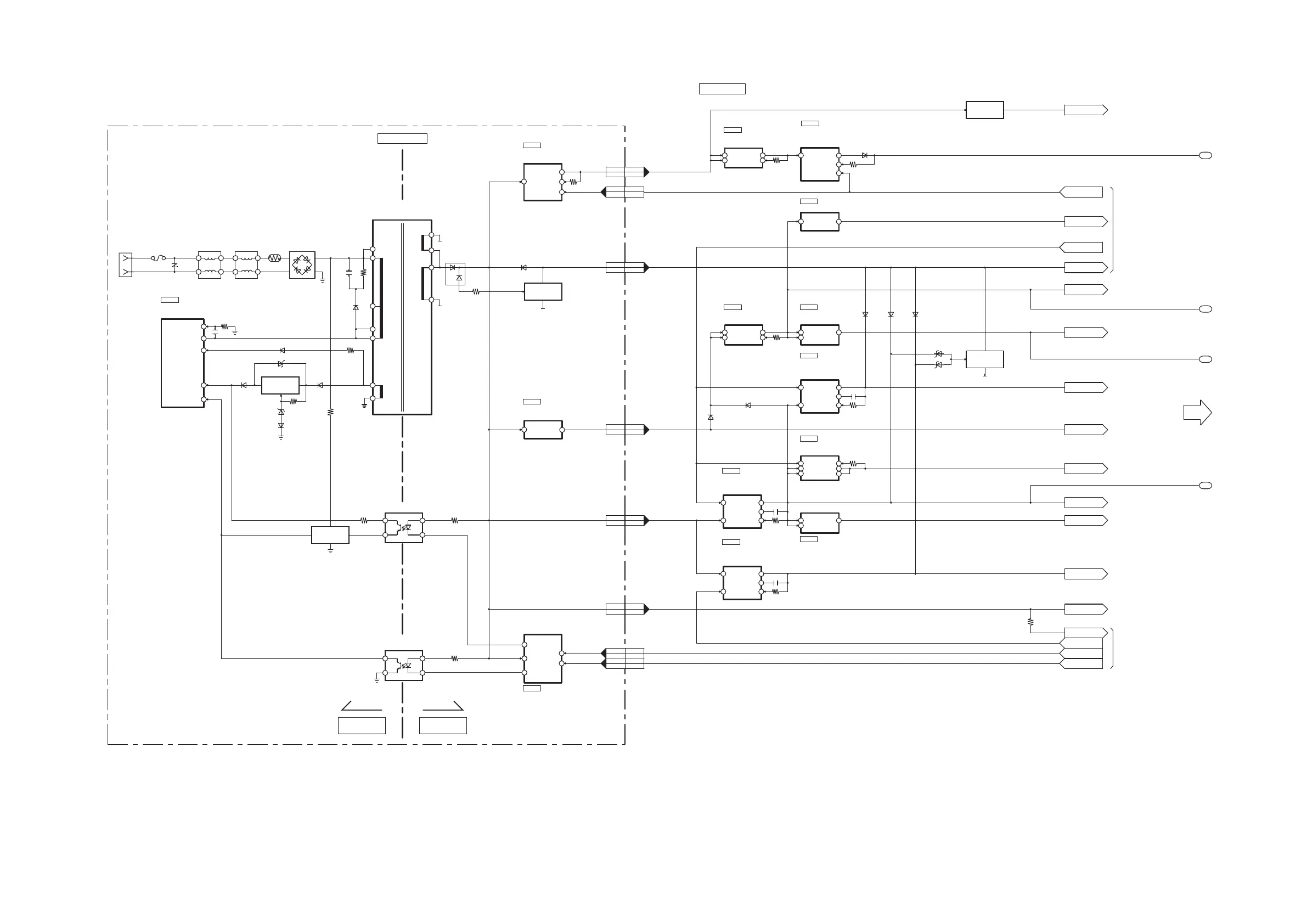
10.3. POWER SUPPLY (1/2) BLOCK DIAGRAM
SA-PMX100EG POWER SUPPLY (1/2) BLOCK DIAGRAM
TO POWER SUPPLY
BLOCK (2/2)
1
2
3
4
ECO_CTL
1010
CN1100H2015
ECO_CTL
SMPS_STOP
1313
CN1100H2015
SMPS_STOP
ECO_CTL
PCONT
SMPS_STOP
PCONT3
FL_RESET
DAMPVDD_24VDAMPVDD_24V
1,21,2
CN1100H2015
VDD_24VVDD_24V
1515
CN1100H2015
SYS5VSYS5V
66
CN1100H2015
DCDETDCDET
1111
CN1100H2015
SMPS P.C.B.
FROM
SERVO & SYSTEM CONTROL
IC5701
SHUNT
REGULATOR
IC5801
MAIN
TRANSFORMER
T5701
Q5863,Q5864
FEEDBACK
CIRCUIT
SWITCHING
REGULATOR
P5701
F1
DZ5701
4
5
1
2
10
9
11
12
6
7
8
TH5702
D5701
L5704
2
3
1
4
D5712
D5704
D5705
D5807
D5710
D5802
D5706
D5702
Q5760,Q5761
QR5762,D5760
Q5720
VOLTAGE
REGULATOR
FEEDBACK
CIRCUIT
4
3
1
2
PC5761
FEEDBACK
4
3
1
2
PC5721
FEEDBACK
VCC 3
BD 6
FB/OLP 5
S/OCP 2
D1
QR5862
DC DETECT
QR1100
DC DETECT
Q4204,Q4205
SWITCH
AC INLET
SECONDARYPRIMARY
PW_VH
PW_MOTOR5R6V
PW_STBY3R3V
PW_D3R3V
IC2900
+15V VOLTAGE
REGULATOR
MAIN P.C.B.
RESET
IC8002
FROM/TO
SERVO & SYSTEM CONTROL
+5.6V SWITCHING
VOLTAGE
REGULATOR
IC1102
D5812
D1105 D1104
D1113
D1100
D1103
D1101
D1110
D1102
L5713
2
3
1
4
1 VIN
2
ON/OFF
VOUT
ADJ
5
4
5
CN1100
PCONT3
5
H2015
PCONT3
88
CN1100H2015
15V 15V
PW_MOTOR5R6V
+5V
A5V
+5V
PW_USB5R2V
+5.2V
PW_BT_5V
+5V
PW_STBY3R3V
+3.3V
DAMPVDD_24V
+24V
VIN
VOUT
NRST
DC_DET_PWR
M_VDET
2
4
IC5823
+5V VOLTAGE
REGULATOR
VIN
VOUT
1
2
+3.3V VOLTAGE
REGULATOR
IC1106
IC1110
CE
VIN VOUT
1
2 3
ADJ 4
VOLTAGE
REGULATOR
IC1108
CE
VIN VOUT
5
3 1
ADJ 4
PW_STBY1R55V
+1.55V
+1.55V VOLTAGE
REGULATOR
IC1107
CE
VDD VOUT
1
4 3
+5V VOLTAGE
REGULATOR
IC1105
CE
VDD VOUT
1
4 3
EN
VCC
LX
6
8
1
BST 7
FB 4
+5.2V SWITCHING
VOLTAGE
REGULATOR
IC1101
EN
VCC
LX
6
8
1
BST 7
FB 4
PW_D3R3V
+3.3V
VREG12V
+12V
+3.3V SWITCHING
VOLTAGE
REGULATOR
IC1104
EN
VIN
SW(OUT)
4
5
6
BOOT 1
FB 3
PW_D3R3V_DAMP
+3.3V
+3.3V VOLTAGE
REGULATOR
IC1111
EN
IN
FB/SNS
5
7
IN8
3
OUT 2
OUT 1
SWITCHING
VOLTAGE
REGULATOR
VIN
SW
5
1
SHDN 4
FB 3

Table of Contents

Related product manuals