EasyManua.ls Logo

Panasonic SA-PMX82EB - Page 59

Panasonic SA-PMX82EB
79 pages
Print Icon
To Next Page IconTo Next Page
To Next Page IconTo Next Page
To Previous Page IconTo Previous Page
To Previous Page IconTo Previous Page
Loading...
59
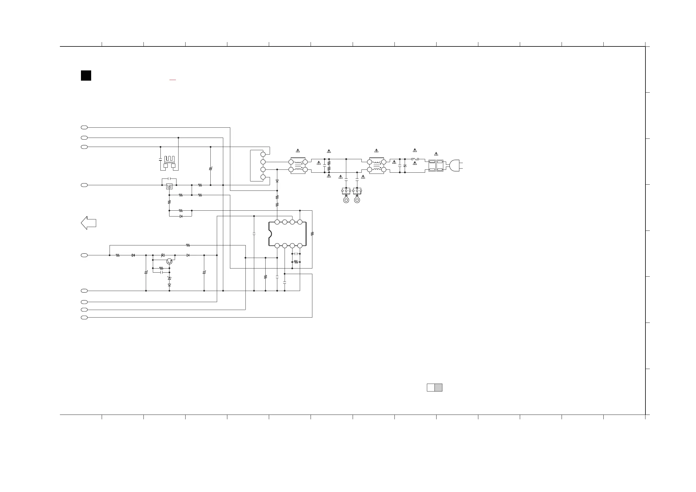
12.10. SMPS CIRCUIT (2/2)
15 16 17 18 19 20 21 22 23 24 25 26 27 28
15 16 17 18 19 20 21 22 23 24 25 26 27 28
A
C
D
B
E
G
H
F
G
SMPS CIRCUIT
SCHEMATIC DIAGRAM - 9
SA-PMX82EB/EG/GN, SA-PMX82MEB, SA-PMX84EG SMPS CIRCUIT
2/21/2
TO SMPS
SECTION (1/2)
: +B SIGNAL LINE
1
4
2
3
5
6
9
7
8
~
-
~
+
2
4
3
1
4
3
2
1
4
3
2
1
NOTE: * REF IS FOR INDICATION ONLY
AC IN
220V ~ 240V 50Hz
P5701
T3.15AL 250V
F1
DZ5701
D4EAY5110006
C5701
0.1
C5702
0.1
C5705C5704
470P470P
L5701
G0B103G00023
L5702
G0B103G00023
R5700
R5701
1.2M
1.2M
321
ZJ5721
321
ZJ5701
67 5
2 43
8
1
PWM CURRENT
MODE CONTROLLER
C0DBBYY00062
IC1111
C5725
680P
C5730
0.1
R5831
120K
R5730
5.6K
VCC
ZCD
VH
ISFB
NC OUT
GND
R5726
4.7K
R5727
4.7K
D5709
B0EAKT000063
B0EDNR000001
D5701
50V10
C5729
C5728
1000P
C5727
10P
R5719
82K
B0JCPD000039
D5708
DA2J10100L
D5707
DZ2J200M0L
D5704
DZ2J200M0L
D5703
DA2J10100L
D5712
B0EAMM000057
D5705
100P
C5724
1000P
C5708
100P
C5722
50V10
C5723
G2 G1
HEATSINK
ZA1703*
400V82
C5720
B1BABG000007
Q5702
Q5701
B1CERT000009
VOLTAGE REGULATOR
SWITCH
22
R5723
R5724
22
S
D
G
10K
R5728
330
R5729
0.08
R5725
100K
R5731
2.2K
R5721
22
R5720

Table of Contents

Related product manuals