EasyManua.ls Logo

Panasonic TH-42PX60U - Main Block Diagrams

Panasonic TH-42PX60U
210 pages
To Next Page IconTo Next Page
To Next Page IconTo Next Page
To Previous Page IconTo Previous Page
To Previous Page IconTo Previous Page
Loading...
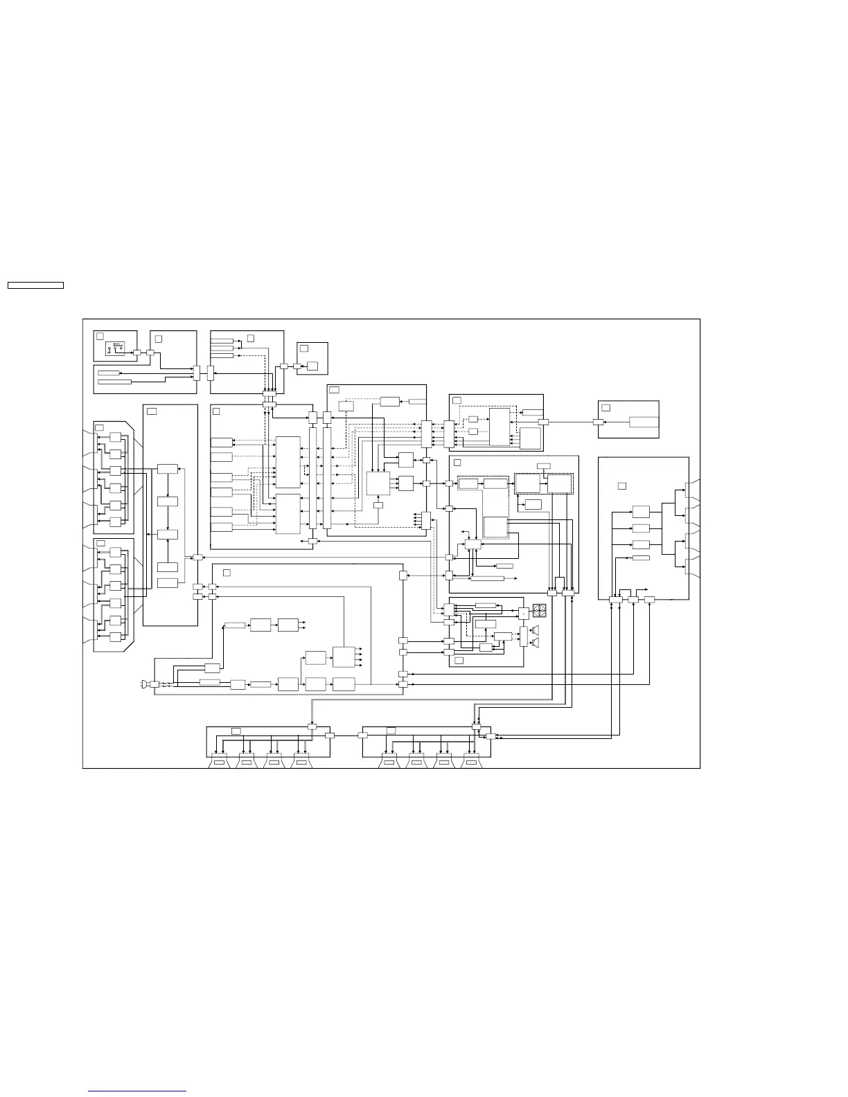
14.2. Main Block Diagram (37inch)
GS
VOLTAGE
H51
BS L/R
PROCESS
Vda
BS L/R
PULSE
DG20
S.R.
SUSTAIN DRIVE
+5V
PA5
ATV L/ R
VSUS
SCAN
SS11
D/A
SOS7
G
DG1
COMP1
CONVERTER
D5
SUSTAIN
VOLTAGE
AC CORD
AV3 IN
S.R.
SC
SUB-FIELD
EEPROM
+15V
PA
HDSL
AUDIO IN
DISCHARGE
SPEAKER
PICTURE
OSD
VDA
HDMI
Y,P b , P r
G3
AUDIO IN
12V
LVDS
ADDRESS
MEMORY
PA1 0
LITE
ATV L/ R
DC POWER
FORMAT
FLASH
K
POWER SW
RECTIFIER
P25
STANDBY
SUSTAIN CONTROL
AV SWITCH
SD CARD SLOT
STANDBY
RECTIFIER
REMOTE
POWER
RGB
HDMI IN
RECEIVER
DG
L/R
TRANS-
C11
VIDEO1
Y,C , V
DIGITAL SIGNAL PROCESSOR
AUDIO
LVDS
SPEAKER
FPGA
Y,P b , P r
PULSE
CONTROL
C21
SDRAM
ERASE
RECEIVER
P3.3V
H2
MONITOR
RECEIVER
RGB
PULSE
HDMI I/F
SOUND SOS
OPT OUT
PROCESSOR
COMP2
PLASMA AI
SCAN DRIVE
DC-DC CONVERTER
KEY
S.R.
C23
15V
C12
PLASMA AI PROCESSOR
P2
SCAN CONTROL
S
PA2
CONTROL
C1
GK3
L/R
IIC
POWER SOS
SS12
D
R
VIDEO
P10
P1.2V
SUSTAIN
GK
CONTROL
PA3 4
SOS6/
SOS6
CONVERTER
REMOTE RECEIVER
SELECT
P11
CONTROL
CONTROL
TV
KEY
TUNER
L/R
K1
DG3
VOLTAGE
F_STBY-14V
D32
G1
SC23
Y,U V
Y,P b , P r
S.R.
DG5
S-VIDEO IN
MAIN L/R
C2
SC2
PA31
STB5V
SD CARD SLOT
(GC5)
SCAN
VOLTAGE
G51
L/R
MCU
PULSE
INPUT
C22
YG/UB
RECTIFIER
VIDEO IN
ATSC INTERFACE
L/R
TV
H40
VIDEO
A/D
P
DT10
MAIN
H
OUT
STBY5V_M
GS52
PROCESS
Y,C , V
VIDEO2
DG22
DATA
D3
DATA DRIVE
SS_SOS8
SUSTAIN
CONTROL
SC20
L/R
DC POWER
RECTIFIER
DATA DRIVER(LEFT)
FAN SOS
INPUT
SOS8
SPEAKER
L
P_ON/OFF
P5
+15V
D31
SUSTAIN
POWER LED
S2
PROTECTION(SOS)
15V
VOLTAGE
V,Y, C
AV3 IN
MAIN L/R
VSUS
PA2 0
PROCESSOR
DT12
AV TERMINAL,
S.R.
CONTROL
P12
K2
MICOM
DAC
VOLTAGE
Vda-75V
OUTPUT
L
R
LED
VOLTAGE
FACT OR
TV VIDEO
STB12V
DATA DRIVER(RIGHT)
(VE)
SS
PEAKS
SOS7
VOLTAGE
AUDIO
SL/SR
V
SS23
PA4 0
AMP
D20
DT
FORMAT CONVERTER,
L/R
VSUS
L/R
PULSE
PROCESSOR
DC/DC
S.R.
5V
15V
PA SOS
POWER SUPPLY
+15V
S.R.
V,Y, C
GENERATOR
D25
H1
P9
VDA
DG2
MITTER
P2.5V
SELECT
S.R.
DC/DC CONVERTER
SCAN
P23
VDA
A/D
IIC
S.R
40
64
64
64
S.R
64
40
S.R
64
64
SCAN OUT
S.R
S.R
S.R
S.R
SD
S.R
S.R
64
64
64
SU
S.R
S.R
64
S.R
SCAN OUT
SOUND
SOS
FAN
FAN SOS
+15V
FILTER
RELAY
LINE
FILTER
LINE
RECTIFIER
TH-37PX60U
Main Block Diagram
TH-37PX60U
Main Block Diagram
PS_SOS
TH-37PX60U / TH-42PX60U
76

Table of Contents

Other manuals for Panasonic TH-42PX60U

Related product manuals