EasyManua.ls Logo

Panasonic TH-42PY80P - Page 78

Panasonic TH-42PY80P
143 pages
Print Icon
To Next Page IconTo Next Page
To Next Page IconTo Next Page
To Previous Page IconTo Previous Page
To Previous Page IconTo Previous Page
Loading...
78
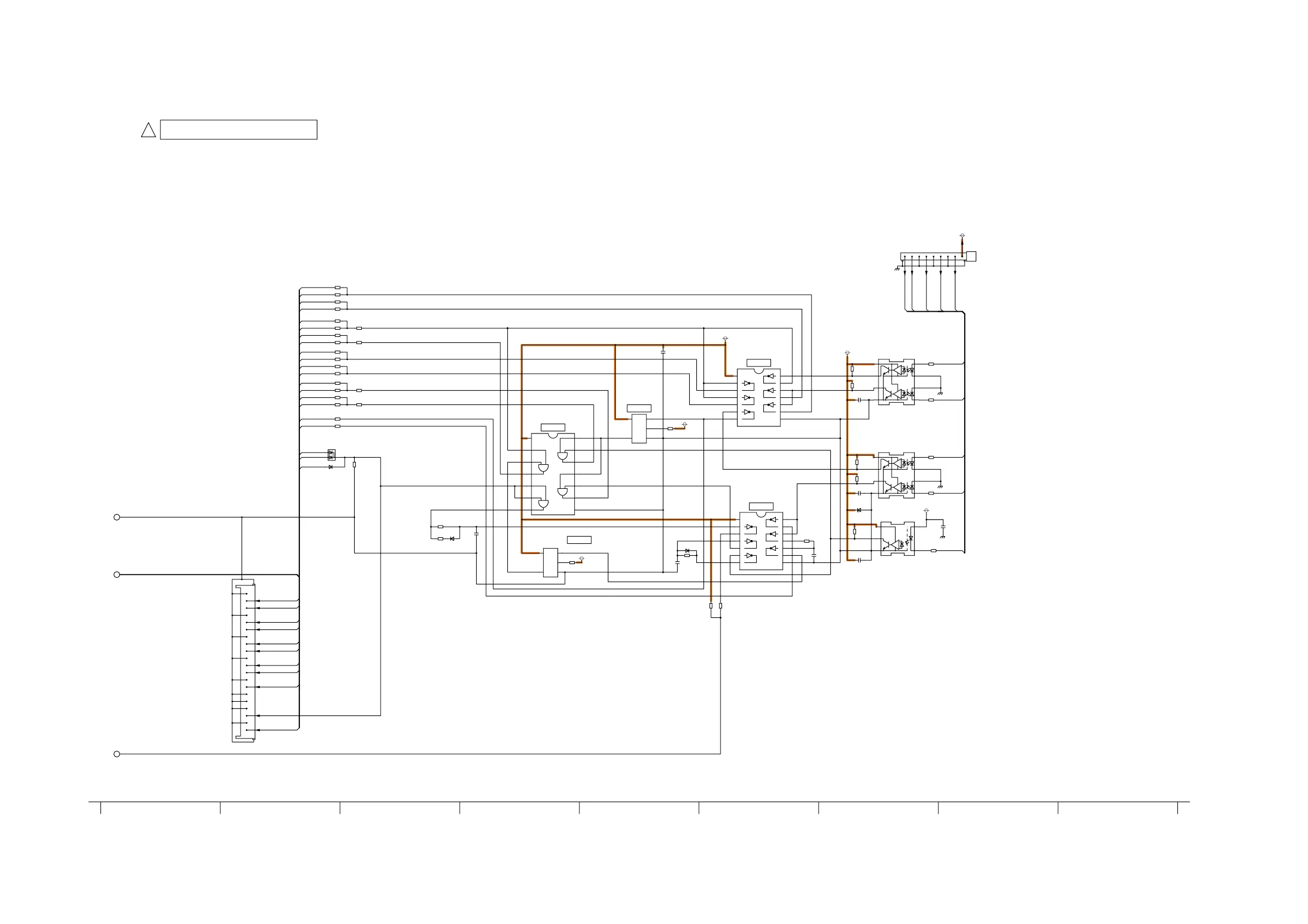
11.40. SD-Board (3/3) Schematic Diagram
SIDE
TERM
AA_OC1U1
AA_OC2U1
AA_CLKU2
AA_CLKU1
AA_OC2U2
AA_LATU2
AA_SIU
AA_OC1U2
AA_LATU1
CHA
OCM
AA_LATD1
AA_LATU2
AB_SID
AB_CLK
AA_CLKU2
AA_OC1D1
AA_OC2D1
AA_OC2D2
AA_CLKD1
AB_OC1
AB_SIU
AA_OC1D2
AA_LATU1
AA_OC1U1
AA_OC1U2
AA_SIU
AB_OC2A
AA_OC2U2
AA_CLKD2
AA_OC2D1
AA_SID
AA_OC2U1
AA_OC2D2
AA_CLKU1
AA_LATD2
AA_LATD1
AB_SID
AB_SIU
AB_OC2A
AB_CLK
AB_OC1
SCN_PRO
C14992
16V
1u
C14943
25V
4.7u
C14987
50V
0.1u
C14945
50V
100p
C14969
50V
0.1u
C14990
50V
0.1u
C14944
50V
1000p
C14988
50V
0.1u
D14976
MA2J11100L
D14979
MA2J11100L
D14975
MA2J11100L
D14974
MA3X152E0L
D14961
MAZ80560HL
C0JBAE000321
IC14963
1
IN_B
2
IN_A
3
GND
5
VCC
4
OUT_Y
C0JBAE000321
IC14965
1
IN_B
2
IN_A
3
GND
5
VCC
4
OUT_Y
IC14964
C0JBAA000174
1
1A
2
1B
3
1Y
4
2A
5
2B
6
2Y
7
GND
8
3Y
9
3A
10
3B
11
4Y
12
4A
13
4B
14
Vcc
IC14962
C0JBAZ000994
1
1A
2
1Y
3
2A
4
2Y
5
3A
6
3Y
7
GND
8
4Y
9
4A
10
5Y
11
5A
12
6Y
13
6A
14
VCC
IC14961
C0JBAZ000994
1
1A
2
1Y
3
2A
4
2Y
5
3A
6
3Y
7
GND
8
4Y
9
4A
10
5Y
11
5A
12
6Y
13
6A
14
VCC
SD11
1
2
3
4
5
6
7
8
9
10
11
12
13
14
15
16
17
18
19
20
SD46
1
2
3
4
5
6
7
8
9
5V_F1_B
5V
VSET2_O
VSET6_O
5V
5V_F1_A
PC14953
B3PBA0000456
1
23
4
5
PC14951
B3PBA0000457
1
2
3
45
6
7
8
PC14952
B3PBA0000457
1
2
3
45
6
7
8
R14992 47
R14963
330
R14976 47
R14936
4.7k
R14971
22
R14966 22
R14987 47
R14975 47
R14974 47
R14957 22
R14977
2.2k
R14965
330
R14939
0
R14930
0
R14942
0
R14940
0
R14988
2.2k
R14943
47
R14931
22
R14944
10
R14999
330
R14994 47
R14962
330
R14937
1k
R14967 22
R14964 22
R14979
2.2k
R14960 22
R14959 22
R14935
2.2k
R14978
2.2k
R14934 47
R14956 22
R14949
20k
R14973 47
R14950
10k
R14991 22
R14349
10k
R14993 47
R14958 22
R14961
330
2019 24 27262321 2522
BUFFER
BUFFER
BUFFER
BUFFER
BUFFER
VF
SCN_PRO
TO
SU-BOARD
(SU11)
TO
SC-BOARD
(SC46)
SD-BOARD TNPA4413 (3/3)
!
11
13
12
TH-42PY80P, PZ80B/E
SD-Board (3/3) Schematic Diagram
TH-42PY80P, PZ80B/E
SD-Board (3/3) Schematic Diagram

Table of Contents

Related product manuals