EasyManua.ls Logo

Parker ET Series - Exploded View; Component Identification Diagram

Parker ET Series
29 pages
To Next Page IconTo Next Page
To Next Page IconTo Next Page
To Previous Page IconTo Previous Page
To Previous Page IconTo Previous Page
Loading...
Parker Hannifin Corporation
Automation Actuator Division
Wadsworth, Ohio
8
Automation
Stepper and Servo Driven Linear ActuatorsPM-ET01/USA
ET Series
Exploded View
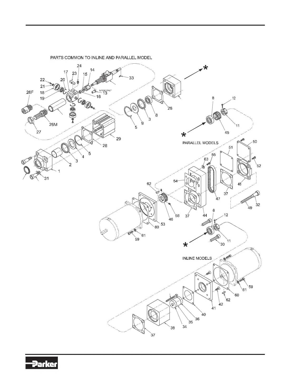
Parts list and exploded view
Order parts through the Automation Actuator Division in Wadsworth, Ohio, or through your local Parker Automation Technology
Center (distributor).
10
(Page 10)
(Page 9)
(Pages 11,12)
1
Parts listed on page 13.
6
25
7
1
1
1
1
1
1
32

Related product manuals