EasyManua.ls Logo

PEERLESS PUREFIRE PF-850 - Page 23

PEERLESS PUREFIRE PF-850
100 pages
Print Icon
To Next Page IconTo Next Page
To Next Page IconTo Next Page
To Previous Page IconTo Previous Page
To Previous Page IconTo Previous Page
Loading...
21
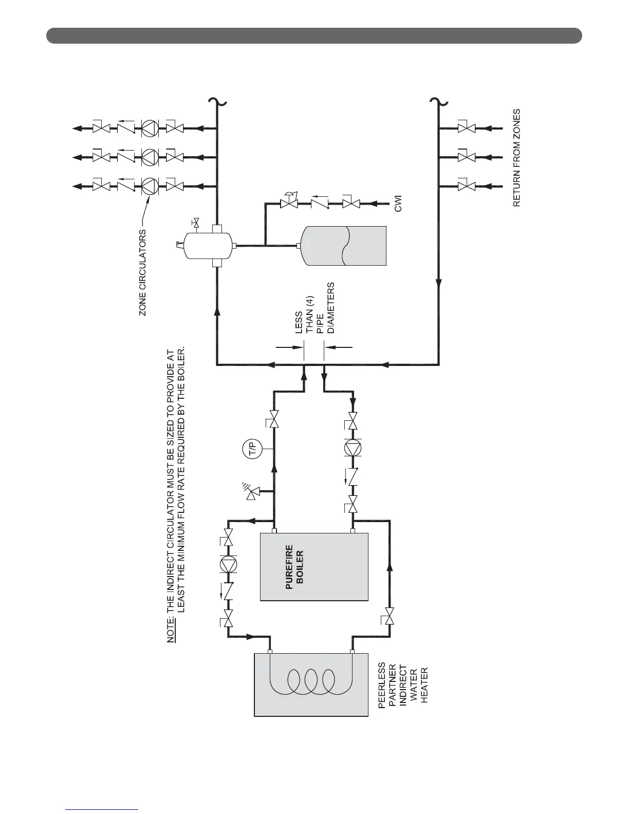
WATER PIPING & CONTROLS
Figure 4.5: Alternate Piping – One Boiler with Multiple CH Zones & One DHW Tank

Table of Contents

Related product manuals