EasyManua.ls Logo

PEERLESS PUREFIRE PF-850 - Special Applications

PEERLESS PUREFIRE PF-850
100 pages
Print Icon
To Next Page IconTo Next Page
To Next Page IconTo Next Page
To Previous Page IconTo Previous Page
To Previous Page IconTo Previous Page
Loading...
24
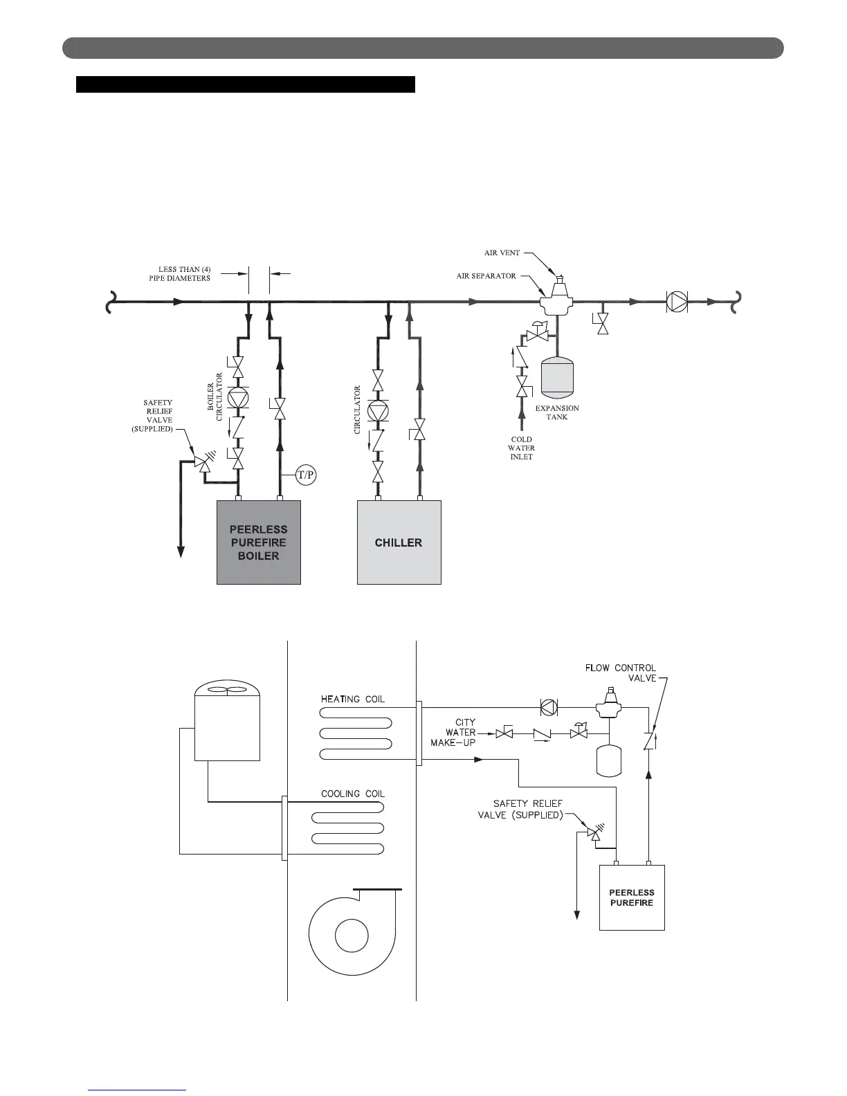
F. SPECIAL APPLICATIONS
1. If the PUREFIRE
®
boiler is used in conjunction with a
chilled medium system, pipe the chiller in a separate
secondary loop.
a. Assure that the boiler circulator is disabled during
chiller operation so that chilled water does not
enter the boiler.
b. Install a flow control valve (spring check valve) to
prevent gravity flow through the boiler.
c. See Figure 4.8 for recommended system piping for
chiller operation.
2. For boilers connected to heating coils in a forced air
system where they may be exposed to chilled air
circulation, install flow control valves or other
automatic means to prevent gravity circulation of the
boiler water during cooling cycles. See Figure 4.9 for
an illustration.
WATER PIPING & CONTROLS
Figure 4.8: Boiler in conjunction with a Chilled Water System
Figure 4.9: Boiler Connected to a Heating Coil in a Forced Air System

Table of Contents

Related product manuals