EasyManua.ls Logo

PEERLESS PUREFIRE PF-850 - Page 34

PEERLESS PUREFIRE PF-850
100 pages
Print Icon
To Next Page IconTo Next Page
To Next Page IconTo Next Page
To Previous Page IconTo Previous Page
To Previous Page IconTo Previous Page
Loading...
32
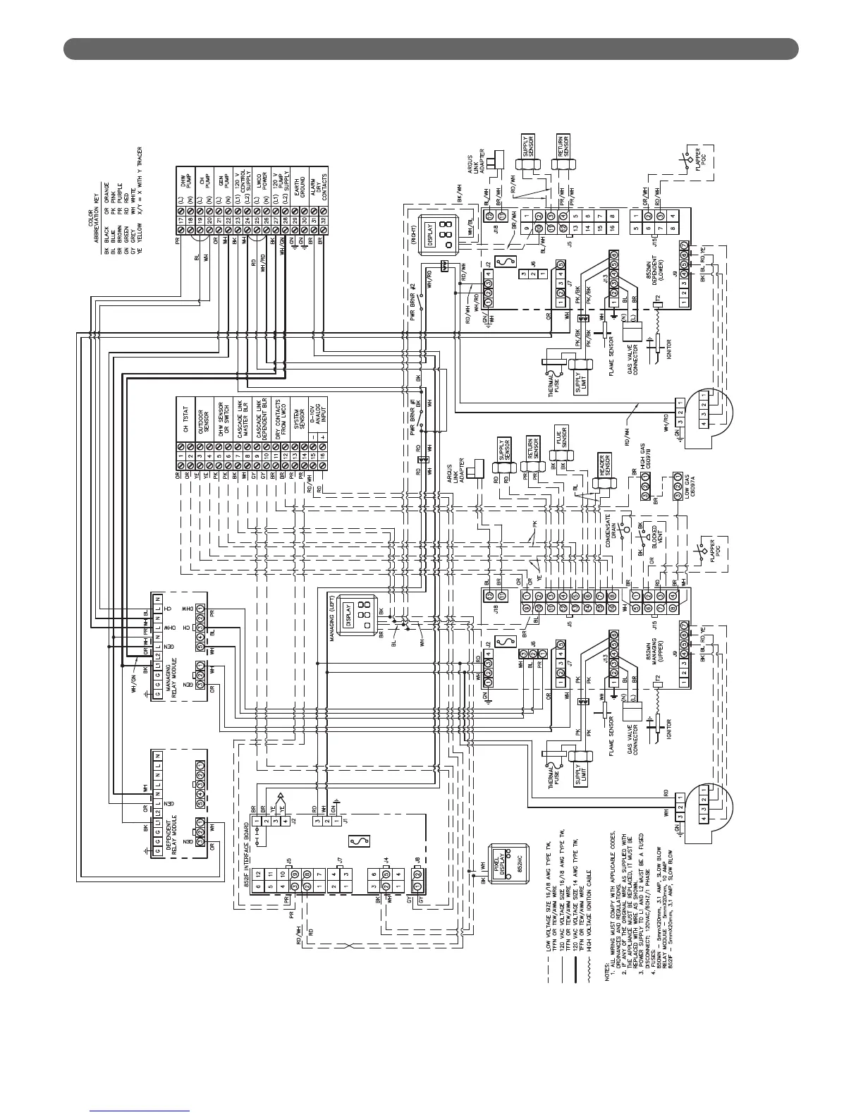
ELECTRICAL CONNECTIONS & INTERNAL WIRING
Figure 7.4: Internal Wiring Schematic for PF-850 & PF-1000

Table of Contents

Related product manuals