EasyManua.ls Logo

Perkins 1204F-E44TA - 4 Scr System; At; Scr System Schematic

Perkins 1204F-E44TA
41 pages
Print Icon
To Next Page IconTo Next Page
To Next Page IconTo Next Page
To Previous Page IconTo Previous Page
To Previous Page IconTo Previous Page
Loading...
1204F - DEF System Supplement
4.0 SCR System
4.1 AT/ SCR System Schematic
*DOC and CDPF is option depending on rating.
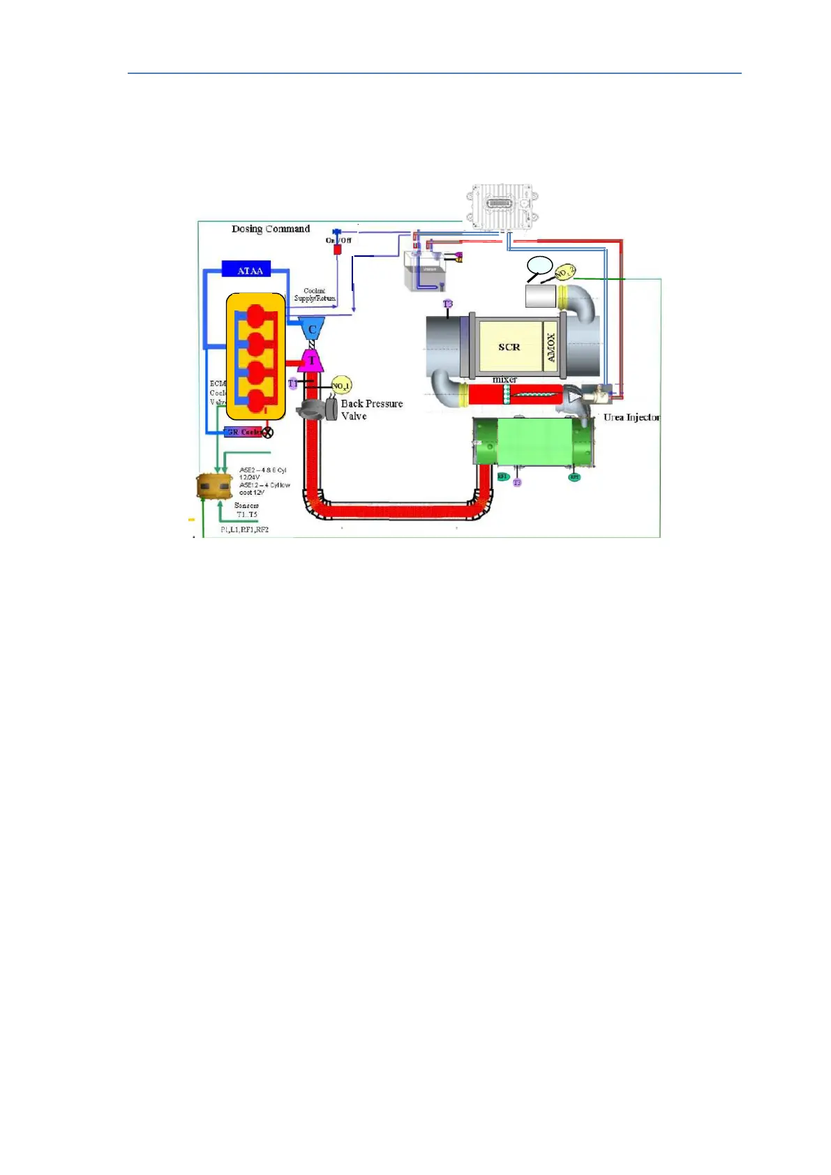
Fig 4.1 - Aftertreatment and SCR Schematic
Fig 4.1 above shows the components and system arrangement required to meet Tier 4 Final / Stage
IV Emissions Legislation.
From Fig 4.1, it can be seen that DEF is drawn from the DEF tank through a ‘suction’ line to the DEF
pump where it is pumped through a heated ‘pressure’ line to the DEF injector. The DEF injector,
installed within the SCR mixer, then injects DEF into the exhaust gas to activate the reaction in the
SCR canister and reduce the exhaust NOx. Any excess DEF is returned from the DEF injector back
to the tank to create a continuous closed loop system.
Control of the DEF injection is managed by the DCU. The signal from the NOx sensor on the engine
exhaust outlet prior to the after treatment and in the exhaust tailpipe is used along with other sensor
inputs to meter the quantity and timing of DEF injection
To comply with the legislative freeze and thaw cycle requirements the temperature of the DEF is
monitored, with a sensor in tank, by the DCU. The DCU can then control the flow of coolant from the
engine through a diverter valve to heat the tank and the pump as required. The DEF lines are also
electrically trace heated to ensure these are thawed and free from blockages; this is also controlled
by the DCU.
DCU and PUMP with heated
DEF feed and return lines
NH3
A&I manual Publication TPD 1832 Production issue 3. Page 18 of 41

Table of Contents

Other manuals for Perkins 1204F-E44TA

Related product manuals