EasyManua.ls Logo

Perkins M216C - Page 136

Perkins M216C
220 pages
Print Icon
To Next Page IconTo Next Page
To Next Page IconTo Next Page
To Previous Page IconTo Previous Page
To Previous Page IconTo Previous Page
Loading...
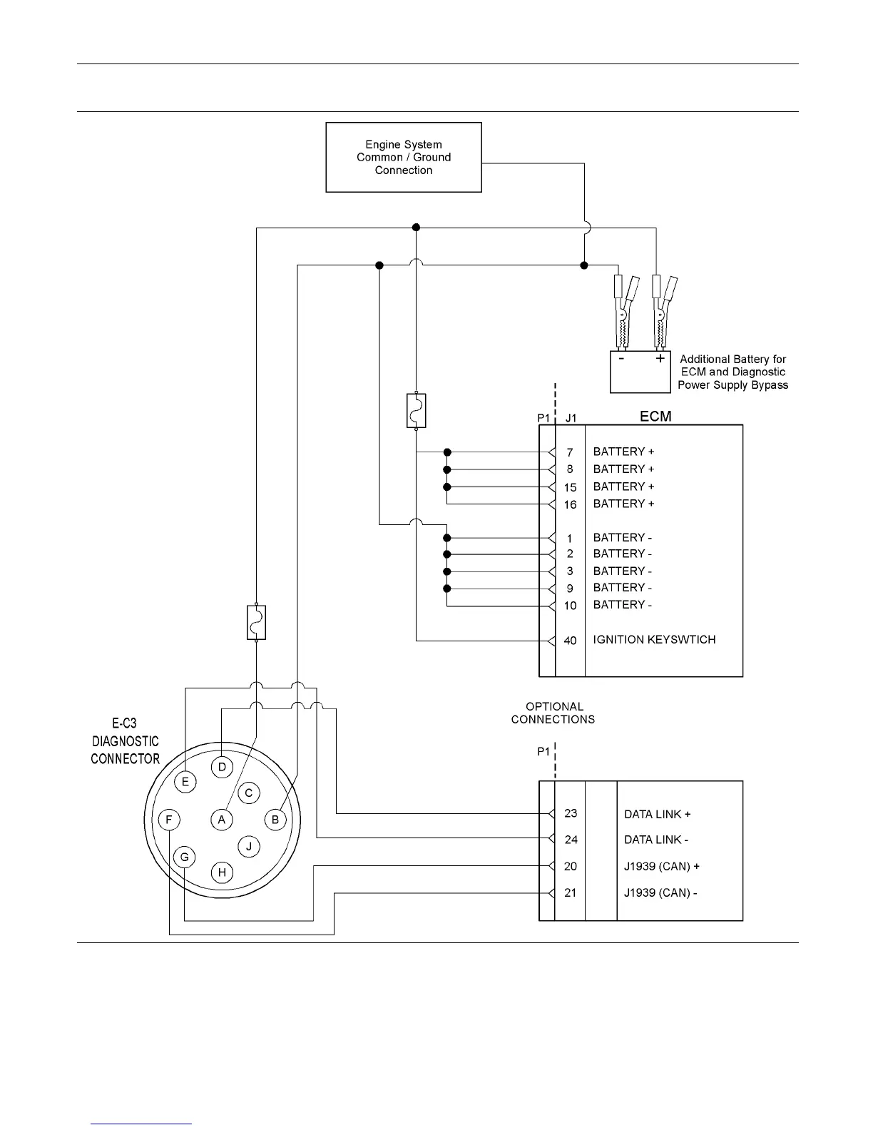
136 KENR9126
Troubleshooting Section
g02192874
Ill
ustration 36
Schematic of the bypa ss harness con nector

Table of Contents

Other manuals for Perkins M216C

Related product manuals