EasyManua.ls Logo

Perkins M216C - Page 21

Perkins M216C
220 pages
Print Icon
To Next Page IconTo Next Page
To Next Page IconTo Next Page
To Previous Page IconTo Previous Page
To Previous Page IconTo Previous Page
Loading...
KENR9126 21
Troubleshooting Section
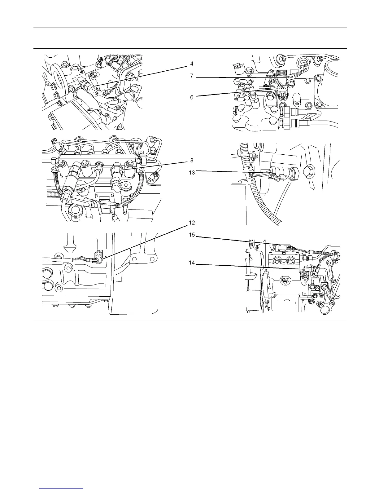
g02190335
Illustration 6
Detailed views of the sensor locations on the engine

Table of Contents