EasyManua.ls Logo

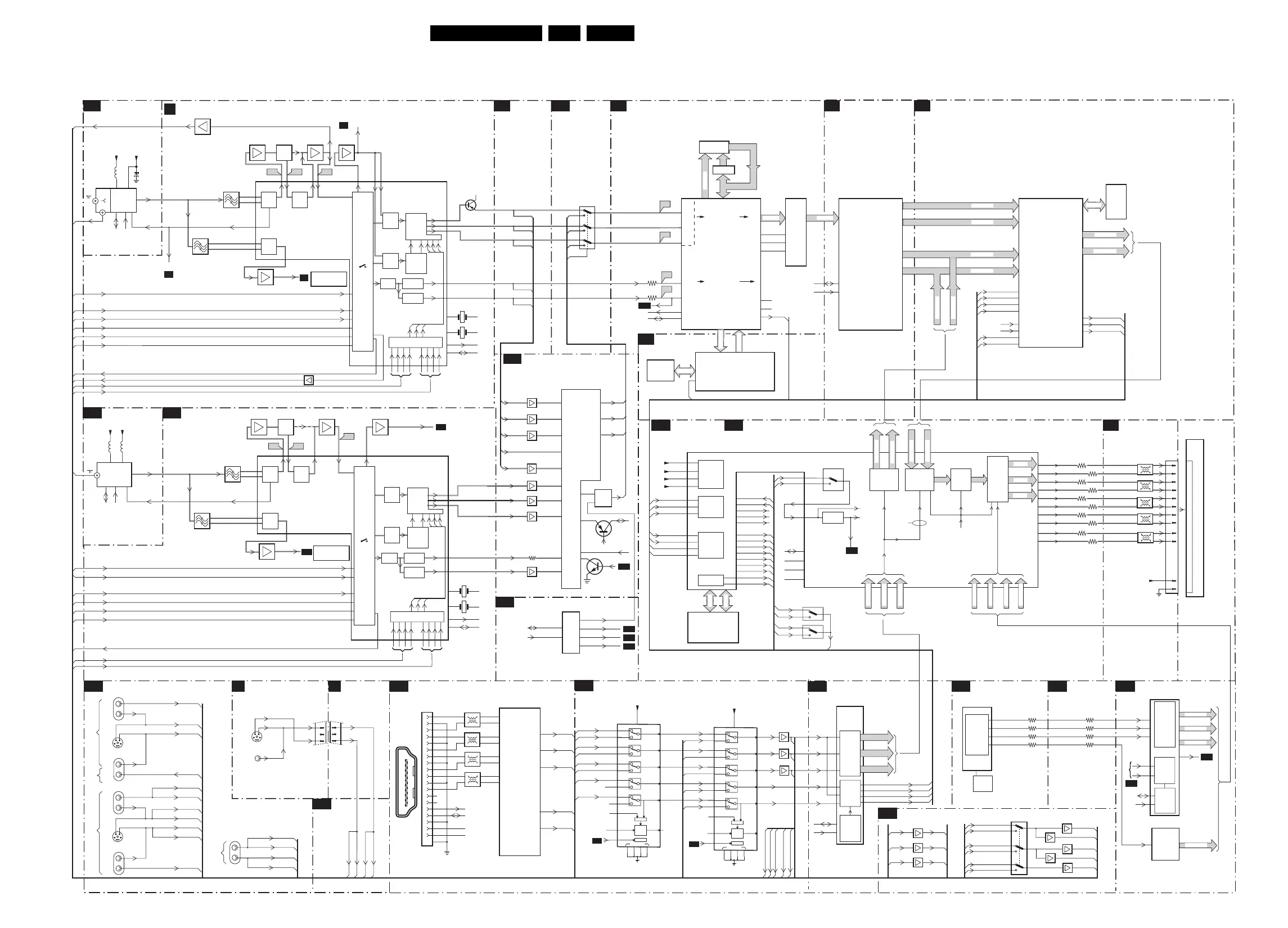
Philips 50PF9966 - Block Diagram Video

Philips 50PF9966
136 pages
Print Icon
To Next Page IconTo Next Page
To Next Page IconTo Next Page
To Previous Page IconTo Previous Page
To Previous Page IconTo Previous Page
Loading...
24FTP2.2U AA 6.
Block Diagrams, Testpoint Overviews, and Waveforms
Block Diagram Video
B14B
CONNECT
B21
SUB TUNER
B13B
PIP HIP
B15A
PIP SWITCH
B15B
PIP MUPPET
B15C
AUDIO
DEMODULATOR
B6A
PIP SWITCH
B15B
PICNIC
B3A
COLUMBUS
B3D
FALCONIC
B3B
OTC
B5A
B3A
B19C
EPLD OSDPICNICCONNECTIONS
B19A
I/O 1
B14A
B14F
B14G
SIDE I/O
D
B14C
I/O 3: SWITCH
HDI A/D CONVERTEROTCI/O 7I/O 6: DIGITAL INPUT
B20
SCREEN
INTERFACE
MAIN TUNER
B13A
1TO2
UV1318ST
S-SDA-PIP
S-SCL-PIP
+33V
1410
AGC
MONITOR
1406
7322
EF
1409-A
CVBS-SC1_AV1-IN
CVBS-AV3-IN
Y-CVBS-SC2_AV2-IN
C-SC2_SVHS-IN
21
32 34
SAW FILTER
AUDIO
SAW FILTER
VIDEO
SOUND
FILTER
CVBS-TXT
OTC
7323
TDA9321H
PLL
DEM
GROUP
DELAY
COR.
VIDEO
SWITCH
+
CONTROL
QSS
MIXER
AM
DEMO
QSS-AM
QSS-AM
SOUND-OUTPUT
7,3
2
10 12 13 14
Y
PROC.
Y/U/V
SWITCH
UU
Y
U
V
VY V
UY
R
SCART1
SCART2
V
Y
C
PROC.
SYNC
SEPAR.
61
60
HA50
VA50
51
50
49
H-SYNC
PROC.
V-SYNC
PROC.
DECODER
PA L
NTSC
SECAM
C
3
62
63
64
5
MAIN TUNER
AGC
7411
RGB/YUV
MATRIX
7410
7415
20
I6
TUNER AGC
V1
SIF2
SIF1
VIF1
VIF2
7320
12
EF
26 29
CY
28
EF
G B
36 37 38 39
R G B
41 42 43 40
9
1
5
11
6TO8
4
+5V
IF-TER
V2
CVBS-TER-OUT
16
SEE
BLOCK DIAGRAM
AUDIO
23
24
IF, I/O VIDEOPROCESSING
B2
B6A
B5A
B5A
Y-CVBS-FRONT-IN
C-FRONT-IN
CVBS-SC2-MON-OUT
R/G/B-SC1-Y/U/V-IN
SC2-FBL-IN
SC2-R_C-IN_AV2
SC2-G-IN
SC2-B-IN_C-OUT
7402
VIDEO
Y50
7414
U50
V50
Y-PIP+MAIN-OUT
U-PIP+MAIN-OUT
V-PIP+MAIN-OUT
HIP
EAGLE
B3C
54
57
46
47
1305
4.43MHz
PA L
1308
3.57MHz
NTSC M
SCL-F
SDA-F
SCL-F
SDA-F
FIELD
MEMORY
FM1
SN-DA
SN-CL
Href-EXT
23
64K
PROM
25
SYNC PROCESSING
DIGITAL
SIGNAL PROCESSING
PICNIC
FALCONIC
EMBEDDED
MEMORY
3x
ADC
26
28
29
LATCH
7712
74HC573
7713
SAA4978H
7711
M27C512
7714
MS81V04160A
3727
3728
HA50
F165
F162
F164
F166
4
5
CLI6
WEC
RSTW
FALREF
CLK32I
REFIN
Vref
SNDA
SNCL
CLK32E
Href
CLK-64
CLK-VID
SDA-F3
CLK-2FH
CLK64
HD-E
VD-E
DA (0-15)
7760
SAA4998H
EAGLE
7720
T6TX5AF
7V01
EP1C12Q240C0
7E23
AD9883AKST
7719
MSM56V16160F
5T25
EPLD
B19B
1:2
STANDARD
DEFLECTION
INPUT
CONTROL
SYNC
CONTROL
YUV
to
RGB
CLKP
OSD
INSERTION
UV DEMUX
CONTRAST
SATURATION
BRIGHTNESS
PAT H
FOR
3FH
ONLY
UV
CONVERTION
Y-OUT (0-9)
U-VOUT (0-9)
R-OSD (0-5)
G-OSD (0-5)
B-OSD (0-5)
BL-OSD (0-4)
Href-EXT
VA
HD-E
VD-E
H-2FH-AD-OUT
V-2FH-AD-OUT
SYNCDET
DIPLAY
INTERFACE
SEE ALSO
BLOCK
DIAGRAM
CONTROL
MF (1-17)
U-VOUT (0-9)
Y-OUT (0-9)
G-OSD (0-5)
R-OSD (0-5)
BL-OSD (0-5)
B-OSD (0-5)
UVG (0-7)
YG (0-7)
YF (0-7)
UVF (0-7)
1
2
3
4
5
6
7
8
9
10
11
12
13
14
15
CLK-OSD
7001
SAA5801H
3064-1 3858
77 R-TXT 2FHR-GFX
R-OSD
3064-2 3859
78 G-TXT 2FHG-GFX
G-OSD
3064-3 3860
79 B-TXT 2FHB-GFX
B-OSD
3064-4 3861
80 FB-TXT 2FHFB-GFX
BL-OSD
E_14620_137.eps
131004
HD3-OTC
N.C.
B14b
B14b
B14b
B14a
B14a
B14b
B14c
B14g
SNDA
SNCL
1
2
30
B19b
B19d
B19d
B19d
B19d
B19d
DRAM
512KX16X2
B19b
B3a
B3a
SCL-F3
SN-CL
SN-DA
CLK-OSD
HD3-OTC
VD-OTC
PWR-OK-PDP
LCD-PWR-ON
LAMP-ON
B3a
B3c
B19a
Vref
Href
RSTR
B3c
B3c
REF
FALREF
REFIN
CLKP
U-AD (0-7)
UV-AD (0-7)
Y-AD (0-7)
1TO1
UV1318ST
S-SDA
S-SCL
+33V
1P05-A
1P08
7P06
EF
1P04-A
18
IN-CVBS-SC1_AV1-SUB
AV3-CVBS-IN
IN-Y-CVBS-SC2_AV2
SC2-R_C-IN
21
SAW FILTER
AUDIO
SAW FILTER
VIDEO
SOUND
FILTER
7P09
TDA9321H
PLL
DEM
GROUP
DELAY
COR.
VIDEO
SWITCH
+
CONTROL
QSS
MIXER
AM
DEMO
QSS-AM
PIP-AM
MONO-HIP-OUT
7,3
2
10 12 13 14
Y
PROC.
Y/U/V
SWITCH
UU
Y
U
V
VY V
UY
R
SCART1
SCART2
V
Y
C
PROC.
SYNC
SEPAR.
61
60
HS-HIP-OUT
VS-HIP-OUT
51
50
49
H-SYNC
PROC.
V-SYNC
PROC.
DECODER
PA L
NTSC
SECAM
C
3
62
63
64
5
SUB TUNER
AGC2
7P05
RGB/YUV
MATRIX
7P07-2
20
I6
TUNER AGC
V1
SIF2
SIF1
VIF1
VIF2
7P08
EF
26
EF
G B
36 37 38 39
R G B
41 42 43 40
9
15
11
4
+5V
IF-TER2
V2
16
SEE
BLOCK DIAGRAM
AUDIO
23
24
B14A
Y-CVBS-PIPDW-OUT
C-PIPDW-OUT
SUB-Y/U/V
SC2-FBL-IN
SC2-R_C-IN_AV2
SC2-G-IN
SC2-B-IN_C-OUT
Y-HIP-OUT
U-HIP-OUT
V-HIP-OUT
HIP
54
57
46
47
1P00
4.43MHz
PA L
1P03
3.57MHz
NTSC M
SCL-S
SDA-S
5T04
B2
B14a
B14a
N.C.
B14c
B14g
B15B
MUPPET
DOUBLE
WINDOW
PROC.
98 8
7PA7
IN-Y50
7PA6
SAB9081H
12
10
DY
DU
DV
2
7PA8
IN-U50
100
7PA9
IN-V50
70
VA50-PIP
94
83
79
81
4
MUPPET_BLK
OR
GATE
7PB1
7PA5
7PB5
SDA-S
168
74
73
75
2
72
87
9
10
11
12
3
I/O
EXP
7P56
M62320
3PB8
7PA2
7PB6
7PA0
7PA1
HA50
2
SDA-S
SCL-S
SCL-S
FBLK
SWITCH-MAIN
PIP_RESET
SWITCH-SUB
PIP-RESET
B14C
B15C
B14C
HA
9
16
11
6
3
5
MUPPET-BLK
7P54
BA7609F
8
1
14
7752-1
T6TU5XB
COLUMBUS
I/O
7753
MSN56V16160F-7TS
SDRAM
VA50
16
17
18
19
20
1I59
96
97
91
92
RX2-
RX2+
RX1-
RX1+
RX0-
RX0+
RXC+
RXC-
SPDIF
IOB
IOG
IOR
7
12
15
34
33
H-DVI
B-DVI
G-DVI
R-DV1
HDMI
PANNELLINK
RECEIVER
7I18
SII9993CT
7E24
AD9283BRS-80
VD-OTC
8-BIT
ADC
B13b
5T02
B15B
PIP-CVBS-MON
32
PIP-OUT
32
PIP-OUT1
B14c
B14c
B2
B14c
7PB2
HA
SDA-F3
SCL-F3
SERIAL
REGISTER
+
POWER
MAN.
A/D
COVERTER
SYNC
PROC.
+
CLOCK
GENERATOR
B3a
Href-EXT
B3a
B3c,d,B19d
7V03
MSM56V16160F
DRAM
512KX16X2
SD-A
SD-DQ
BUS A
BUS B
BUS C
UVA / YA
UVB / YB
AD(0-7)
B19D
OTC
YF (0-7)
UVF (0-7)
UVF (0-7)
YF (0-7)
B13a
18
B15a
N.C.
B3a
B3a
B3a
B19a
B19a
B19a
B15b
B15b
B15b
B15b
VA
B19d
B14b
B14b
N.C.
B19C
EPLD CONTROL
EPLD I/O
B19D
B3c
7E03
7E04
SWITCH-1FH
SWITCH-2FH
SWITCH-2FH
SWITCH-2FH
CLK32I
B19b
B19b
B19d
B19d
CLK32P_EPLD
CLK32E
B19b
B19d
CLK32E
B19d
B3a
B3c
B3c
B3c
EAG_SD
COL_SD
19
1
18 2
1I56
1I57
86
87
1I53
84
83
RX-DDC-SCL
RX-DDC-SDA
IN-5V
RX-HOTPLUG
1D01
V-DVI
21
34
1I10-A
1I01-3
1I01-2
AV5-PB
AV5-PR_AV7-C
AV5-Y_AV7-Y
CVBS-SC2_MON-OUT
87
910
1I10-B
1I04-3
1I04-2
AV4-PB-B
AV4-PR-R_AV2-C
AV4-Y-G_AV2-Y-CVBS
CVBS-SC1_AV1-IN
1I02
AV4-H
B2
B14c,g
B14c,g
B14c,g
B14g
B14g
2
5
1
34
1M36
C
CVBS
SVHS
Y
2
4
Y
C
3
C-PIPDW-OUT
C-FRONT-IN
Y-CVBS-FRONT-IN
Y-CVBS-PIPDW-OUT
2
4
3
1M36
FRONT-Y-CVBS-IN
FRONT-C-IN
B14F
B14F
B14F
B14G
AV6-R
AV6-B
AV6-G
13
15
22
A/D
COVERTER
7L01
AD9883AKST
2-9
70-77
12-19
Y- 2 F H
V-2 FH
U-2FH
SDA-F3
SCL-F3
GROUND
1
LOGIC
SEPA
SYNC
DET
2
1
1
1
2
1
2
2
2
VD1-IN
12
VD2-IN
HD-S-SIG-DET
2
HD1-IN
24
HD2-IN
23
R-OUT
21
R1-IN
1
R2-IN
7
20
VCC
VD-OUT
14
18
CTL
16
G-OUT
19
G1-IN
3
G2-IN
9
4
6
8
10
HD-OUT
7I55
BA7657F
B-OUT
B1-IN
5
B2-IN
11
C-S-OUT
17
C-V-IN
SEL_IN_1_B
+5VIO
7I56
7I57
7I58
R-VGA
G-VGA
B-VGA
43
48
54
SYNC
PROC.
+
CLOCK
GENERATOR
SERIAL
REGISTER
+
POWER
MAN.
31
30
49
67
65
64
66
CLK-2FH
SYNCDET
V-2FH-AD-OUT
H-2FH-AD-OUT
HDVI
V-DVI
B-DVI
G-DVI
R-DV1
B19d
B19b
B15a
B19d
B19d
SC2-R_C-IN_AV2
SC2-G-IN
SC2-B-IN_C-OUT
13
15
22
GROUND
1
LOGIC
SEPA
SYNC
DET
2
1
1
1
2
1
2
2
2
VD1-IN
12
VD2-IN
HD-S-SIG-DET
2
HD1-IN
24
HD2-IN
23
R-OUT
21
R1-IN
1
R2-IN
7
20
VCC
VD-OUT
14
18
CTL
16
G-OUT
19
G1-IN
3
G2-IN
9
4
6
8
10
HD-OUT
7I71
BA7657F
B-OUT
B1-IN
5
B2-IN
11
C-S-OUT
17
C-V-IN
SWITCH-MAIN
+5VIO
AV5-PB
AV5-Y_AV7-Y
AV5-PR_AV7-C
AV6-H
AV6-V
AV6-B
AV6-G
AV6-R
B15B
B14F
B14F
B14F
B14F
B14F
Y-CVBS-SC2_AV2-IN
C-SC2_SVHS-IN
B2
B2
B2,B15a
B2,B15a
B2,B15a
a
b
c
a
bc
ab
B2
B2
B15a
B15a
AV4-V
AV6-V
AV6-H
B14g
B14g
5
2
12
4
15
14
3
1
13
7I33
74HC4053
AV4-PR-R_AV2-C
B14b
AV5-Y_AV7-Y
AV5-PR_AV7-C
AV4-Y-G_AV2-Y-CVBS
AV4-PB-B
AV5 -PB
7I26
7I28
7I30
7I48-1
7I48-2
SUB-V
SUB-Y
SUB-U
SC2-R_C-IN
IN-Y-CVBS-SC2_AV2
B15a
B15a
B15a
B15a
B15a
B14b
B14b
B14b
B14b
B14b
V-2 FH
H-2FH
7I29
7I31
7I27
Y- 2 F H
U-2FH
V-2 FH
G-SC1_Y-IN
B-SC1_U-IN
R-SC1_V-IN
B2
B2
B2
B14g
B14g
B14g
TXLCD0-
TXLCD0+
TXLCD1-
TXLCD1+
TXLCD2-
TXLCD2+
TXLCD3-
TXLCD3+
TXCLKLCD-
TXCLKLCD+
18
1G50
17
16
15
14
13
10
9
12
11
1,2,3,4
11,14,17,20,23,26,27,28,29,32,33
VDISP
DISPLAY
PA RI T Y
CLK-OUT
B1
5Z01
5Z02
5Z03
5Z05
5Z04
R7
R5
G6
G7
G5
B0
B5
3V32
3V31
3V30
4V29
3V28
3V27
3V26
3V25
3V33
3V24
R (0-7)
G (0-7)
B (0-7)
B3A
B14g
B14g
B14g
B14G
VS-2FH
HS-2FH
SUPPLY
+2V5-IO
+3V3-IO
+1V5-INT
+1V5-PLL
(FOR AP)
B14D
HDMI
CONNECTOR
(AP)
(US)
(FOR AP)
(AP)
(US)
(NO PIP FOR STEP B SETS)
(FOR AP)
1001
1002
AV1
H
V
Pb
Pr
Y
CVBS
Pb/B
Pr/R
Y/G
CVBS
Y/C
Y/C
AV1
MON.
OUT
AV2

Table of Contents

Other manuals for Philips 50PF9966