EasyManua.ls Logo

Philips 50PF9966 - Filter Standby; Power Supply Unit (FHP 42 Inch): Filter Standby

Philips 50PF9966
136 pages
Print Icon
To Next Page IconTo Next Page
To Next Page IconTo Next Page
To Previous Page IconTo Previous Page
To Previous Page IconTo Previous Page
Loading...
30FTP2.2U AA 7.
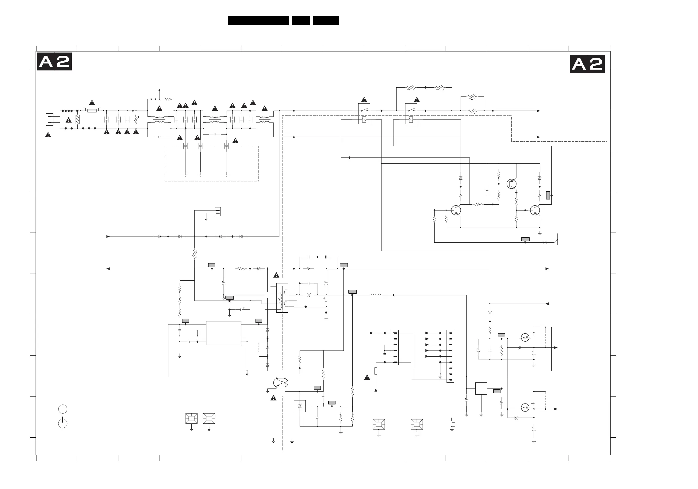
Circuit Diagrams and PWB Layouts
Power Supply Unit (FHP 42 Inch): Filter Standby
+t
t
V
COM
OUTIN
+t+t
t
1004 H9
1400 A2
1402 A3
1404 I9
1405 I10
1450 B9
1460 B10
1M05 D5
2001 B4
5V4(5V4)
1234567891011
FILTER
GROUND
RES
RES
RES
8V7(9V7)
RES
RES
H
I
0201 I5
0203 I4
0306 G9
0308 A1
0309 I11
0311 G11
B
C
D
E
F
G
H
A
B
C
D
E
2002 B3
2003 B4
2004 B5
2019 B4
COLD
RES
HOT
2405 B4
2406 B5
2407 B5
2408 B4
2465 C11
2502 E8
2503 F6
2504 G4
2505 F5
2507 E7
2508 F7
2509 F7
2510 F7
12 13 14
1234567891011121314
A
2513 G4
2530 G11
2531 G11
2532 G13
2533 I13
2540 I11
2541 I12
3026 F4
3035 F4
3036 A11
3400 B3
3401 B1
3404 A4
F
G
600V
RES
RES
RES
2400 B2
2401 B6
2402 B2
2403 B5
2404 B4
NC
3452 A11
3460 D10
3461 D10
3463 D11
3465 D12
3467 C12
3469 D12
3470 D12
2511 I7
2512 I7
D
6W7
HOT
G
VR37
INPUT
MEASURED DC-VOLTAGES
8V7(9V7)
STANDBY SUPPLY
GND
387V(22V)
387V(OV)
3503 I8
3504 I8
3505 H8
3506 E4
3507 F4
3508 E6
3520 G12
3450 A10
3451 A10
COLD
TO
3V4(3V4)
STANDBY (. . .)
(DISPLAY)
T2A/250V
5401 B4
5402 B6
5500 F7
5503 F9
6460 D11
6461 C11
6470 D13
6471 C13
6501 G6
3501 H7
3502 H7
FILTER STANDBY
6504 E7
6505 F7
6506 G6
6510 E3
6511 E4
6512 E5
6513 E6
6520 F12
6530 G12
6531 I12
3530 G12
5005 B5
VPR2
G
RES
GROUND
7470 D13
7500 F5
7501 H6
7502 H7
7530-A G12
7530-B I12
7540 I12
9021 G13
9022 I13
9023 G6
6502 H6
6503 E6
GROUND
VCC
RELAY CONTROL
CN6
S
MAINS
6W7
95-264Vac
1%
F403 A1
F404 A1
F405 A2
F406 B1
F407 B1
F408 B2
F409 B2
F410 B2
F411 D13
7460 D11
7465 C12
CONTROL
GROUND
NORMAL . .
F506 H9
F507 G10
F508 G10
F509 G10
F510 G10
F511 G10
F512 H10
F513 G9
I400 A4
I401 A3
I402 A4
I403 B4
I404 B6
F401 B1
F402 B1
SWITCH
BS16322-01
A3
5V4(5V4)
PDP
D
1%
CN11
ERC12
495
I411 C11
I412 D10
I413 C12
I414 D12
I415 D12
I416 D12
I417 C13
I501 D4
I502 D5
I503 D5
I504 E5
I505 E6
I506 E7
F412 E12
F500 F5
600V
COLD
SECOND STBY
NC
T6,3AH/250V
F501 F5
F502 E8
F503 F8
F504 F7
F505 F8
I511 G6
I512 H7
I513 H7
I514 I8
I515 G11
I516 G12
I517 H12
I518 E6
I519 F9
I520 A7
I521 A6
I522 E7
I523 H6
I405 B7
I406 A9
MAINS
GROUND
S
I407 C8
I408 A10
I409 A10
I410 A12
I515
600V
TO
PR02
SWITCH
I507 F7
I508 G4
I509 G4
I510 G6
F407
F510
MECHPART
0201
F404
2
0309
0-106451-1
1
BYG10
6512
6503
RS1G
100-230VAC2
I412
220p
2502
BZX384-C18
6530
7465
BC857BW
I502
I505
I511
6531
100-230VAC1
+9V_STBY_SW
BZX384-C18
VCC
10K
3467
I401
F504
I402
3036
B57464
I407
680K
3507
470p
2407
250V
I510
3470
10K
3461
BAS316
6520
10K
220p
2507
50V
1004
50V
2509
100p
6460
BAS316
10R
3520
10R
3508
3506
232266293
2465
100u 16V
F508
4K7
3503
9023
I523
BZT03-C
6506
I512
+9V_STBY
I503
F502
F511
35V1m0
2505
3400
2322595
I406
F409
I501
100n
2512
16
100u
2532
16V
SI4936ADY
7530-B
5
6
4
3
0311
PH-B
1
2
3
4
5
6
7
8
9
4
F507
SDT-SS-109DM
1450
12
3
1404
SHIELDING 3.3
47u
2503
F401
2408
2403
470n
470n
I410
2402
470n
I521
+5V_STBY_SW
9021
I513
VSAGO
I509
I507
I508
12
34
1000
2406
47p
5005
DMF28
F410
I417
F513
+3V3_STBY_SW
4K7
3460
GROUND
6513
BYG10
4K7
3505
6510
BYG10
6502
BZT03-C
16
2511
100n
I415
VRA
6471
BAS316
680K
3026
470n
2401
I522
I504
I405
7460
BC817-25W(COL)
GROUND
I403
3504
33K
19181
1400
BAS316
6470
BYG10
6511
F500
25V_HOT
F505
F503
F501
I519
2004
1K0
3501
470n
2003
470n
470n
2002
+3V3_STBY_SW
47p
2404
1000
F403
9022
I416
GROUND
3463
10K
470R
3502
16V10u
2531
161m
2510
F405
4
F408
I413
DMF28
5402
1
2
3
1
2
B2P3-VH
1M05
F406
VCEGO
I518
2533
16V
3401
1M
100u
TCET1102
7501
14
32
3035
680K
I517
16V100u
2541
I404
I506
F509
12
34
3
K
1
2
R
5401
DMF28
TS2431
7502
A
2400
470n
GROUND
DSP
1402
100K
3530
I409
VRS
2540
100u 16V
F402
400V_HOT
F506
32
PFCGO
I411
6
7540
LD1117DT33C
1
PH-B
0306
1
2
3
4
5
BZT03-C
6501
I520
123
I516
F512
HEATSINK
0203
BAS316
6461
7470
BC817-25W(COL)
F412
2530
10u 16V
6504
RS1G
I408
6505
SS34
5503
22u
2001
470n
6
SOURCE3
SOURCE4
7
SOURCE5
8
SHIELDING 3.3
1405
7500
TNY256
BYPASS
1
DRAIN
5
ENABLE
4
SOURCE1
2
SOURCE2
3
250V
2019
470p
2508
100u
16V
I400
3469
4K7
B57464
3452
3404
220R
50V
2504
1n0
12
34
SDT-SS-109DM
1460
3465
10K
232266293
3450
8
2
1
F411
2513
100n
7530-A
SI4936ADY
7
B2P3-VH
0308
1
2
25
232266293
3451
9
470p
2405
250V
1
2
3
4
5
6
7
8
I414
5500
AC2
AC3
AC2
AC3
AC3
GROUND
I514
AC3
AC5
SUPPLY_ON
AC5
E_14650_027.eps
180604
3104 313 6017.3

Table of Contents

Other manuals for Philips 50PF9966