EasyManua.ls Logo

Philips 50PF9966 - Power Supply Unit (FHP 42 Inch): aux Supply

Philips 50PF9966
136 pages
Print Icon
To Next Page IconTo Next Page
To Next Page IconTo Next Page
To Previous Page IconTo Previous Page
To Previous Page IconTo Previous Page
Loading...
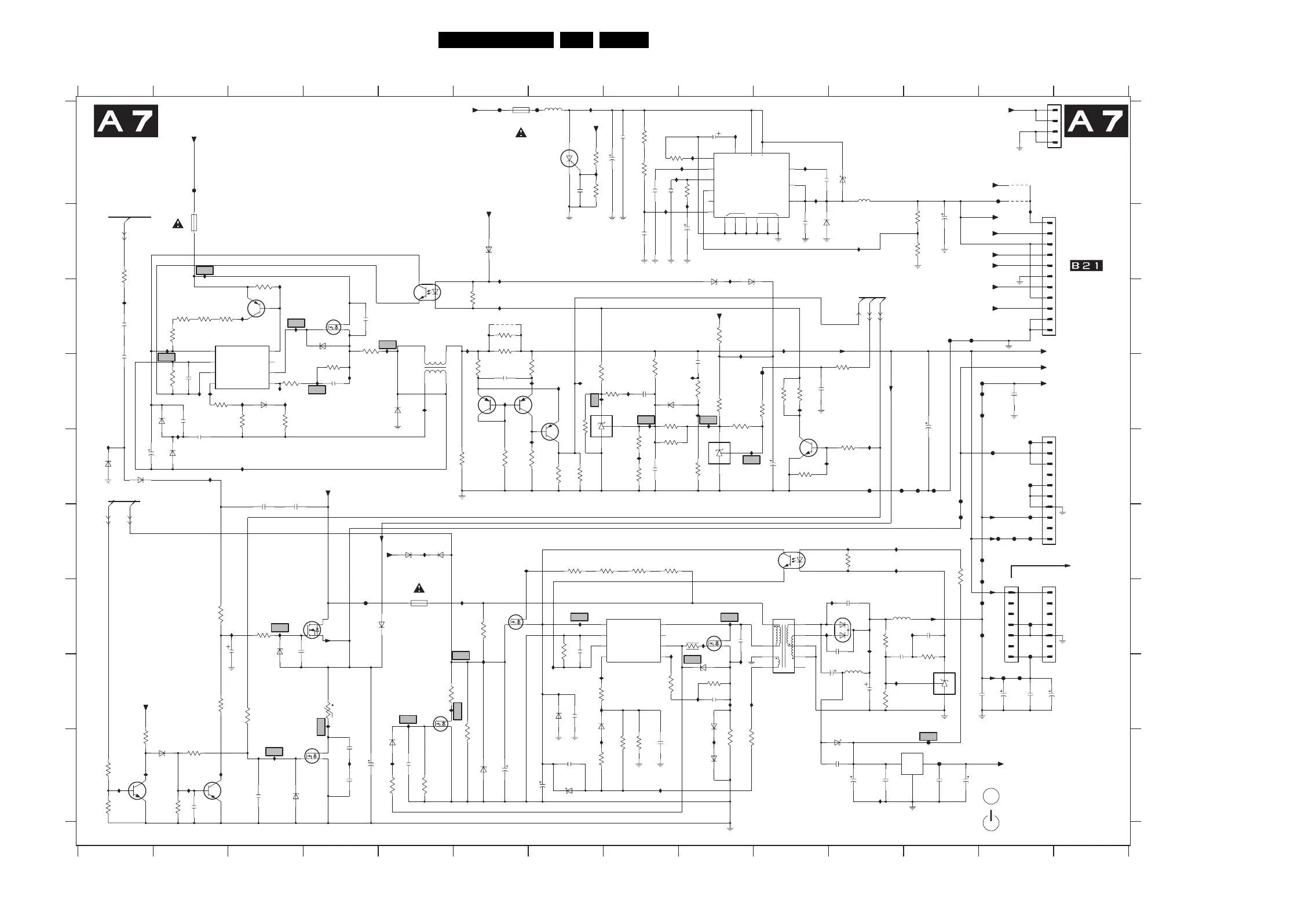
34FTP2.2U AA 7.
Circuit Diagrams and PWB Layouts
Power Supply Unit (FHP 42 Inch): Aux Supply
COM
OUTIN
+t
GND
VCC
I231 F11
I233 G11
I234 G12
I235 G11
I236 G9
I237 H11
I238 G10
I240 H9
I243 I11
I244 I4
I245 I9
I246 B6
I247 B9
I204 I3
I207 I1
I208 H6
I209 H9
I210 G6
I211 F5
I212 F6
I213 H6
I214 G7
I215 H7
1%
A3
I216 H9
I217 G8
I218 H7
I219 H9
I220 H5
I221 H7
I222 I5
I223 I8
I224 I8
I225 I1
I230 F11
I132 E9
I133 B9
I134 A10
I135 C6
I136 B11
I137 B13
I138 A10
I139 A9
I140 A9
I141 A9
I142 B8
I147 C3
I148 H10
A6
TO
VCC-SUPPLY
I152 C10
I153 D7
I154 D7
I155 D7
I156 D6
I157 E6
I158 C1
I159 E1
I160 E2
I161 G3
I200 G3
I201 H4
I202 I3
I203 I2
I111 D6
I112 D3
I113 E2
I114 E3
I115 D2
I116 D3
I117 D3
I118 D4
I120 D9
I121 D8
I122 E11
I123 D9
I124 D7
TO
1M46
CN52
STANDBY .
LIGHTING
RES
AMBIENT
I125 D10
I126 D9
I127 D8
I128 D9
I129 E10
I130 A8
I131 E8
F129 F13
F130 D12
F131 D12
F132 F13
F133 F13
F134 F12
F135 G12
F136 G12
F137 G13
F138 H13
F139 H13
F140 G12
F260 A6
F264 A13
F265 A7
I101 B2
I102 C3
I103 A7
I104 A8
I105 D2
I106 C3
I107 C5
I108 D5
I109 D2
I110 D4
7230 I12
7260 A9
9000 A13
9001 A13
9002 C6
F102 D13
F106 F13
F107 G13
F110 A2
F111 D10
F113 G4
F114 I12
F116 I12
NCVCC
MP200
F118 E13
F119 E12
F120 F12
F121 E13
F122 C12
F123 E13
F124 C12
F125 E11
F126 E11
F127 E12
F128 E12
6269 H9
6270 I9
7050 G4
7052 I4
7058 I1
7059 I2
7110 C3
7112 C2
7117 C4
7120 C5
7121 D8
7130 E9
7134 E10
CN42
TO
7140-A D6
7140-B D7
7142 D7
7200 G6
7202 H5
7212 G8
7217 G9
7220 F10
7227 H12
6113 D3
6114 B9
6117 C4
6120 D5
6123 D8
6133 B6
6142 G4
6201 B9
6202 I5
6204 F5
6205 I6
6206 F5
6211 I7
NC
NORMAL .
(DISPLAY)
6213 H7
6216 H9
6225 G11
6230 I11
6260 A7
6267 B10
6268 A11
3262 A8
3263 A8
3264 A9
3265 A8
3268 B12
3269 B12
5121 C5
5220 G10
5225 G11
5229 H11
5260 A7
5268 A11
6050 G3
VCC
1%
VA
1%
6054 E1
6055 E1
6061 I3
6062 H7
6086 I2
6111 D2
6112 E2
3206 F7
3207 F8
3208 F8
3209 F8
3212 G7
3213 I7
3214 H7
3215 I8
3216 H8
3217 H9
3218 I9
3219 I8
3220 I9
FROM
A3
CONTROL
3224 G11
3225 H11
3226 G12
3228 F12
3229 F11
3260 A7
3261 A7
3136 E10
3138 D6
3139 D6
3140 E6
3141 E6
3142 E7
3143 E6
3145 C6
3146 C6
3147 D10
3148 E7
3149 G9
3150 D7
T5A/250V
8V6(0V)
10V4(0V7)
35V(4V)
0V1(8V)
104V(0V)
5V2(0V)
NC
SSB
3200 G6
3202 H5
3203 I5
3204 I5
3205 I6
3118 C4
3120 D7
3121 D8
3122 D8
3123 D9
3124 D8
3125 E8
3126 E8
3128 E9
3130 D9
3131 D9
3132 E8
3133 C9
TO
S
NC
D
VA
(8V4)
87V
1%
VCC
11V5(0V7)
(0V5)
VCC
3134 D10
3135 E11
3079 D10
3083 H2
3084 I1
3085 I1
3086 I2
3087 I1
3088 I2
3106 C2
3107 C2
3108 C2
3109 C2
3110 C3
3111 C6
MEASURED DC-VOLTAGES
CN23
+12V-SUPPLY
2V5(0V3)
TO
35V(4V)
(DISPLAY)
3112 D2
3113 D2
3114 D3
3115 D3
3116 D3
3117 D4
2264 A8
2265 A8
2266 B9
2267 B10
2268 A10
2269 B12
2270 A9
2273 D13
2274 D10
3051 G3
3053 H4
3055 B1
3058 G2
PDP
VA
1%
12V6(ON)
(0V5)64V
(0V)
VS
87V
(0V5)
(0V5)
NC
0V
105V
5V2(0V7)
3062 H3
3063 D11
2226 G11
2227 G12
2228 H12
2229 H11
2230 I11
2231 I12
2232 I11
2233 H13
2234 I11
2235 I12
2236 H13
2237 H13
2260 A7
2V5
(0V3)
3V3
VCC
G
A3
2261 A8
2262 A8
2263 B8
2133 E10
2138 D6
2203 I5
2205 I6
2210 I7
2211 I7
2212 G7
2213 I4
2214 I4
2217 H9
2218 G9
2219 I8
2222 G11
A3
1%
PDP
1%
1%
1%
1%
2223 G11
2225 H11
2021 I4
2050 G3
2051 H7
2054 C1
2055 E3
2056 D1
2057 E3
2058 H2
2059 I2
2061 I3
2111 D2
2112 D2
2113 E1
VA
1%
SFR16
(DISPLAY)
2114 E2
2117 D4
2118 C4
2121 D12
2122 D9
2123 D8
2126 E8
RES
RES
7 8 9 1011121314
A
B
C
VA
PROTECTION
0352 G13
1110 B2
1200 G5
1260 A6
1M10 A14
1M46 B13
8 9 10 11 12 13 14
123456
RES
RES
A2,A3
2W 1%
RES
RES
RES
VA
RES
RES
RES
RES
VA
VCC
VS
RES
1234
NC
600V
AUX SUPPLY
DISCHARGE
CONTROL
1%
SEQUENCE
567
T2A/250V
NC
Vs_unsw
1%
NC
PDP
D
E
F
G
H
A
B
C
D
E
F
G
H
I
0323 E13
0342 G13
Adj.
1K0
3063
16V
10n
2274
2230
470u
2231
47u
16V
I123
2235
1u0
F122
I214
I126
8
SS34
6230
1
11
12
13
14
4
5
7
I236
BS29238-00
5220
BAS316
6202
220u
5229
F133
I154
BZX384-C18
6205
47K
BAS316
6206
I217
3088
100p
2227
50V
BZX384-C18
6216
6061
BZX384-C18
3136
47K
16V47u
2210
F106
PH-B 1M10
1
2
3
4
I122
1
2
3
4
5
6
7
2265
330p
I129
PH-B
0342
50
2054
220p
2K7
3107
BAS321
6055
I102
100n
2051
1u0
2234
2261
1m0 50V
6086
BAS316
1K0
3083
2K7
3109
2K7
3206
I203
I101
I105
F130
I221
1K0
3265
BZX384-C6V8
6114
I103
+12V
+12V
100n
2126
16
F127
3114
560K
I220
VS
I125
I158
VTUN
3268
1K0
I208
BAS316
6213
I207
F120
+30V
F116
3087
47K
560R
3229
10K
3055
I109
+5V_STBY_SW
16
2217
330n
50V
2055
1n5
2K2
3126
6112
BAS316
9002
220p
2056
F140
3118
0R051
I112
2229
470u
16V
2K7
3269
18K
3123
220R
3132
2
13
L4940P
7230
I230
DRIVER
6
GND
2
HVS
7
SENSE
5
VCC
1
PMST5550
7059
7212
TEA1507
3
CTRL
DEMAG
4
DRAIN
8
1
10
2
3
4
5
6
7
8
9
+8V6
0323
VH
3128
33K
6211
SS14
3138
2219
10p
I202
220R
F137
BAS316
6111
3205
100K
F126
75K
3122
2K7
3207
7142
PMST5401
7110
PMST5401
100n
2226
3142
1K
2267
4n7
16
220n
2268
F102
I104
F110
100K
3204
3145
0R51
F134
220n
2114
50
3141
75K
50V
2232
4n7
I159
PSMN035
7050
6.3V
2233
10u
6054
BAS321
F118
50V22u
2133
BZX384-C18
6117
4
5
6
7
8
9
+5V_STBY_SW
0R51
3146
PH-B
1M46
1
10
11
2
3
I116
SL04
6268
I152
3112
1K
I238
12K
3130
3115
220K
470K
3113
0352
PH-B
1
2
3
4
5
6
7
I243
10K
3226
I124
I156
3261
BZX384-C18
6050
I215
1K0
2121
2200u 100V
220K
3200
1n5
2057
I212
VCC
1n0
2112
50V
3121
47K
100p
2222
50V
3217
10K
34
I211
BD21232
5121
21
3216
1K
2n7
2263
3203
100R
+9V_STBY_SW
R
F125
I135
7227
TS2431
3
A
1
K
2
I121
3110
1K
1200
19372
33R
3220
I117
100n
2273
I233
+30V
I110
19372
1110
F124
47R
3202
47K
3086
7217
PSMN070
3108
2K7
560R
3264
5225
4u7
50
2111
220p
F129
I140
I106
+9V_STBY
I139
I107
1K
3116
3062
70-90V
I134
1K
7202
BSN20
50V
2205
2u2
IRFR18N15D
7052
70-90V
I223
+8V6
BYW29EX
6120
I157
1K
3212
F107
2225
2m2
25
6133
BAS316
2213
4n7
7058
BC847BW
2264
470n
I231
10K
3117
3
A
1
K
2
R
3140
75K
7130
TS2431
I111
4K7
150R
3228
3262
10K
3143
I153
I204
2266
4u7
7220
TCET1102
4
3
5
3
4
I209
BC857BS
7140-B
I240
3124
7K5
I224
270K
3215
S3J
6142
7140-A
BC857BS
2
6
1
I225
3053
232266293
3
A
1
K
2
R
TS2431
7121
16V10u
2236
7117
PSMN035
F138
VCC
2m2
2269
220n
2262
100n
2203
16
9000
47K
3135
I161
I130
1K0
3260
7120
TCET1102
1
4
3
2
3225
11K
3147
10K
BZX384-C18
6062
I114
I201
F136
100n
2061
16
12K
3224
1K8
31203214
120K
3218
0R051
I127
I115
I235
10
1u
2138
10u
2228
6.3V
10K
3219
+12V_OVP
+5V_STBY_SW
16
I155
100
2058
1u
330n
2117
220R
3139
50V
2223
100p
1000
BAS316
6113
2118
1n
7
HVS
5
SENSE
1
VCC
47K
3085
TEA1507
7112
CTRL
3
4
DEMAG
8
DRAIN
6
DRIVER
2
GND
I234
I222
I113
I132
F123
1u
2122
63
F135
220p
2211
50
I118
16
2212
220n
100R
3133
F131
1260
361
I160
5268
100u
I138
2237
10u 16V
I131
6260
BT151X-500R
I147
7K5
3125
50V
2050
22n
I244
F265
F114
4n7
2214
I148
F119
6269
BYG10
3149
4R7
3150
1M0
F128
6267
SB540
1
3
2
3n3
2218
1600
I213
STPS20L40CFP
6225
F111
2K7
3209
3134
680R
BC847BW
7134
100V3m3
2021
I120
I246
I245
BYG10
6270
I137
I133
I136
25V
220u
2113
100u
5260
I141
3263
10K
I108
F121
I219
I128
9001
16
2059
100n
I216
33K
3213
7200
BSH114
F132
I237
BZX384-C5V6
6204
I218
3208
2K7
10K
3111
10K
3084
2260
1u0
VA
6131415
INH
10
OSC
1
OUT1
2
OUT2
3
SS
17
SYNC
18
V5.1
16 87
VFB
12
7260
L4973V
BOOT
9
COMP
11
45
2270
47u
I210
6123
BAS316
3106
2K7
3n3
2123
50V
I247
I142
3079
680R
6201
BZX384-C5V6
I200
3131
11K
3051
8K2
5K6
3148
F113
+30V
3058
1M
F264
F139
F260
VRA
VCC_GO
POK
VB
VSA_CONTROL
IAKS
E_14650_031.eps
180604
3104 313 6017.3

Table of Contents

Other manuals for Philips 50PF9966