EasyManua.ls Logo

Philips 50PF9966 - Small Signal Board: Main Tuner

Philips 50PF9966
136 pages
Print Icon
To Next Page IconTo Next Page
To Next Page IconTo Next Page
To Previous Page IconTo Previous Page
To Previous Page IconTo Previous Page
Loading...
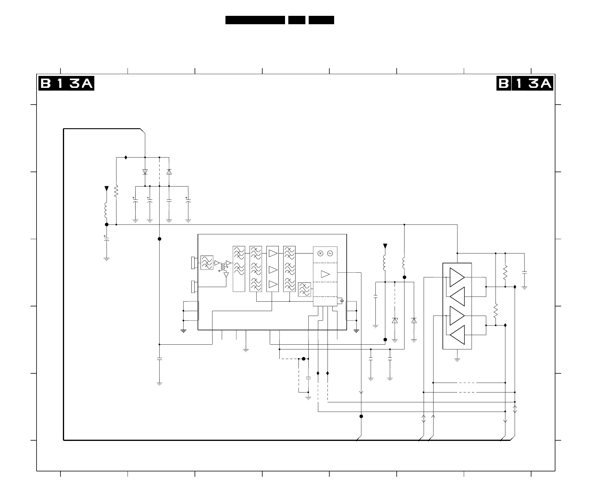
Circuit Diagrams and PWB Layouts
57FTP2.2U AA 7.
Small Signal Board: Main Tuner
MIX-OSC
PRE-FIL
TRACK
FILTER
GAIN
CTRL
PRE-AMP
TRACK
FILTER
RF
MT
OUT
INTMED
FILTER
PRE-FIL
BOOSTER
SPLITTER
MT
IN
RF
PLL
AGC
DET
IF AMP
RES
RES
B2
RES
B13b
FT50 B1
FT51 C2
FT52 D4
FT53 C6
FT54 D5
IT50 A1
IT51 D4
IT52 D5
IT53 C7
IT54 D7
MAIN TUNER
RES
RES
3T03 B1
3T05 C7
3T06 D7
5T20 B1
5T22 C5
5T25 C6
6T01 A2
6T03 B2
6T05 D6
6T08 D5
7T50 C6
9T01 A2
9T04 D4
9T05 E4
9T07 E4
9T08 E4
9T12 E7
9T14 C5
9T50 E7
AT00 E5
1234567
1234567
A
B
C
D
E
A
B13b
B
C
D
E
1T01 B3
2T01 B2
2T04 C5
2T05 B1
2T06 E4
2T09 D5
2T12 C7
2T13 B2
2T15 D5
2T17 D2
2T21 B2
2T22 B2
B2
1u
2T15
5T25
10u
2T09
22n
FT52
9T05
IT53
9T07
10K
3T05
AT 00
IT50
IT54
+33V
9T01
9T12
17
NC1
6
10
NC2
4
SCL
5SDA
2TU
8 ADC
1AGC
3AS
11IFOUT
12
13
14
15
16
1T01
UV1318ST/AIH-MK3
33V9
75V
2T06
10n
10n
2T17
2T01
220u
FT51
3T03
+5V
2T04
47n
9T50
FT54
BAS216
6T01
2T05
220u
FT53
3T06
10K
6T05
SML4752-33V
6.3V47u
2T22
6.3V220u
2T21
IT51
IT52
2T13
10n
FT50
6T08
PDZ-33B
100n
2T12
5T22
6T03
BAS216
5T20
SY
3TX
TY 5
8
VCC
P82B96TD
7T50
4
GND
2RX
6RY
1SX
7
9T14
9T04
9T08
AGC
S-SCL-PIP
SDA-S
SCL-S
IF-TER
S-SDA-PIP
E_14620_100.eps
070704
8204 000 8341.3

Table of Contents

Other manuals for Philips 50PF9966