EasyManua.ls Logo

Philips 50PF9966 - Small Signal Board: Screen Interface

Philips 50PF9966
136 pages
Print Icon
To Next Page IconTo Next Page
To Next Page IconTo Next Page
To Previous Page IconTo Previous Page
To Previous Page IconTo Previous Page
Loading...
74FTP2.2U AA 7.
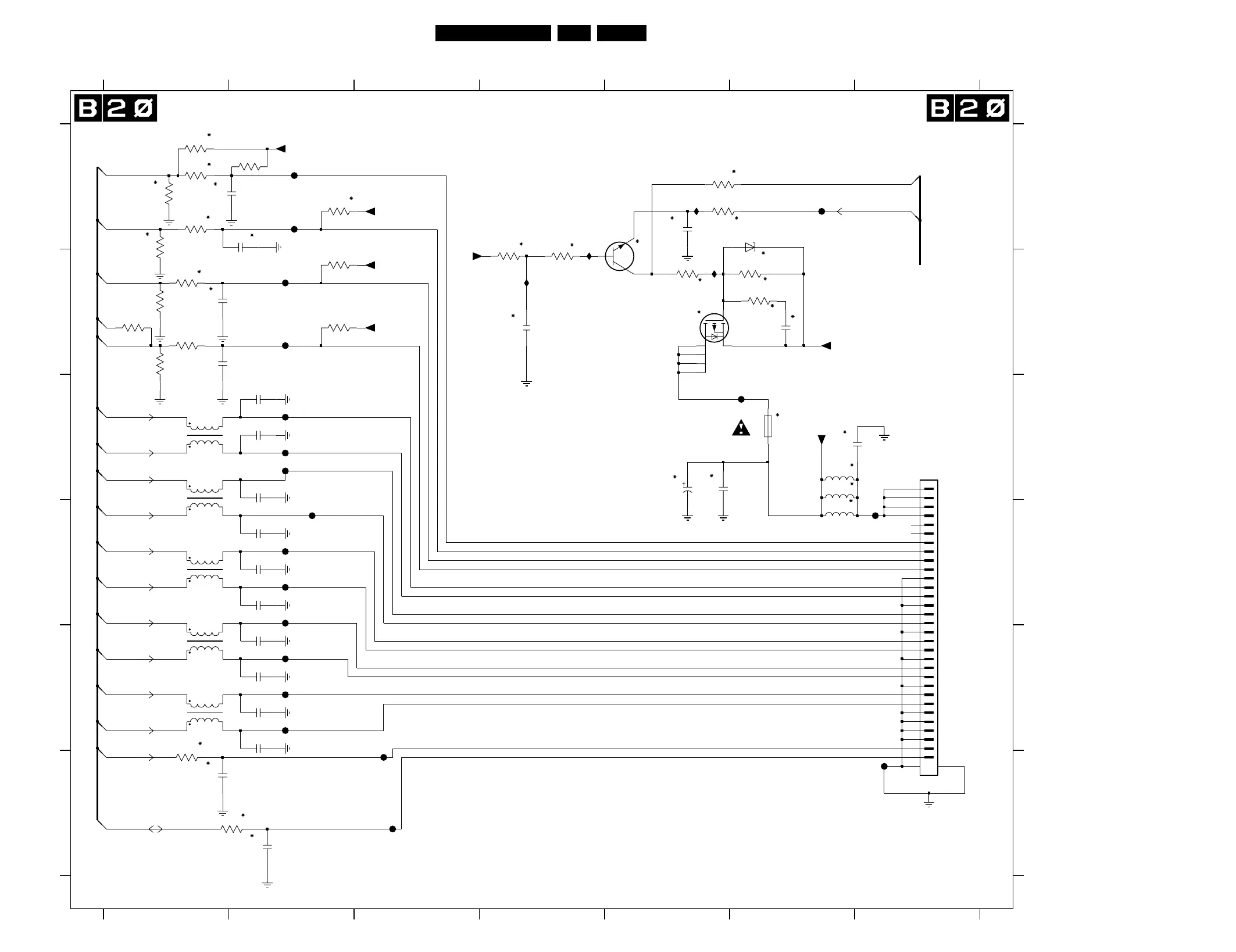
Circuit Diagrams and PWB Layouts
Small Signal Board: Screen Interface
B19d
B19d
2Z49 D2
2Z50 E2
2Z51 E2
2Z52 E2
B13b,B19d,B20
234567
A
LVDS
CONNECTOR
FZ43 A2
FZ44 A2
FZ45 B2
FZ46 B2
FZ66 A6
IZ00 B5
IZ01 A5
IZ02 B4
IZ03 A4
B19d,B21
B19d
TO
2Z53 E2
2Z54 B6
2Z55 B4
2Z56 A5
2Z57 B1
2Z58 A1
E
F
1G50 C7
2Z44 C2
2Z45 C2
2Z46 C2
2Z47 D2
2Z48 D2
B19d
3Z24 B2
3Z25 B2
3Z26 A2
3Z28 C6
B
C
D
E
F
A
B
C
D
FZ08 D2
FZ10 D2
FZ12 D2
B14e
B14e
res
2Z59 A2
2Z60 F1
2Z61 F2
2Z62 B1
2Z63 C6
2Z64 C5
2Z65 C5
3Z22 A1
3Z23 A5
B19d
SCREEN INTERFACE
FZ40 E3
FZ41 F3
FZ42 F7
B19d
3Z38 A2
3Z39 B1
3Z50 F1
3Z51 F2
3Z52 B1
3Z29 B6
3Z30 B6
3Z31 B5
3Z32 B4
3Z33 B4
B19e
B19d
7Z01 B5
FZ02 C2
FZ04 C2
FZ07 C2
res
(IRQ)
(PDWN)
resres
1234567
1
3Z34 B1
3Z35 B1
3Z36 A1
3Z37 A1
DISPLAY
FZ17 E2
FZ18 E2
FZ20 D7
FZ21 C6
res
res
3Z53 B1
3Z54 A1
3Z55 A1
3Z56 A5
5Z01 C1
5Z02 C1
5Z03 D1
5Z04 E1
5Z05 E1
5Z06 C6
5Z07 C6
5Z08 D6
6Z00 B6
7Z00 A4
res
B14e
B19d
B19d
B19d
B19d
FZ14 D2
FZ16 E2
10V10u
2Z65
2Z64
100n
2
4
3
FZ08
DLW21S
1
FZ07
5Z02
2Z46
22p
4
3
2Z49
22p
5Z01 1
2
DLW21S
1u0
2Z54
IZ02
4K73Z38
+3V3_SIM
FZ21
1K0
3Z35 3Z34
1K0
3Z26
1K0
1
2
5
6
3
4
3Z54
7Z01
SI3441BDV
100R
2Z57
100p
2Z48
22p
3Z33
10K
+3V3_SIM
FZ41
47R
3Z29
3Z53
100R
FZ66
100p
2Z61
FZ04
FZ02
100R
VDISP
3Z55
100n
2Z63
+3V3_SIM
5Z08
FZ43
FZ42
FZ44
FZ45
29
3
30
31
4
5
6
7
8
9
32
33
2
20
21
22
23
24
25
26
27
28
1
10
11
12
13
14
15
16
17
18
19
1G50
FI-WE31P-HF-E1500
FZ20
1.5AT
3Z28
7Z00
BC847BW
3Z31
47K
BZX384-C5V6
6Z00
3Z30
47K
IZ00
IZ01
4K7
3Z22
100R
3Z52
FZ14
FZ17
2Z59
100p
100p
2Z58
2Z62
100p
100R
3Z51
FZ40
2Z60
100p
FZ46
2Z55
100n
10K
3Z32
1
2
4
3
FZ12
FZ10
5Z03
DLW21S
5Z04
DLW21S
1
2
4
3
FZ16
3Z23
3Z56
1K0
100R
5Z07
+3V3_SIM
+3V3_SIM
100R
3Z39
2Z45
22p
2Z44
22p
2Z47
22p
2Z51
22p
22p
2Z50
22p
2Z52
22p
1n0
2Z56
2Z53
3Z50
100R
IZ03
5Z06
1
2
4
3
FZ18
DLW21S
5Z05
3Z37
4K7
+11V
3Z36
10K
3Z25
100R
3Z24
100R
LAMP-ON
5V-ENABLE
PDP-GO
BACKLIGHT-CNTRL
LCD-PWR-ON
CPU-GO
SCL-DISP
TXLCD3-
TXLCD3+
TXCLKLCD-
TXCLKLCD+
TXLCD2-
TXLCD2+
TXLCD1+
TXLCD1-
TXLCD0+
TXLCD0-
SDA-DISP
LCD-PWR-ON
E_14620_117.eps
070704
8204 000 8395.3

Table of Contents

Other manuals for Philips 50PF9966