EasyManua.ls Logo

Philips 50PF9966 - Small Signal Board: PIP HIP

Philips 50PF9966
136 pages
Print Icon
To Next Page IconTo Next Page
To Next Page IconTo Next Page
To Previous Page IconTo Previous Page
To Previous Page IconTo Previous Page
Loading...
66FTP2.2U AA 7.
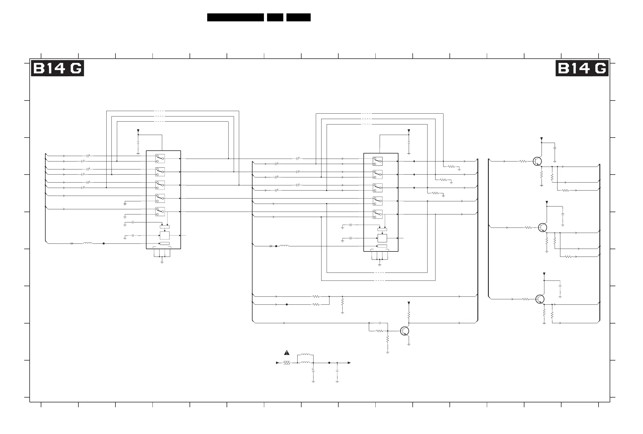
Circuit Diagrams and PWB Layouts
Small Signal Board: I/O7
GROUND
1
LOGIC
SEPA
SYNC
DET
2
1
1
1
2
1
2
2
2
GROUND
1
LOGIC
SEPA
SYNC
DET
2
1
1
1
2
1
2
2
2
B14c
B14c
B14c
B2,B14b,B15a
B2,B14b,B15a
B2
B2,B14b,B15a
B2
RES
RES
RES
B14b
B14b
B14b
B14b
2ID3 C2
2ID4 C2
2ID5 C2
2IF1 F14
2IF2 E14
2IF3 C14
2IF4 I8
2IF5 I8
B14b
B14b
B14b
B14c,g,B15b
B14f
B14f
B14f
B14f
B14c,g(2x),B19a
B14g
B14g
B14g
B14g
B14g
B19d
B14b(2x)
6
RES
I
2IB6 G10
2ID0 D1
2ID1 D2
2ID2 C1
15
RES
12345
3
RES
RGB-OUTPUT SELECTION
7 8 9 1011121314
13
RES
RES
RGB-OUTPUT SELECTION
14 1512
H
RES
RES
456789101112
2IP8 E3
RES
I/O 7
3IG0 G14
3IG1 G14
3IG3 E14
3IG4 E14
3IG6 C14
3IG7 C13
A
B
C
D
E
F
G
H
I
A
B
C
D
E
F
G
5I12 I8
B14f
B14b
5I13 H8
5I42 E7
7I42 H10
7I55 C9
7I56 C14
7I57 E14
7I58 G14
7I71 C4
9I29 B9
2IF7 C3
2IF8 D7
2IF9 D7
2IH6 D7
2IH7 C7
2IH8 C7
2IH9 C7
2IK1 C10
2IN8 E9
2IN9 E9
2IP0 E3 9I36 B4
9I38 B4
9I44 B4
9I81 F10
9I88 F10
9I91 B9
9I98 B9
FI25 G7
FI26 E2
FIB5 I8
FIC2 E7
IIH2 D11
IIH3 C11
IIH4 C11
3IHA G14
3IHB E14
3IHC D14
3IHD D15
3IHE F15
3IK0 G9
3IK6 H10
3IS7 G10
3IT7 G8
3IT8 G8
3IU0 H7
3IU4 H10
3IV4 C12
3IV5 D11
3IV6 D11
5I11 E2
10R
3IG4
100R
3IHB
470R
3IU4
6.3V 22u
2ID2
1K0
3IV6
22u
2ID5
6.3V
2ID4
6.3V 22u
22u6.3V
2ID3
100n
2IF2
7I42
BC847BW
2IB6
+8V-VIDEO
47p
2IF3
100n
22u
+8V-VIDEO
2ID0
6.3V
1K0
3IK0
1K0
3IG6
220n
2IF7
12
VD2-IN
13
9I81
2
HD1-IN
24
HD2-IN
23
R-OUT
21
R1-IN
1
R2-IN
7
20
VCC
VD-OUT
14
VD1-IN
16
G-OUT
19
G1-IN
3
G2-IN
9
4
6
8
10
22
HD-OUT
HD-S-SIG-DET
B-OUT
15
B1-IN
5
B2-IN
11
C-S-OUT
17
C-V-IN
18
CTL
BA7657F
7I71
2IF8
22u6.3V
22u6.3V
2IF9
3IT7
1K0
+5VIO
2R2
3IU0
10R
3IG1
3IK6
2K2
7I56
BC847BW
+5VIO
3IV4
1K0
+8V-VIDEO
2IF4
47u 16V
9I36
IIH4
9I38
100R
3IHD
9I44
5I11
9I98
1K0
3IG0
FI26
100n
2IN9
7I58
BC847BW
+3V3-AD
7I57
BC847BW
9I91
9I88
100n
2IP0
100n
6.3V
2IH9
2IF5
22u
6.3V
2IH7
2IH8
22u6.3V
22u
FIB5
HD2-IN
23
R-OUT
21
R1-IN
1
R2-IN
7
20
VCC
VD-OUT
14
VD1-IN
12
VD2-IN
13
G1-IN
3
G2-IN
9
4
6
8
10
22
HD-OUT
HD-S-SIG-DET
2
HD1-IN
24
BA7657F
B-OUT
15
B1-IN
5
B2-IN
11
C-S-OUT
17
C-V-IN
18
CTL
16
G-OUT
19
IIH2
7I55
1K0
3IV5
FIC2
220n
3IHE
2IK1
100R
470R
3IS7
1K0
3IT8
2IN8
100n
22u
2ID1
6.3V
2IF1
100n
5I13
5I12
2IP8
100n
FI25
9I29
100R
3IHA
5I42
3IG3
1K0
+8V
10R
3IG7
IIH3
22u6.3V
2IH6
100R
+8V-VIDEO
Y-2FH
U-2FH
3IHC
HS-DETHS-2FH
SC2-G-IN
SC2-B-IN_C-OUT
C-SC2_SVHS-IN
Y-CVBS-SC2_AV2-IN
V-2FH
VS-2FH
SEL_IN_1_B
V-DVI
B-VGA
G-VGA
R-VGA
AV6-V
AV6-G
AV5-Y_AV7-Y
AV6-B
AV5-PB
SWITCH-MAIN
AV6-R
AV5-PR_AV7-C
B-DVI
G-DVI
R-DVI
H-DVI
AV6-H
G-VGA
B-VGA
HS-2FH
R-VGA
SC2-R_C-IN_AV2
V-2FH-AD-OUT
H-2FH-DIV-2
AV3-CVBS-IN
E_14620_129.eps
080706
8204 000 8390.3

Table of Contents

Other manuals for Philips 50PF9966