EasyManua.ls Logo

Philips 50PF9966 - Small Signal Board: Dolby Pro Logic Processor

Philips 50PF9966
136 pages
Print Icon
To Next Page IconTo Next Page
To Next Page IconTo Next Page
To Previous Page IconTo Previous Page
To Previous Page IconTo Previous Page
Loading...
54FTP2.2U AA 7.
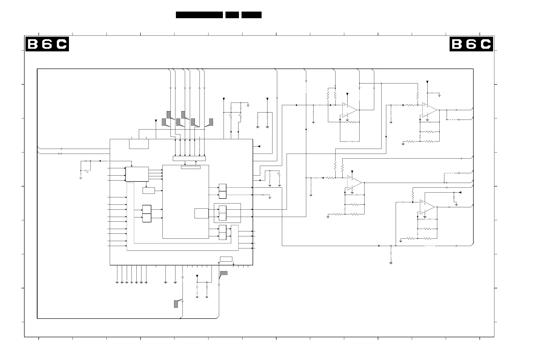
Circuit Diagrams and PWB Layouts
Small Signal Board: Dolby Pro Logic Processor
A/D
DECODER
NICAM
Switching Facilities
IDENT
HEADPHONE R
SCART-L
SCART-R
SCART-R
SCART-L
D/A
D/A
LOUDSPEAKER R
SCART
D/A
SCART 4
A/D
SCART 2
D/A
LOUDSPEAKER L
D/A
DSP
I2SL/R
I2S INTERFACE
I2SL/R
FM1
HEADPHONE L
FM2
SCART 3
D/A
IDENT
LOUDSPEAKER
DEMODULATOR
NICAM B
NICAM A
HEADPHONE
SCART 1
AUDIO PLL
6V5
IA51 B11
IA52 B9
IA53 E12
IAA1 E12
IAA2 B8
IAA3 E9
IAA4 C9
B6b
IAA6 C11
IAA7 F11
IAA8 C6
IAA9 C7
IAB0 D7
IAB1 C9
IAB2 C12
3AB8 E10
3AB9 E9
3AC0 B12
3AC1 B11
7A61-A B12
7A61-B B10
7A62-A E12
6V5
B6b
7A63 C3
9A19 C13
9A20 D13
9A60 B8
9A61 F12
9A65 B10
IA50 D9
2AN0 E9
2AN1 E10
2AN5 D7
2AN6 D8
2AN7 G5
3AA0 B9
3AA1 D9
IAA5 D2
B6a(4x),C(2x)
3AA5 C12
3AA6 B9
3AA7 C12
3AA9 C11
3AB0 E11
3AB2 D9
3AB3 F12
3AB4 D9
3AB5 F12
3AB6 E10
3AB7 F11
2AL2 B11
2AL3 B9
2AL4 B11
2AL8 C12
2AL9 C12
2ALA F11
2AM0 C10
7A62-B D10
6V5
B6a,B21
B6a
B6a
2AM2 E11
2AM3 E7
2AM5 D9
2AM6 F12
2AM7 D8
2AM9 E12
11 12 13
A
B
C
D
3AA4 C10
6V5
B6a,B21
B6a
2AK5 B6
2AK6 D2
2AK7 D2
2AK8 B6
2AK9 B6
2AL0 B12
2AL1 B9
B21
B6a
2AM1 E13
0V2
B14b,e
B6a
B14b,e
B6b
234 567 8
E
B6b
B6a,b
3V8
F
G
H
2AK0 G5
2AK1 G5
2AK2 B7
2AK3 B7
10
B14b
B6a
1 234 567 89 10 11 12 13
1
B6a(2x),b
B6a(4x),C(2x)
B6a(2x),b
9
B6a(4x),C(2x)
DOLBY PRO LOGIC PROCESSOR
B6a,B21
F
G
H
A
B
C
D
E
2AK4 B6
3AB8
68K
100K
3AA5
3AB5
68K
2AN5
A
100n
A
2AM2
100n
2AK6
100n
IAA2
3AB0
47K
IAA8
+11V_AUD
+5DB
IAA9
2AK1
1n
3AB3
100K
IA52
IA53
IAB0
IA51
4K7
3AA9
2AL8
1u
A
A10
A11
68K
3AA7
2AN1
100p
LM833D
7A61-B
5
6
7
8
4
1n
2AL3
+11V_AUD
2AM1
100n
9A60
2AK9
10u
3AA1
18K
2AK0
1u
18K
3AC1
+11V_AUD
47K
3AC0
4
470n
2AL2
A9
7A61-A
LM833D
3
2
1
8
10u
2AN6
1u
2AK2
IAA6
2ALA
1n
+8VC
9A65
100p
2AM0
1n
2AL4
1n
2AK3
3AB2
47K
IAA1
A
10n
2AN7
IAA5
47K
3AA4
SC3-IN-L
39 SC3-IN-R
35 SC4-IN-L
36
SC4-IN-R
STANDBYQ
63
53
TESTEN
56
TP1
27
VREF1
19
VREF2
46 VREFTOP
54
XTAL_IN
55
XTAL_OUT
MONO_IN
58
NC1
59
NC2
64
NC3
13
NC4
22
NC5
24
NC6
16
RESETQ
44 SC1_IN_L
45 SC1_IN_R
29
SC1_OUT_L
28SC1_OUT_R
26SC2-OUT-L
25SC2-OUT-R
41 SC2_IN_L
42 SC2_IN_R
38
DACA-L
17DACA-R
23
DACM-SUB
21DACM_L
DACM_R
20
11
DVSS
10
DVSUP
1 I2C_CL
2 I2C_DA
3
I2S-CL
I2S-CL3
14
I2S-DA-IN1
6
I2S-DA-IN2|3
12
I2S-DA-OUT1
54
I2S-WS
I2S-WS3
15
47
AGNDC
33
AHVSS
31
AHVSUP
52 ANA-IN2+
51 ANA_IN-
50 ANA_IN1+
43
ASG0
ASG1
4037
ASG2
57
AUD-CL-OUT
48
AVSS
49
AVSUP
CAPL-A
30
CAPL-M
32
61
D-CTR-IO0
60
D-CTR-IO1
18
7A63
DPL4519G
ADR-CL
9
ADR-DA
7
ADR-WS
8
ADR_SEL
62
34
100p
2AL9
IAA4
3AB7
6K8
IAA7
IA50
+5DB
LM833D
7A62-A
3
2
1
8
4
1u
2AL1
1u
2AK4
6K8
3AA6
2AM7
1n
2AM5
470n
2AM9
100p
A15
A16
IAA3
2AM3
1n
A13
+5DB
3AB6
100K
4
47K
3AA0
LM833D
7A62-B
5
6
7
8
9A20
A14
47K
9A19
100n
2AM6
3AB4
100n
2AL0
IAB1
A12
+11V_AUD
IAB2
9A61
10u
2AK7
1n
2AK5
+5DA
10u
2AK8
3AB9
4K7
1u
2AN0
I2S-DPL-CLK
I2S-DPL-WS
SYS-RESET
SYS-CLK0
I2S-DD-OUT
I2S-DD-WS
SUBW
REF-AUD
I2S-DD-CLK
AUDIO-SW
SURR-R
AUDIO-R
SURR-L
AUDIO-L
SCL-F-AUD
SDA-F-AUD
REF-AUD
REF-AUD
AUDIO-C
I2S-DPL-OUT
SYS-CLK1
MSP-CENTER
MSP-SURR
E_14620_097.eps
070704
8204 000 8329.4

Table of Contents

Other manuals for Philips 50PF9966