EasyManua.ls Logo

Philips Q552.1A - B03 H Vdisp-Switch

Philips Q552.1A
157 pages
Print Icon
To Next Page IconTo Next Page
To Next Page IconTo Next Page
To Previous Page IconTo Previous Page
To Previous Page IconTo Previous Page
Loading...
EN 128Q552.1A LA 10.
Circuit Diagrams and PWB Layouts
2010-Jun-25
back to
div. table
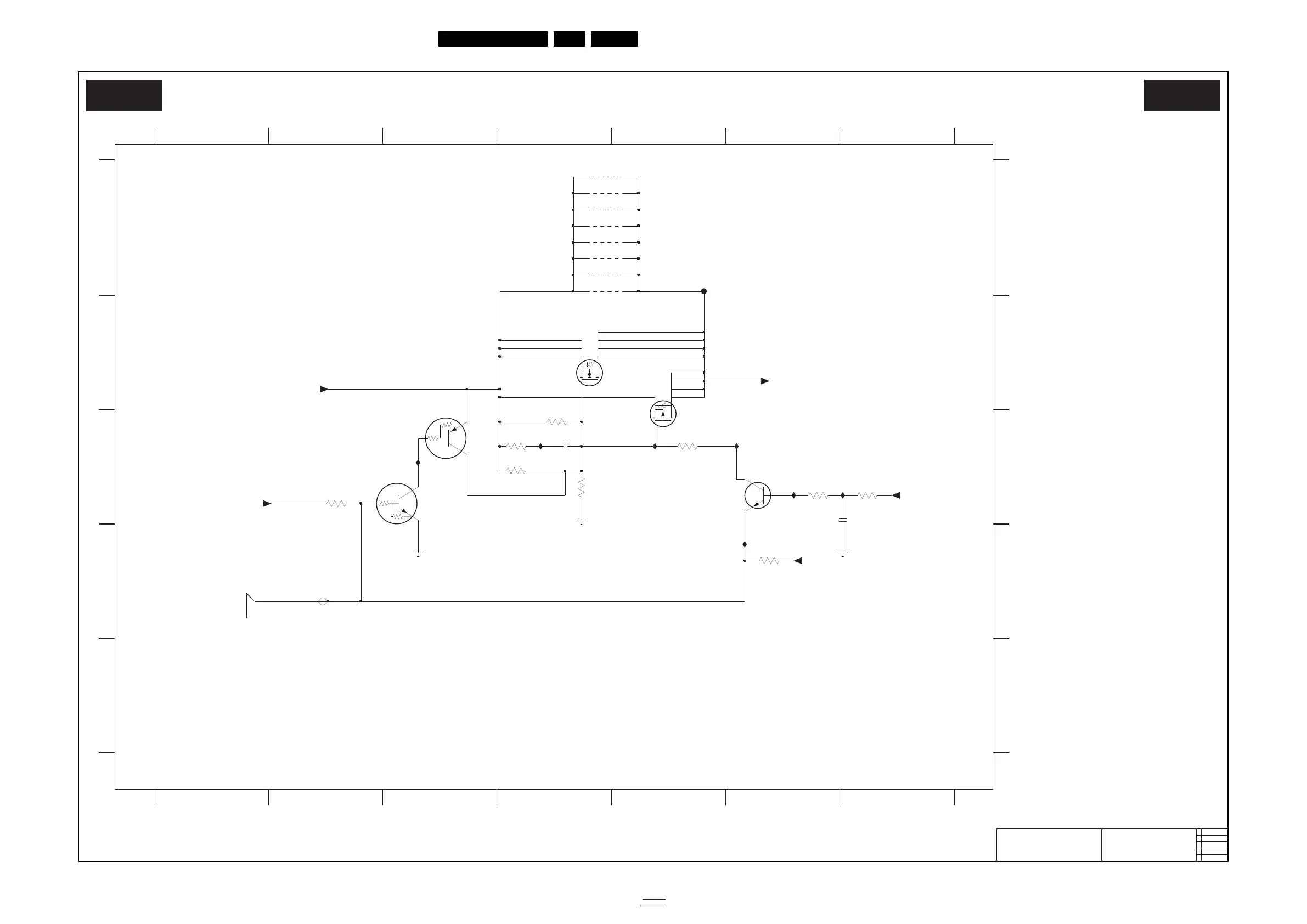
Vdisp Switch
18770_527_100118.eps
100118
VDisp-Switch
B03H B03H
2009-10-22
4
8204 000 8951
DC/DC / CLASS D
2
4
4
5
IUU4 C6
7UU0 B4
9UU0-4 A4
D
5
1
IUU2 C5
2UU1 C4
3UU2 D6
9UU1-1 A4
VDISP-SWITCH
3UU3-4 C7
D
9UU0-2 A4
9UU1-4 A4
9UU1-2 A4
E
3UU3-3 C6
9UU1-3 A4
2UU0 C6
3
3UU0-3 C2
3UU3-1 C4
FUU0 A5
9UU0-3 A4
3UU0-2 C4
7
3
A
B
B
IUU5 C7
7UU1 B5
7UU2-1 C3
IUU1 C4
A
1
E
C
IUU0 C3
IUU3 C6
6
C
7UU3 C6
9UU0-1 A4
7
3UU3-2 C5
2
6
7UU2-2 C3
3UU0-1 C4
IUU2
IUU6 D6
3UU1 C4
2UU1
FUU0
+VDISP-INT
1u0
2
7UU3
BC847BW
RES
1
3
+3V3
2UU0
100n
47R
3UU1
5
3
4
+3V3-STANDBY
6
1
PUMD12
7UU2-2
7UU2-1
PUMD12
2
36
9UU1-1
RES
1
8
3UU0-3
47K
RES
9UU1-2
2
7
9UU1-3
RES
3
6
RES
9UU0-4
45
7
9UU0-3
RES
3 6
1
RES
9UU0-2
2
2
3UU0-1
47K
8
3UU0-2
7
8 1
IUU0
47K
5
3UU3-1
47K RES
3UU3-4
47K RES
4
47K
3UU3-3
RES
6 3
3UU3-2
RES
27
9UU0-1
RES
1 8
47K
+12VD
SI4835DDY
+3V3
7UU0
RES
4K7
3UU2
RES
RES
9UU1-4
4
5
IUU6
IUU1
SI3441BDV
IUU3
7UU1
IUU5
IUU4
LCD-PWR-ONn

Table of Contents

Related product manuals