EasyManua.ls Logo

Philips Q552.1A - Block Diagram Audio

Philips Q552.1A
157 pages
Print Icon
To Next Page IconTo Next Page
To Next Page IconTo Next Page
To Previous Page IconTo Previous Page
To Previous Page IconTo Previous Page
Loading...
Block Diagrams
EN 71Q552.1A LA 9.
2010-Jun-25
back to
div. table
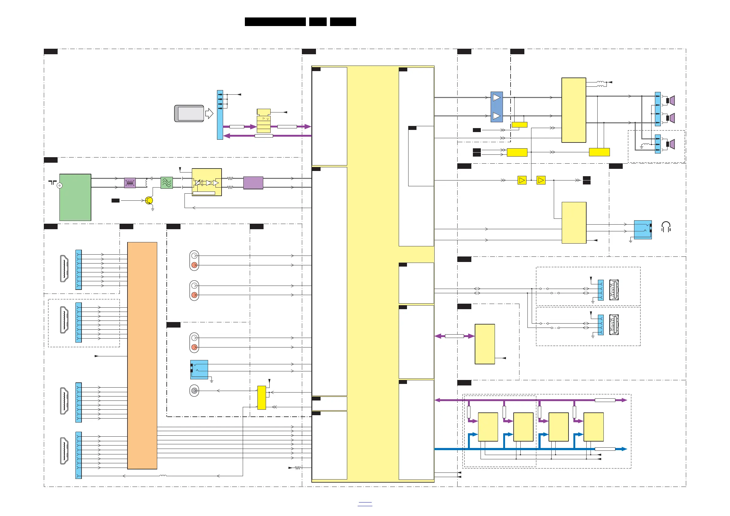
9-5 Block Diagram Audio
B01H
HDMI
B04D
HDMI
B02D
PNX85500: AUDIO
B02D
CLASS-D
B03A
AUDIO
B04E
HEADPHONE
B04B
ANALOGUE EXTERNALS B
B04A
ANALOGUE EXTERNALS A
B01J
TEMP SENSOR + HEADPHONE
B02
PNX85500
B01A
COMMON INTERFACE
B01F
HDMI & CI
B05A
DDR
B01C
USB HUB
B01B
FLASH
7S00
PNX85507EB
AUDIO
B02D
STANDBY
B03H
HDMI_DV
B02c
STANDBY
B02G
PNX85500
18990_403_100331.eps
100601
AD7
AE7
1735
1
2
SPEAKER L
3
4
SPEAKER R
SUBWOOFER
(RES)
ADAC(1)
ADAC(2)
+AUDIO-L
-AUDIO-R
RESET-AUDIO
AD1
AC19
ADAC(4)
AMP1
AMP2
ADAC(3)
HEADPHONE
OUT 3.5mm
AF7
AD6
7EE1
TPA6111A2DGN
HEADPHONE
AMPLIFIER
1
7
IN-1
SHUTDOWN
IN-2
2
6
5
A-PLOP
B03A
B02G
B03C
7D10
TPA3123D2PWP
CLASS D
POWER
AMPLIFIER
OUT-L
PVCC_L
PVCC_R
OUT-R
512
10
6
22
15
IN-R
IN-L
MUTE
SD
4
2
AUDIO-MUTE-UP
A-STBY
A-STBY
B04A
STANDBY &
PROTECTION
7D03
MAIN SWITCH
DETECT
7D03
LEFT-SPEAKER
RIGHT-SPEAKER
AE10
AF10
AD10
AC10
1E08
4
6
1E01
2
6
1E02
2
6
AUDIO-IN3-L
AUDIO-IN3-R
AE9
AF9
AUDIO IN
L+R
ADAC_2
PO_7
PO_6
ADAC3
ADAC4
ADAC_1
1328
2
3
1
7EE0-1 7EE0-2
1D38
1
2
3
DETECT2
MAINS-OK
AUDIO-IN2-R
AUDIO-IN2-L
AUDIO
AUDIO-IN1-L
AUDIO-IN1-R
5D03
7EC1
*SII9187ACNU
SII9287BCNU
HDMI
SWITCH
VCC33
RXC
RXD
RXB
RXA
72
71
69
68
66
65
63
62
42
41
39
39
36
35
33
32
23
22
20
19
17
16
14
13
90
89
87
86
84
83
81
80
19
1
18 2
1
1P05
3
4
7
9
10
12
6
DRX2+
DRX2-
DRX1+
DRX1-
DRX0+
DRX0-
DRXC+
DRXC-
HDMI SIDE
CONNECTOR
19
1
18 2
1
1P02
3
4
7
9
10
12
6
CRX2+
CRX2-
CRX1+
CRX1-
CRX0+
CRX0-
CRXC+
CRXC-
HDMI 1
CONNECTOR
1
1P03
3
4
7
9
10
12
6
BRX2+
BRX2-
BRX1+
BRX1-
BRX0+
BRX0-
BRXC+
BRXC-
1
1P04
3
4
7
9
10
12
6
ARX2+
ARX2-
ARX1+
ARX1-
ARX0+
ARX0-
ARXC+
ARXC-
19
1
18 2
HDMI 2
CONNECTOR
19
1
18 2
HDMI 3
CONNECTOR
14
ARC-eHDMI+
eHDMI+
9,27,64
+3V3-HDMI
8
+3V3
1,3
10,12
+24V-AUDIO-POWER
5D07
5D08
VDD
VO_1
VO_2
AD9
AC9
AUDIO-IN4-L
AUDIO-IN4-R
VGA (OR DVI)
AUDIO
1E09
2
3
1
AIN4_L
AIN4_R
AIN1_R
AIN2_L
AIN2_R
AIN3_L
AIN3_R
AIN1_L
VIDEO STREAM
B02A
ANALOG VIDEO
B02I
PCMCIA
CONDITIONAL
ACCESS
20
+3V3
MD0
MDI
TUNER_P
TUNER_N
IF_AGC
7F01
74LVC245APW
BUFFER
1P00
68P
51
52
18
17
+5VCA
CA-MDO(0-7)
MDO(0-7)
CA-MDI(0-7)
PNX-IF-AGC
4
5
1F75
SAW 36MHZ17
2F74
2F78
2F90
3F79-1
3F79-4
5F70
1T01
TH2603
IF-OUT1
IF-OUT2
MAIN HYBRID
TUNER
2
3
4
7
6
AD12
AE12
AF12
PNX-IF-P
PNX-IF-N
11
10
1
2
+5V-TUN-PIN
7F75
UPC3221GV
AGC AMPLIFIER
IN
VCC
OUT
AGC CONTROL
1
SELECT-SAW
RF IN
5F73
7F70
B02E
CONTROL
BANDPASS
FILTER
MEMORY
B02B
V1
DDR2-VREF-CTRL3
A2
DDR2-VREF-CTRL2
VREF_2
VREF_1
7S05
LM324P
14
8
1E07
1
AF5
AF18
DIGITAL
AUDIO
OUT
SPDIF-OUT-PNX
SEL-HDMI-ARC
SPDIF-OUT
2
1
4
5
3
8
SPDIF_OUT
P0_4
7S09
&
+3V3
A-PLOP
7D15
A-PLOP
B04E
CONROL
B02E
FLASH
B02A
7F20
*NAND02GW3B2DN6F
NAND04GW3B2DN6F
NAND
FLASH
256MB
512MB
4321
USB-DM
USB-DP
USB-DM2
USB-DP2
USB-DM1
USB-DP1
SIDE USB
CONNECTOR
1P08
+5V-USB1
R26
R25
12,37
+3V3
VCC
USB_DP
USB_DN
+5V
-USB2
XIO_D
2
1
3
4
4321
SIDE USB
CONNECTOR
1P07
2
1
3
4
9F26
9F25
9F21
9F20
XIO-D(00-07)
DDR2-VREF-DDR
A1 E2A1 E2A1 E2A1 E2
+1V8
SDRAM
128MB
7B01
EDE1108AGBG
SDRAM
128MB
7B02
*EDE1116AEBG
EDE1108AGBG
SDRAM
128MB
7B03
EDE1108AGBG
DQ
A
SDRAM
128MB
7B00
*EDE1116AGBG
EDE1108AGBG
VREF
VDDL
VREF
VDDL
VREF
VDDL
VREF
VDDL
DDR2-D(0-31)
D(24-31)
D(16-23)
D(8-15)
D(0-7)
DDR2-A(0-13)
* 256MB on SSB 3104 313 6400*
512MB on SSB 3104 313 6364*
5EC2
TUN-IF-P
TUN-IF-N
63
HDMIA-RXC-
HDMIA-RX0+
HDMIA-RX0-
HDMIA-RX1+
HDMIA-RX1-
HDMIA-RX2+
HDMIA-RX2-
62
61
60
59
58
57
56
HDMIA-RXC+
U26
T25
T26
W24
U25
V26
W26
W25
V25
RX1_B_P
RX2_B_N
RX2_B_P
RREF
RX1_B_N
RX0_B_P
RXC_B_P
RXC_B_N
RX0_B_N
+3V3
3S0W
SSB 3104 313 6400*
SSB 3104 313 6364*
SSB 3104 313 6364*
*SSB 3104 313 6400*
*Mux SIL9187 - non Instaport on SSB3104 313 6400*
Mux SIL9287 - Instaport on SSB3104 313 6364*
Only on SSB3104 313 6364*
Only on SSB 3104 313 6364*

Table of Contents

Related product manuals