EasyManua.ls Logo

Philips Q552.1A - B01 C USB Hub

Philips Q552.1A
157 pages
Print Icon
To Next Page IconTo Next Page
To Next Page IconTo Next Page
To Previous Page IconTo Previous Page
To Previous Page IconTo Previous Page
Loading...
EN 94Q552.1A LA 10.
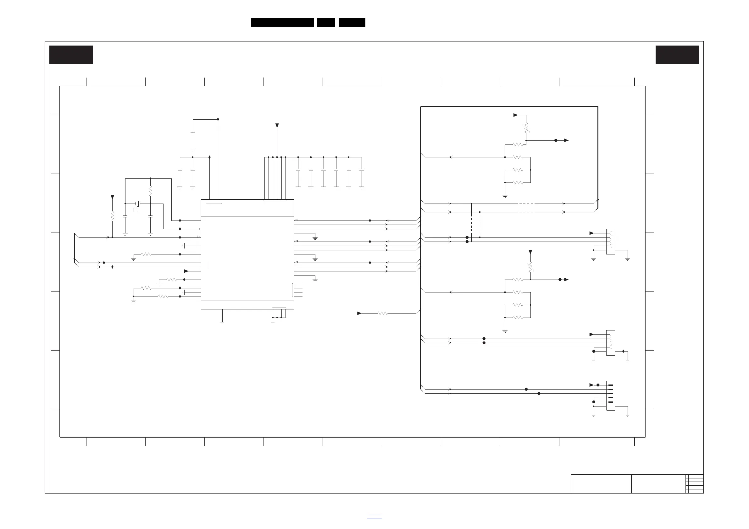
Circuit Diagrams and PWB Layouts
2010-Jun-25
back to
div. table
USB Hub
18770_502_100118.eps
100118
USB Hub
B01C B01C
2009-10-22
3
8204 000 8994
TUNER, HDMI & CI
VDD_3V3
CR PLL
FILT
OSC1
OSC3
OSC2
VIA
GND_HS
USBUP
NC
VBUS_DET
RESET
DM
XTALOUT
DP
RBIAS
TEST
+T
+T
B
3
2F29 A4
6
2F31 A5
IF40 C2
IF41 C2
IF42 C2
2F34 B1
2F35 B2
IF32 C1
FF33 C9
FF34 C7
IF37 C5
IF39 D2
IF45 D9
5
3F34-4 D8
7 8
A
4
FF30 E8
FF31 E9
FF32 E9
C
FF36 D7
2F30 A4
SIDE USB TOP
2F32 A5
3F32 C8
3F34-1 C8
12
IF31 C1
12
FF35 C7
IF35 B5
IF36 C5
3F26-4 B8
3F28 B2
3F30 C2
1P07 B9
1P08 D9
2F25 A2
IF43 A3
IF44 A3
9
3F26-1 A8
IF33 B2
IF34 B2
567
SIDE USB BOTTOM
FF37 D7
FF38 E9
3F31-4 D2
FF40 A8
IF30 C2
9F26 B8
2F33 A5
3F35 B1
9F20 B7
3 4
8 9
A
B
D
E
1F24 E9
1F25 B1
3F34-2 C8
3F34-3 D8
E
3F25 A8
3F26-2 A8
3F26-3 A8
3F31-2 C2
3F31-3 C2
C
D
FF39 E8
3F36 D6
7F25 B2
2F27 A2
2F28 A4
9F21 B7
9F25 B8
2F26 A2
1u0
2F27
23
36
38
39
40
41
33
XTALIN|CLKIN
32
2
USBDP_DN1|PRT_DIS_P1
4
USBDP_DN2|PRT_DIS_P2
7
USBDP_DN3|PRT_DIS_P3
31
27
5
10
29
15
SCL|SMBCLK|CFG_SEL0
22
SDA|SMBDATA|NON_REM1
28
SUSP_IND|LOCAL_PWR|NON_REM0
11
1
USBDM_DN1|PRT_DIS_M1
3
USBDM_DN2|PRT_DIS_M2
6
USBDM_DN3|PRT_DIS_M3
30
8
9
20
21
13
17
19
34
35
26
24
12
BC_EN1|PWRTPWR1
16
BC_EN2|PWRTPWR2
18
BC_EN3|PWRTPWR3
14
37
25
HS_IND|CFG_SEL1
Φ
USB HUB
USB2513B-AEZG
7F25
100K
3F34-3
3 6
FF35
FF39
IF44
45
IF37
100K
3F26-4
FF40
100K
3 6
1
3F26-3
100K
3F34-1
FF36
3 6
IF33
10K
3F31-3
3F26-1
100K
1
IF35
3F34-2
100K
27
3F36
10K
9F20
2F34
10p
100n
2F30
FF32
+5V
2F33
100n
45
+5V-USB1
3F34-4
100K
0R4
3F32
IF36
FF34
IF32
+5V-USB2
+3V3
100n
2F32
1P08
1
2
3
4
56
292303-4
IF42
FF38
FF33
+3V3
+5V-USB1
IF43
10K
3F35
27
IF31
100K
3F26-2
3F31-2
10K
27
FF31
3F25
0R4
2F31
100n
2
4
1 3
2F28
1u0
24M
1F25
IF45
+3V3
100n
FF30
2F29
9F25
2F25
100n
9F21
+5V-USB2
100n
2F26
+3V3
45
FF37
3F31-4
10K
1M0
3F28
IF34
10p
2F35
IF39
IF30
56
1
2
3
4
IF41
1P07
292303-4
12K
3F30
+5V
9F26
1
2
3
4
5
67
+5V
502382-0570
1F24
IF40
USB-DP1
USB-DP
USB-DM1
USB-DM
RESET-USBn
USB-OC3n
USB-OC2n
USB-OC1n
USB-DM3
USB-DP3
USB-DM2
USB-DP2
USB-DP2
USB-DM2
USB-OC1n
USB-OC2n
USB-OC3n
USB-DM1
U
SB-DM2
USB-DM3
USB-DP1
USB-DP2
USB-DP3USB-DM
USB-DP

Table of Contents

Related product manuals