EasyManua.ls Logo

Philips VR550 - Power Supply Block Diagram

Philips VR550
90 pages
Print Icon
To Next Page IconTo Next Page
To Next Page IconTo Next Page
To Previous Page IconTo Previous Page
To Previous Page IconTo Previous Page
Loading...
1-9-5
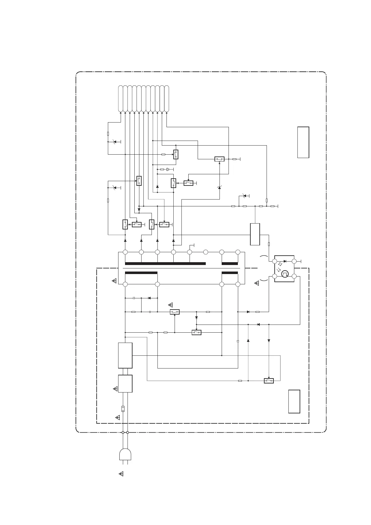
Power Supply Block Diagram
HG470BLP
2
4
16
6
7
CAUTION
FOR CONTINUED PROTECTION AGAINST FIRE HAZARD,
REPLACE ONLY WITH THE SAME TYPE T1.6AL/250V FUSE.
NOTE :
The voltage for parts in hot circuit is measured using
hot GND as a common terminal.
CAUTION !
Fixed voltage (or Auto voltage selectable ) power supply circuit is used in this unit.
If Main Fuse (F001) is blown, check to see that all components in the power supply
circuit are not defective before you connect the AC plug to the AC power supply.
Otherwise it may cause some components in the power supply circuit to fail.
COLD
MAIN CBA
HOT CIRCUIT. BE CAREFUL.
HOT
IC001
ERROR
VOLTAGE DET
Q002
Q003
Q001
F001
L003
LINE
FILTER
BRIDGE
RECTIFIER
D001 - D004
1
23
4
Q004
AC001
T001
P-ON+44V
P-ON+15V
12
P-ON-H
AL+12V/+20.5V
AL+9V
AL+12V
C-POW-SW
AL+5V
TIMER+5V
P-ON+5V
P-DOWN-L
Q051
Q053
Q054
Q056
Q052
Q057
Q058
13
15
14
11
17
18
T1.6A L 250V
Q055
Q059
SHUNT
REGULATOR

Table of Contents

Other manuals for Philips VR550

Related product manuals