EasyManua.ls Logo

Piper 6XT - Page 241

Piper 6XT
1190 pages
Print Icon
To Next Page IconTo Next Page
To Next Page IconTo Next Page
To Previous Page IconTo Previous Page
To Previous Page IconTo Previous Page
Loading...
THE NEW PIPER AIRCRAFT, INC.
PA-32-301FT / 301XTC
MAINTENANCE MANUAL
PAGE 19
Feb 19/04
1L1
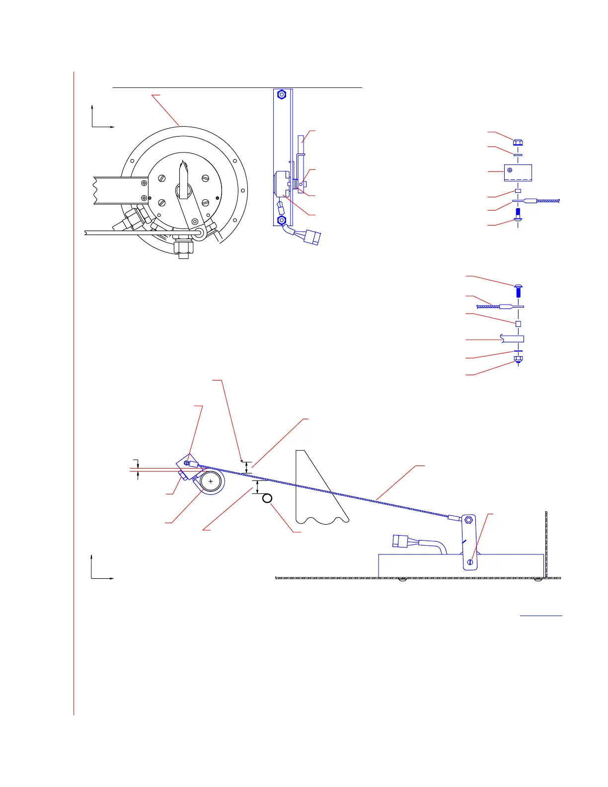
APPENDIX 1
DETAIL B
FWD
FUEL SELECTOR VALVE (REF.)
RIGHT
OUTBD
ARM
SCREW, AN515-632R12
DETAIL A
WASHER, NAS1149FN632P
NUT, NAS679A-06
BRACKET
ARM
SPACER
WASHER, NAS1149FN632P
NUT, NAS679A-06
POTENTIOMETER
SPRING
SPACER
SETSCREW
CABLE ASSEMBLY
LOOKING DOWN
SEE DETAIL A
SEE DETAIL B
CABLE ASSY.
CABLE ASSY.
BOLT, AN3-4A
WASHER, NAS1149F0363P
NUT, NAS679A-3W
FUEL LINE FROM
RIGHT WING
ADJUST CLAMP TO MAINTAIN
.125 INCH CLEARANCE BETWEEN
CABLE AND TORQUE TUBE
WITH FULL FLAPS SELECTED.
MAINTAIN A
MINIMUM CLEARANCE
OF 1/4 INCH IN
ANY FLAP POSITION
ROLL SERVO BRIDLE CABLE
MAINTAIN A MINIMUM CLEARANCE
OF 3/16 INCH IN ANY FLAP POSITION.
FLAP TORQUE TUBE
UP
FWD
LOOKING INBOARD
.125
SCREW, AN515-632R12
Flap Compensator Installation
Figure 8
Eff
ectivity
3232003 & up
3255001 & up

Table of Contents

Related product manuals