EasyManua.ls Logo

Piper 6XT - Page 672

Piper 6XT
1190 pages
Print Icon
To Next Page IconTo Next Page
To Next Page IconTo Next Page
To Previous Page IconTo Previous Page
To Previous Page IconTo Previous Page
Loading...
THE NEW PIPER AIRCRAFT, INC.
PA-32-301FT / 301XTC
MAINTENANCE MANUAL
PAGE 2
Jun 1/03
3I16
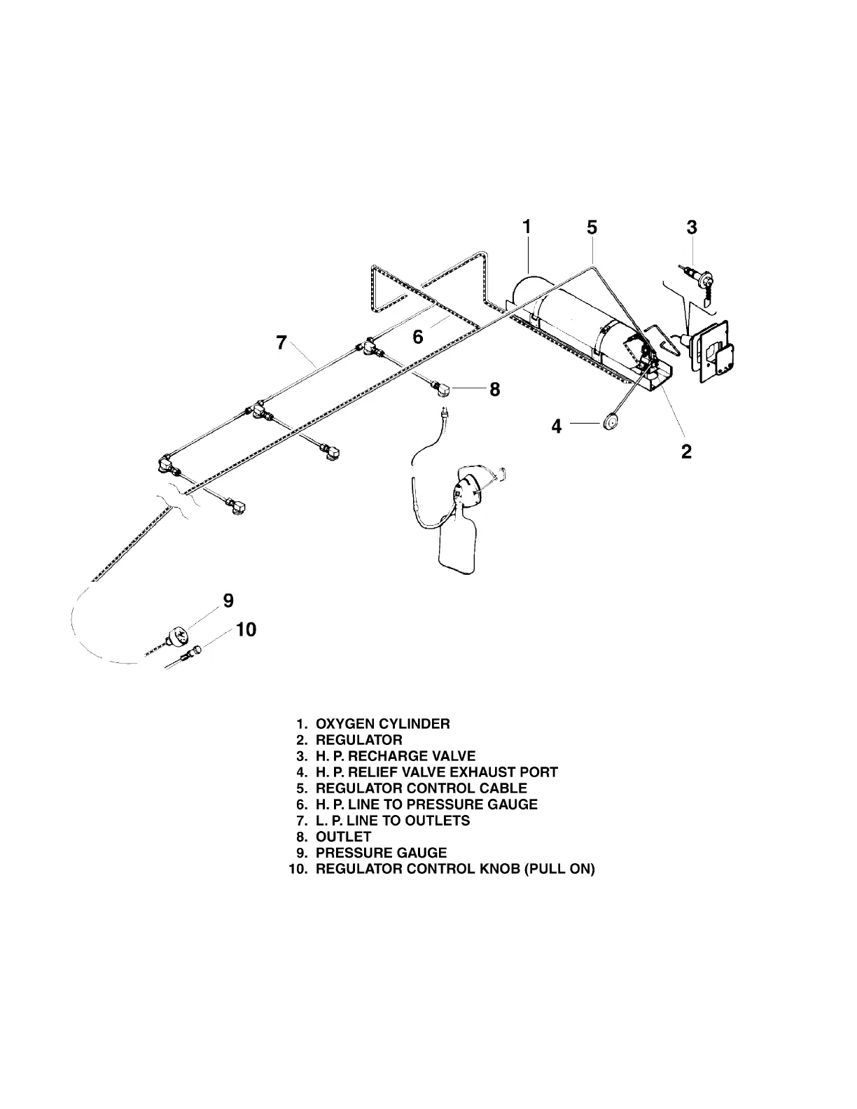
35-10-00
Fixed Oxygen System Installation
Figure 1

Table of Contents

Related product manuals