EasyManua.ls Logo

Piper 6XT - Page 726

Piper 6XT
1190 pages
Print Icon
To Next Page IconTo Next Page
To Next Page IconTo Next Page
To Previous Page IconTo Previous Page
To Previous Page IconTo Previous Page
Loading...
THE NEW PIPER AIRCRAFT, INC.
PA-32-301FT / 301XTC
MAINTENANCE MANUAL
PAGE 4
Feb 19/04
3L12
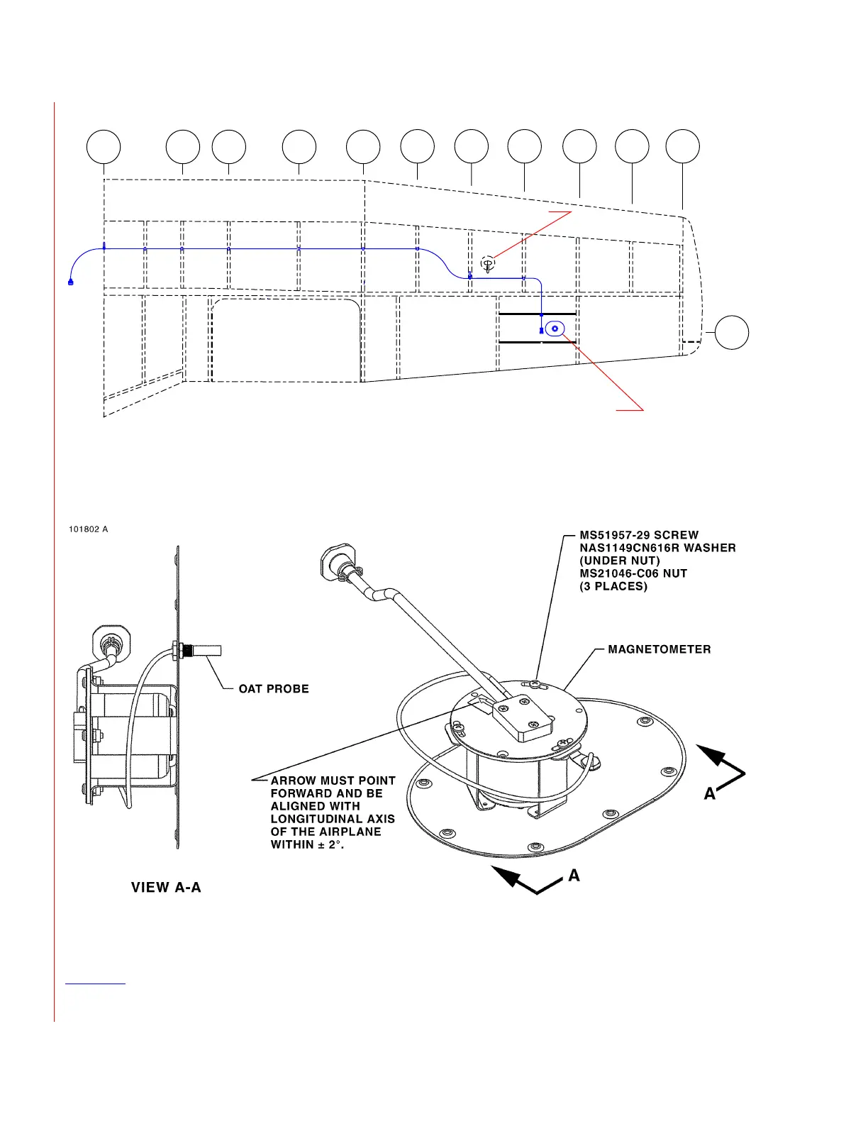
APPENDIX 2
LEFT WING - LOOKING DOWN
FS
104.25
WS
206.70
WS
190.90
WS
174.00
WS
157.00
WS
140.09
WS
123.15
WS
106.19
WS
86.03
WS
64.59
WS
49.25
WS
24.24
SEE DETAIL, BELOW
PITOT HEAD (REF.)
Component Locator
Figure 2 (Sheet 2 of 3)
Effectivity
3232014 & up
3255015 & up

Table of Contents

Related product manuals