EasyManua.ls Logo

Piper SENECA III - Page 10

Piper SENECA III
408 pages
Print Icon
To Next Page IconTo Next Page
To Next Page IconTo Next Page
To Previous Page IconTo Previous Page
To Previous Page IconTo Previous Page
Loading...
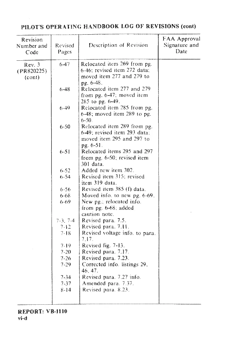
PILOT'S
OPERATING
HANDBOOK LOG OF
REVISIONS
(cont)
Revision
FAA Approval
Number
and
Revised
Description of Revision
Signature and
Code
Pages
Date
Rev.
3
6-47
Relocated
item
269
from
pg.
(PRS20225)
6-46:
revised
item
272
data:
(cont)
moved
item
277
and
279
to
pg.
6-48,
6-48
Relocated
item
277
and
279
from
pg.
6-47; moved
item
285
to
pg.
6-49.
6-49
Relocated
item 285 from
pg.
6-48;
moved
item
289
to
pg.
6-50.
6-50
Relocated
item
289
from
pg.
6-49;
revised
item 293
data;
moved
item 295
and
297
to
pg.
6-51.
6-51
Relocated
items 295
and
297
from
pg.
6-50: tevised
item
301 data.
6-52
Added
new
item 302.
6-54
Revised
item 315:
revised
item
319
data.
6-56
Revised
item
385 (f)
data.
6-68
Moved
info
to
new
pg
6-69.
6-69
New
pg.:
relocated
info
from
pg.
6-68;
added
caution
note.
7-3.
7-4
Revised
para.
7.5.
7-12
Revised
para.
731
7-18
Revised
voltage
info.
to
para
7.17.
7-19
Revised
fig.
7-13.
7-20
Revised
para.
7.17.
7-26
Revised
para.
7.23.
7-29
Corrected
info
listings
29.
46. 47.
7-34
Revised
para.
7.27 info.
7-37
Amended
para
7.37,
8-14
Revised
para.
8.23.
REPORT:
VB-Il10
vi-d

Table of Contents

Related product manuals