EasyManua.ls Logo

Piper SENECA III - Page 11

Piper SENECA III
408 pages
Print Icon
To Next Page IconTo Next Page
To Next Page IconTo Next Page
To Previous Page IconTo Previous Page
To Previous Page IconTo Previous Page
Loading...
PILOT'S
OPERATING
HANDBOOK
LOG
OF
REVISIONS
(cont)
Revision
FAA
Approval
Number
and
Revised
Description
of
Revision Signature
and
Code
Pages
Date
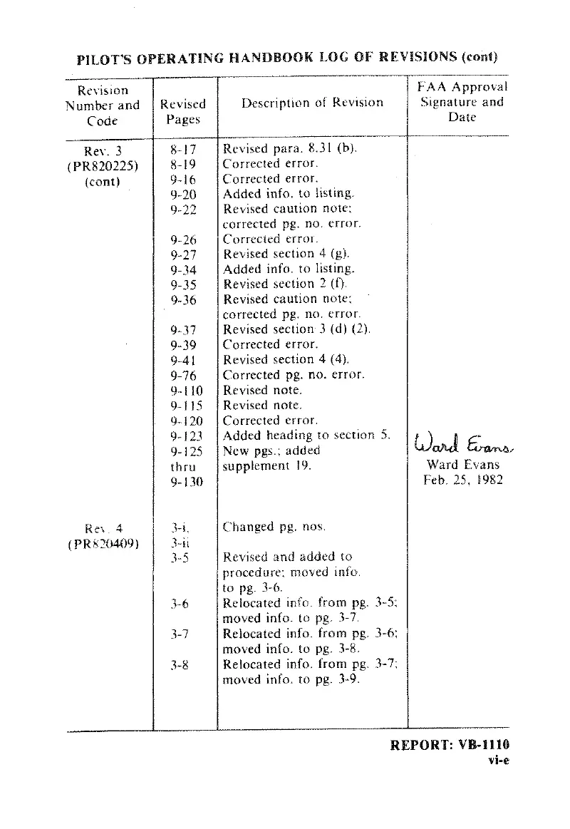
Rev.
3
.
8-17
Revised
para.
8.31
(b)
(PR820225)
8-19
Corrected
error.
(cont)
9-16
Corrected
error.
9-20
Added
info.
to
listing.
9-22
Revised
caution
note:
corrected
pg.
no.
error.
9-26
Corrected
error.
9-27
Revised
section
4
(g)
9-34
Added
info.
to
listing.
9-35
Revised
section
2
(f)
9-36
.
Revised
caution
note;
corrected
pg. no,
error.
9-37
Revised
section
3
(d)
(2).
9-39
Corrected
error.
9-4 I
Revised
section
4
(4).
9-76
Corrected
pg. no.
error.
9-l10
Revised
note.
9-115
Revised
note.
9-120
Corrected
error.
9-123
Added
heading
to
section
5.
9-125
New
pgs.;
added
ww½t
we
thru
supplement
19.
Ward
Evans
9-130
Feb. 25,
1982
Res.
4
3-i.
Changed
pg.
nos
(PRS20409)
3-ii
3-5
Revised
and
added
to
procedure;
moved
info.
to
pg.
3-6.
3-6
Relocated
info. from
pg.
3-5;
moved
info.
to
pg.
3-7.
3-7
Relocated
info.
from
pg.
3-6;
moved
info.
to
pg.
3-8.
3-8
Relocated
info. from
pg.
3-7;
moved
info.
to
pg.
3-9.
REPORT:
VB-1110
vi-e

Table of Contents

Related product manuals