EasyManua.ls Logo

Quectel QuecOpen AG525R-GL - Evaluation Board

Quectel QuecOpen AG525R-GL
107 pages
Print Icon
To Next Page IconTo Next Page
To Next Page IconTo Next Page
To Previous Page IconTo Previous Page
To Previous Page IconTo Previous Page
Loading...
Automotive Module Series
AG525R-GL QuecOpen
Hardware Design
AG525R-GL_QuecOpen_Hardware_Design 20 / 104
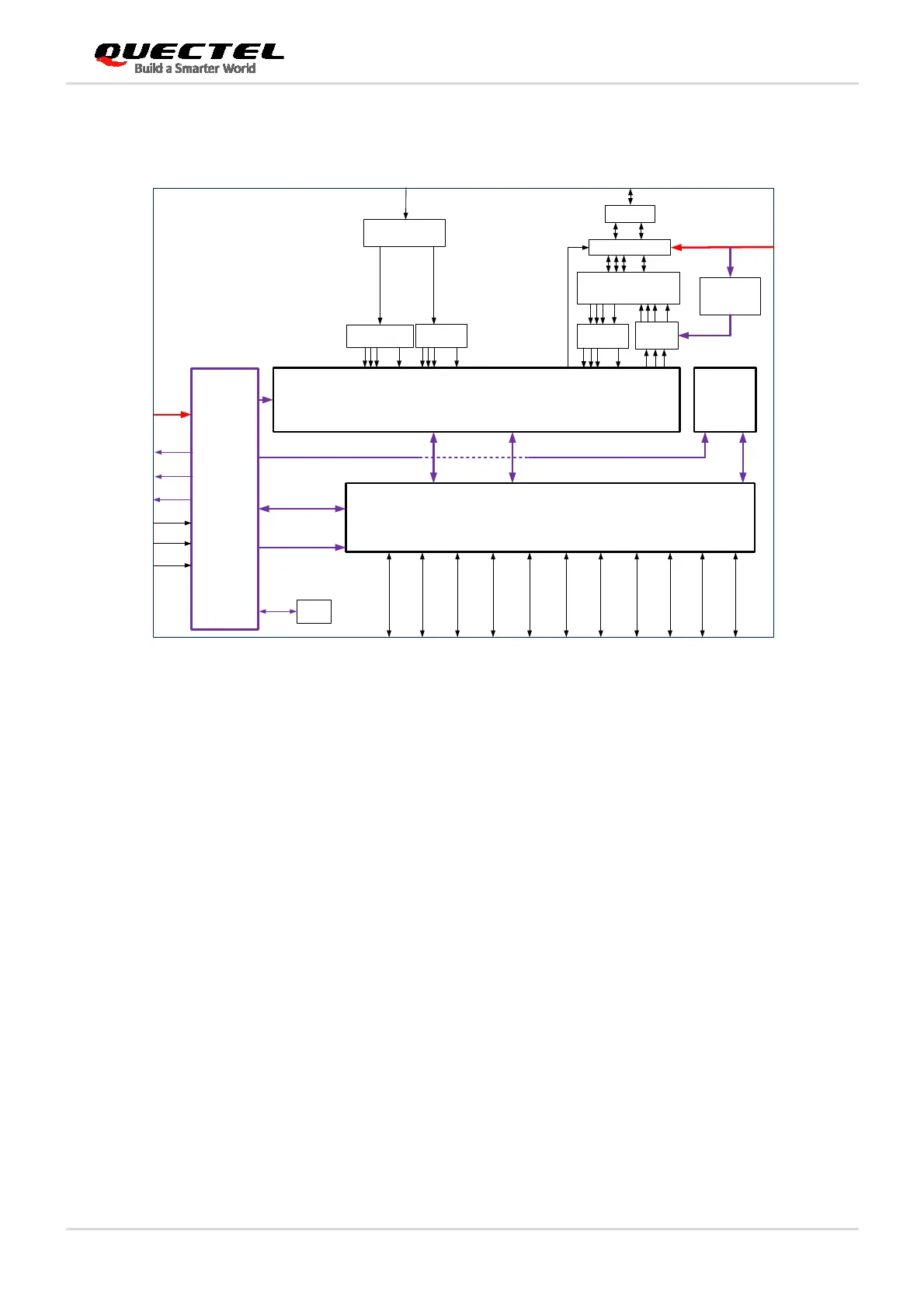
Baseband
PMIC
Transceiver
NAND
LPDDR4X
VBAT_BB
PWRKEY
ADC×3
RESET
38.4M
XO
Control
Control
QLINK
PCM PCIe USB2.0/3.0 SPI x2 UART×3 I2C SDIORGMII
(U)SIM
x2
GPIOsI2S
MMPA
QDM-M/HB
Diplexer
Duplexers, SAWs
and Qualplexers
2G PA+DP16T
Diplexer
QLNA*2
.. .
.. .
.. .
...
ANT_DIV
...
ANT_MAIN
VBAT_RF
APT
QDM-LB
.. .
Figure 1: Functional Diagram for AG525R-GL QuecOpen
®
2.4. Evaluation Board
To help you develop applications conveniently with the module, Quectel supplies the evaluation board
(EVB), USB data cables, a pair of earphones, antennas and other peripherals to control or test the
module. For more details, see document [1].

Table of Contents

Related product manuals