EasyManua.ls Logo

Quectel RM500Q-GL - Page 67

Quectel RM500Q-GL
86 pages
Print Icon
To Next Page IconTo Next Page
To Next Page IconTo Next Page
To Previous Page IconTo Previous Page
To Previous Page IconTo Previous Page
Loading...
5G Module Series
RM500Q-GL Hardware Design
RM500Q-GL_Hardware_Design 66 / 85
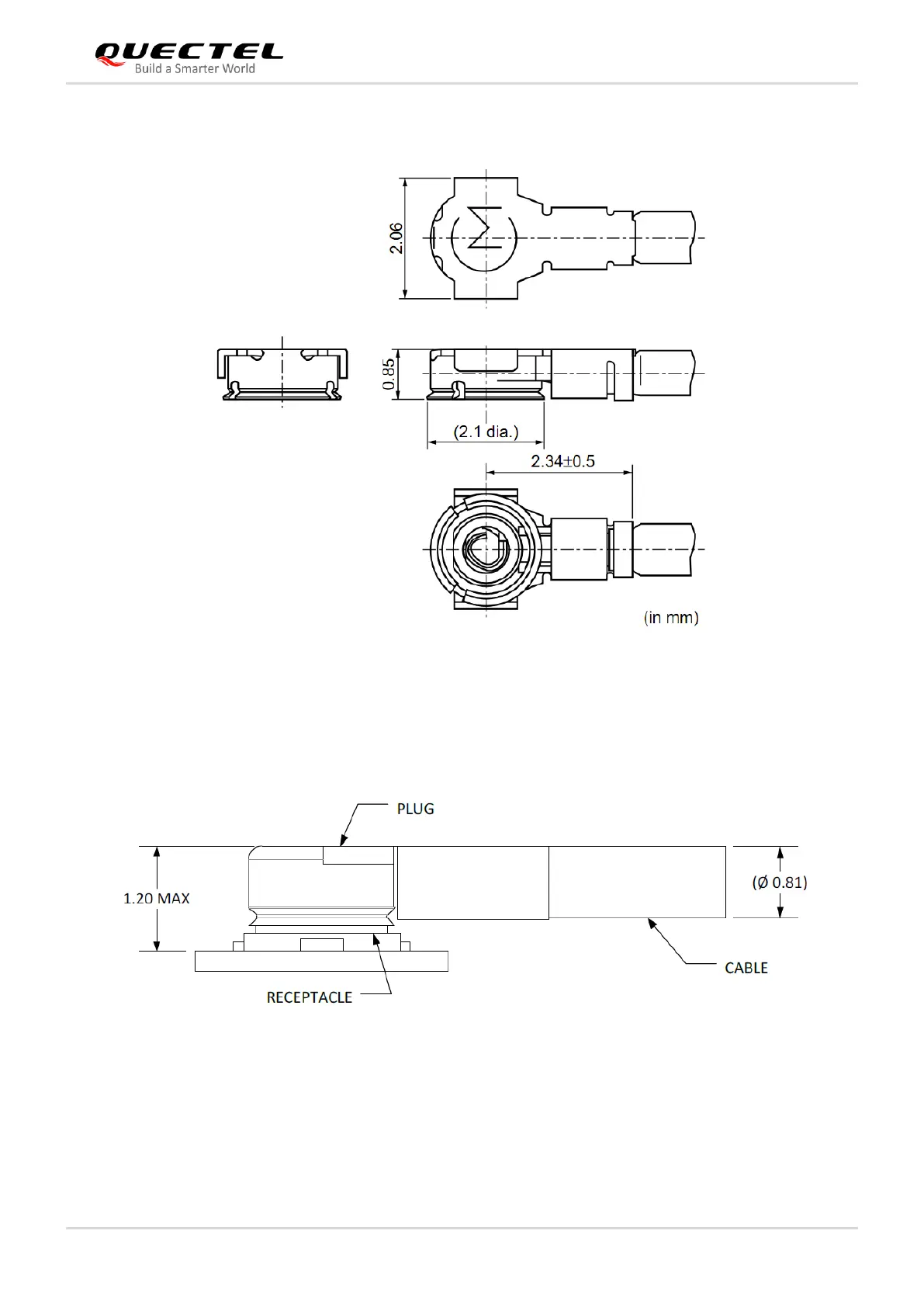
The following figure shows the specifications of mating plugs using Ø 0.81 mm coaxial cables.
Figure 30: Specifications of Mating Plugs Using Ø 0.81 mm Coaxial Cables
The following figure illustrates the connection between the receptacle RF connector on RM500Q-GL and
the mating plug using a Ø 0.81 mm coaxial cable.
Figure 31: Connection between RF Connector and Mating Plug Using Ø 0.81 mm Coaxial Cable

Table of Contents

Related product manuals